Каталог запасных частей к технике: Алтайдизель Д-442И. Жидкостно-масляный теплообменник с трубами 442-54-11с1
1
2
3
3
4
4
5
5
5
5
6
7
8
9
9
10
11
12
13
13
14
14
14
15
16
16
17
18
18
19
20
21
22
22
23
24
25
25
26
27
27
28
29
30
31
31
32
33
33
34
35
36
37
38
39
40
41
42
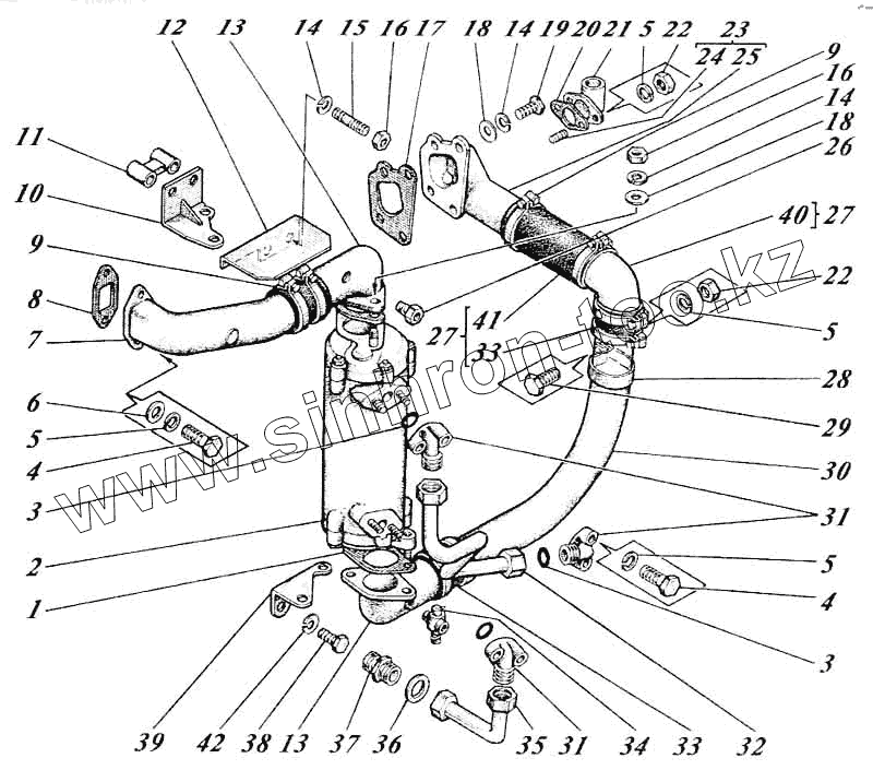
| Позиция на иллюстрации | Заводской номер детали | Название детали | |
|---|---|---|---|
| 4342-25-11с1-13 | 4342-25-11с1-13 | Жидкостно-масляный теплообменник | |
| 442-54-11с1 | 442-54-11с1 | Жидкостно-масляный теплообменник | |
| 442-54-11с1-13 | 442-54-11с1-13 | Жидкостно-масляный теплообменник с трубами | |
| 442-25-11с1-12 | 442-25-11с1-12 | Жидкостно-масляный теплообменник | |
| 442-25-11с1-12 | 442-25-11с1-12 | Жидкостно-масляный теплообменник | |
| 442-54-11с1 | 442-54-11с1 | Жидкостно-масляный теплообменник | |
| 1 | 6Т3-1303 | Прокладка | |
| 2 | 442-56-11с2 | Жидкостно-масляный теплообменник | |
| 3 | Кольцо [440-2623] | Кольцо | |
| 4 | Болт М8-6gх30.88.35.016 [7796] | Болт М8-6gх30.88.35.016 | |
| 5 | Шайба 8.65Г.05 [6402] | Шайба 8.65Г.05 | |
| 6 | Шайба А8.01.08кп.013 [11371] | Шайба А8.01.08кп.013 | |
| 7 | 4405-1103-10 | Патрубок | |
| 8 | 4405-1117 | Прокладка | |
| 9 | 440-18с10 | Хомут | |
| 10 | 442-25-11с9 | Кронштейн | |
| 11 | 442-47-1112 | Втулка установочная | |
| 12 | 442-25-1120-10 | Экран | |
| 13 | 4405-1104 | Патрубок | |
| 14 | Шайба 10.65Г.05 [6402] | Шайба 10.65Г.05 | |
| 15 | Шпилька [442-47-1118] | Шпилька | |
| 16 | Гайка М10-6Н.6.016 [5915] | Гайка М10-6Н.6.016 | |
| 17 | 03-1908 | Прокладка | |
| 18 | Шайба А10х2.01.08кп.013 [10450] | Шайба А10х2.01.08кп.013 | |
| 19 | Болт М10-6gх30.88.35.016 [7796] | Болт М10-6gх30.88.35.016 | |
| 20 | 01-0929А | Прокладка | |
| 21 | 442-56-1105 | Патрубок водоподводящий | |
| 22 | Гайка М8-6Н.6.016 [5915] | Гайка М8-6Н.6.016 | |
| 23 | 442-56-11с10 | Патрубок | |
| 24 | Шпилька 2М8-6gх20.56.013 [22034] | Шпилька 2М8-6gх20.56.013 | |
| 25 | 442-25-1116-10-01 | Патрубок | |
| 25 | 442-56-11с19-1 | Патрубок | |
| 26 | 4405-1325 | Штуцер | |
| 27 | 442-56-11с19-1 | Патрубок | |
| 28 | 442-56-1132 | Хомут | |
| 29 | Болт М8-6gх20.88.35.016 [7796] | Болт М8-6gх20.88.35.016 | |
| 30 | 442-25-1133 | Труба | |
| 31 | 440-2647-01 | Муфта угловая | |
| 32 | 442-56-11с6 | Труба маслоотводящая | |
| 33 | 41Т-1835 | Шланг соединительный | |
| 34 | Кр2-1305000ГЧ | Кран ПС7-0 | |
| 35 | 442-56-11с5 | Труба маслоотводящая | |
| 36 | 4601-1126-53-01 | Прокладка | |
| 37 | 4405-1150 | Штуцер | |
| 38 | Болт М10-6gх25.88.35.016 [7796] | Болт М10-6gх25.88.35.016 | |
| 39 | 442-25-1106 | Кронштейн нижний | |
| 40 | 442-56-1136 | Патрубок | |
| 41 | 442-56-1137 | Шланг | |
| 42 | Шайба 12 .65Г.05 [6402] | Шайба 12 .65Г.05 |
Содержащиеся в справочниках-каталогах запасные части и детали не предлагаются к продаже, а носят исключительно информационный характер