Вернуться на главную
Поиск
Каталоги запчастей к технике
Двигатели
Алтайдизель
Д-442И
Система топливная 440И-15с1-1-05
Каталог запасных частей к технике: Алтайдизель Д-442И. Система топливная 440И-15с1-1-05
zoom-in
zoom-out
enlarge
shrink
circle-right
circle-left
file-text2
info
cart
Тип техники
Не выбрано
Легковые автомобили
Грузовые автомобили и прицепы
Автобусы
Сельхозтехника
Спецтехника
Двигатели
Мототехника
Марка
Не выбрано
BAW
Caterpillar
Cummins
DCEC
DongFeng
Doosan
FAW
Great Wall
Hitachi
HOWO
HSW
IVECO
Komatsu
LGMG
Perkins
Raywin
SDEC
Shaanxi
Valmet
Weichai
XINCHAI
YTO
Yuchai
ZF
Алтайдизель
Барнаултрансмаш
ВТЗ
ГАЗ
ЗиД
ЗМЗ
Камский автозавод
ММЗ
СМД
ТМЗ
УМЗ
ЧТЗ
ЮМЗ
ЯЗДА
ЯМЗ
Модель
Не выбрано
А-01М, Д-461 (2002)
А-41 (2001)
Д-442
Д-442И
Д-461-51 (Каталог РСМ)
Схема
>
Не выбрано
Дизель 442-24И-00с1
Дизель 442-24И-00с1
Дизель 442-25ПИ-00с1
Дизель 442-25ПИ-00с1
Дизель 442-25-1ПИ-00с1
Дизель 442-25-1ПИ-00с1
Дизель 442-25БИ-00с1
Дизель 442-25БИ-00с1
Дизель 442-50И-00с1
Дизель 442-50И-00с1
Дизель 442-50И-00с1
Дизель 442-51И-00с1
Дизель 442-54РИ-00с1
Дизель 442-54РИ-00с1
Дизель 442-55РИ-00с1
Дизель 442-55РИ-00с1
Дизель 442-56И-00с1
Дизель 442-56И-00с1
Дизель 442-57И-00с1
Дизель 442-57И-00с1
Дизель 442-59И-00с1
Дизель 442-59И-00с1
Установка шкива коленчатого вала
Установка шкива
Установка крышек боковых
Блок картер 448-01c1-01
Блок картер 448-01c1-01
Блок картер 448-01с2
Картер маховика
Картер шестерен с крышкой 4405-02с1-01
Картер шестерен с крышкой 4405-02c1-02
Картер шестерен с крышкой 4405-02с1-04
Поршень с шатуном 463-03с1
Вал коленчатый 446-04c1-50-01
Вал коленчатый 444-04с1-50
Маховик 6ТЗ-04с2-10
Маховик 41С-04с2-20
Механизм распределения 442-05c1
Механизм распределения 41-05c1
Установка головки цилиндров с коллекторами 448-06с1
Головка с клапанами 448-06с2
Передаточный механизм газораспределения 448-06с5
Крышка картера нижняя 41-08c1-11
Крышка картера нижняя 442-56-08с1
Жидкостно-масляный теплообменник с трубами 442-54-11с1
Жидкостно-масляный теплообменник с трубами 442-56-11с1
Жидкостно-масляный теплообменник 442-56-11с2
Установка ограждений 444-18c14
Пусковое устройство 440-19с1-01
Пусковое устройство 440-19с1-01
Пусковое устройство 440-19с1-01
Установка механизма уравновешивания 41-23с1-3
Установка механизма уравновешивания 446-23с1-22
Установка компрессора 442-25c1-62
Установка компрессора 442-25c1-62
Установка компрессора 442-25c1-62
Установка компрессора 442-25c1-62
Установка компрессора 442-25c1-62
Насосы шестеренные с приводами 440-24-26с1
Насосы шестеренные с приводами 440-26с1
Насосы шестеренные с приводами 440-26с1
Насосы шестеренные с приводами 442-25-26с1
Насосы шестеренные с приводами 442-25-26с1
Насосы шестеренные с приводами 442-55-26с1
Насосы шестеренные с приводами 442-55-26с1
Насосы шестеренные с приводами 442-57-26с1
Насосы шестеренные с приводами 442-57-26с1
Установка электрофакельного подогрева 442-27с1
Коллектор впускной 440-06с13-04
Установка воздухоочистителя 442-24-12с1
Воздухоочиститель с патрубком 442-12с5
Установка воздухоочистителя 440-12c1-3
Установка воздухоочистителя 442-12c1
Воздухоочиститель 461-12с2-6
Установка воздухоочистителя 442-59-12c1
Воздухоочиститель с патрубком 442-59-12с5
Система топливная 440И-15с1-1-01
Система топливная 440И-15с1-1-02
Система топливная 440И-15с1-1-05
Система топливная 440И-15с1-1-01
Система топливная 440И-15с1-1-01
Система топливная 440И-15с1-1-01
Фильтр тонкой очистки топлива ФТ-80 с топливопроводами 41-15с10-3
Фильтр тонкой очистки топлива 41-70с1
Фильтр грубой очистки топлива ФГ-25-41-60с1
Форсунки дизеля 468-20с1
Клапан электромагнитный топливный 460-22с1
Система дизеля топливная 432И-15с1
Система дизеля топливная 432И-15с1
Система турбонаддува 440-18с1-12-02
Система турбонаддува 442-18с1
Система турбонаддува 442-56-18с1
Система турбонаддува 442-59-18с1
Установка коллектора выпускного 440-07c1
Труба водяная
Насос водяной, вентилятор и термостат 440В-13с1-01
Насос водяной 442-13с3-2Г
Ролик натяжной 01М-13с11-2
Насос водяной, вентилятор и термостат 442-25-13с1
Насос водяной, вентилятор и термостат 442-25-13с1
Насос водяной НВ 468-13.00
Насос водяной и вентилятор 444-13с1-01
Насос водяной 41-13с3-1Г
Насос водяной, вентилятор и термостат 442-55-13с1
Насос водяной, вентилятор и термостат 442-55-13с1
Насос водяной, вентилятор и термостат 442-56-13с1
Насос водяной, вентилятор и термостат 442-56-13с1
Насос водяной НВ 442-56-13.00
Ролик натяжной с кронштейном 442-56-13с12
Термостатная коробка с термостатами 461-51-13с13
Насос масляный с трубами МН41-09с1
Насос масляный 442-09с2
Насос масляный с трубами 442-55-09c1
Центрифуга с разборным масляным фильтром 442-56-10с1
Фильтр масляный 461-10c1-02
Колпак с элементам МФ-10с1
Установка электрооборудования и приборов 440-14c1
Установка электрооборудования и приборов 01МЛ-14с1-01
Установка электрооборудования и приборов 442-56-14с1
Стартер с приставкой 41С-19с-1
Установка стартера СТ-142Б1
Муфта сцепления 41-21c1-01-31
Муфта сцепления 41-21c1-01-31
Муфта сцепления 41-21c1-01-31
Муфта сцепления 444-21c1-10
Муфта сцепления 444-21c1-10
Кожух с дисками А52.22.000-30
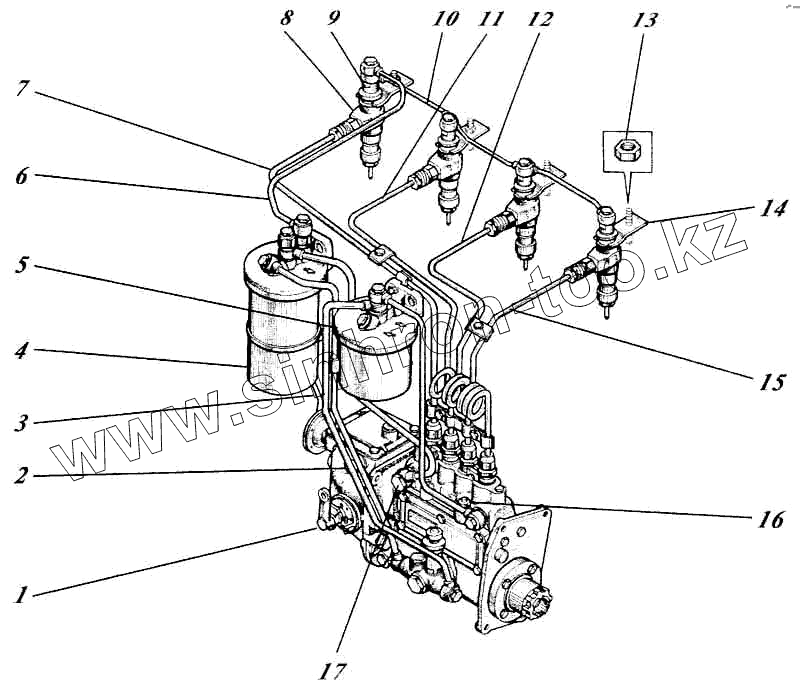
1
2
3
4
5
6
7
8
9
10
11
12
13
14
15
16
17
Позиция на иллюстрации
Заводской номер детали
Название детали
440И-15с1-1-05
440И-15с1-1-05
Система дизеля топливная
440И-15с1-1-05
440И-15с1-1-05
Система дизеля топливная
1
1241-16с1-22-04
Насос топливный 4ТНМ 12.88.22-04 с регулятором
2
41-15с28-3А
Топливопровод от фильтра грубой очистки к топливоподкачивающему насосу
3
440-15с36-02
Трубопровод подвода воздуха к пневмокорректору
4
41-15с10-3
Фильтр тонкой очистки топлива ФТ-80 с топливопроводами
5
41-60с1
Фильтр грубой очистки топлива
6
448-15с14
Топливопровод слива
7
41-15с18-11
Топливопровод высокого давления
8
444И-20с1
Форсунка дизеля
9
Кольцо уплотнительное [448-2032]
Кольцо уплотнительное
10
448-15с13
Топливопровод слива
11
41-15с17-11
Топливопровод высокого давления
12
41-15с16-11
Топливопровод высокого давления
13
Гайка [448-1507]
Гайка
14
468-1533
Скоба крепления форсунки
15
41-15с15-11
Топливопровод высокого давления
16
41-15с25-4
Топливопровод низкого давления
17
460-22с1-01
Клапан электромагнитный топливный
Содержащиеся в справочниках-каталогах запасные части и детали не предлагаются к продаже, а носят исключительно информационный характер
Дополнительная информация
×
Название:
Номер:
Примечание: