Каталог запасных частей к технике: Алтайдизель Д-442И. Насос водяной и вентилятор 444-13с1-01
1
2
2
2
2
3
4
5
5
6
7
7
7
7
8
8
9
10
10
11
11
12
12
13
14
15
16
17
18
19
20
21
22
23
24
25
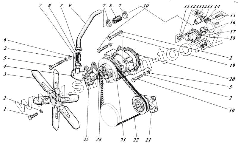
| Позиция на иллюстрации | Заводской номер детали | Название детали | |
|---|---|---|---|
| 444-13с1-01 | 444-13с1-01 | Насос водяной, вентилятор и термостат | |
| 1 | Болт М10-6gх80.88.35.016 [7795] | Болт М10-6gх80.88.35.016 | |
| 2 | Шайба 10.65Г.05 [6402] | Шайба 10.65Г.05 | |
| 3 | 461-13с2-20 | Вентилятор | |
| 4 | 01М-1307-01 | Патрубок водяной | |
| 5 | Болт М10-6gх110.88.35.016 [7795] | Болт М10-6gх110.88.35.016 | |
| 6 | Шайба А10х2.01.08кп.013 [10450] | Шайба А10х2.01.08кп.013 | |
| 7 | 01М-19с37 | Хомут стяжной | |
| 8 | 01М-1335 | Рукав32-40,5-90-0.2(2,0) | |
| 9 | 41Т-1323 | Труба | |
| 10 | Болт М10-6gх60.88.35.016 [7795] | Болт М10-6gх60.88.35.016 | |
| 11 | Гайка М8-6Н.6.016 [5915] | Гайка М8-6Н.6.016 | |
| 12 | Шайба 8.65Г.05 [6402] | Шайба 8.65Г.05 | |
| 13 | 448-1928 | Патрубок водоотводящий | |
| 14 | 01-0929А | Прокладка | |
| 15 | Болт М8-6gх30.88.35.016 [7796] | Болт М8-6gх30.88.35.016 | |
| 16 | ТС108-1306100-03 | Термостат | |
| 17 | 01М-1325 | Прокладка | |
| 18 | 01М-1315-01 | Патрубок термостата | |
| 19 | Болт М10-6gх65.88.35.016 [7795] | Болт М10-6gх65.88.35.016 | |
| 20 | 01-1306 | Прокладка | |
| 21 | 01М-13с11-2 | Ролик натяжной | |
| 22 | 5813 | Ремень 2кл.1-11х10-950 | |
| 23 | 41-13с3-1Г | Насос водяной | |
| 24 | 6Т3-1303 | Прокладка | |
| 25 | 444-1336 | Проставка вентилятора |
Содержащиеся в справочниках-каталогах запасные части и детали не предлагаются к продаже, а носят исключительно информационный характер