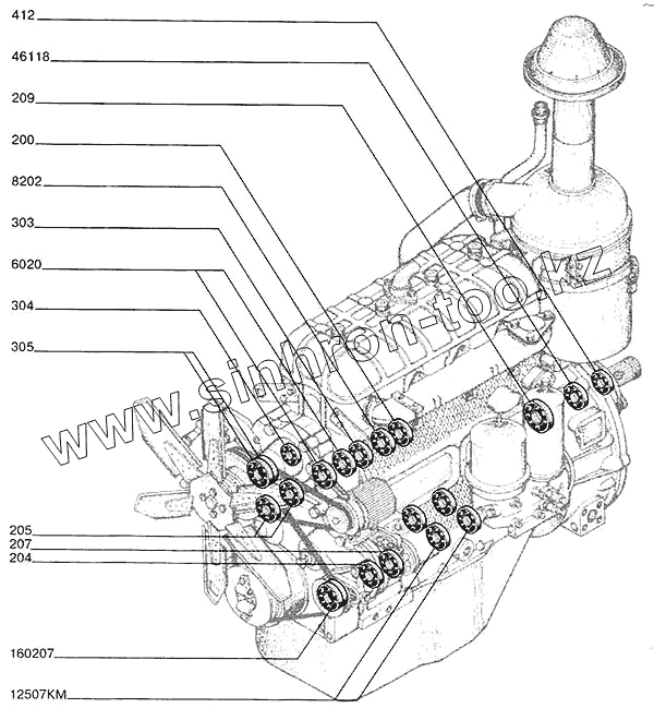
Каталог запасных частей к технике: Алтайдизель А-41. Схема расположения подшипников
205
12507КМ
303
6020
46118
200
8202
209
412
304
305
204
207
160207
| Позиция на иллюстрации | Заводской номер детали | Название детали | |
|---|---|---|---|
| 205 | 205 | Подшипник | |
| 12507КМ | 12507КМ | Подшипник роликовый (Механизм уравновешивания) | |
| 303 | 303 | Подшипник | |
| 6020 | 6020 | Подшипник | |
| 46118 | 46118 | Подшипник | |
| 200 | 200 | Подшипник | |
| 8202 | 8202 | Подшипник | |
| 209 | 209 | Подшипник шариковый радиальный однорядный (Маховик) | |
| 412 | 412 | Подшипник | |
| 304 | 304 | Подшипник | |
| 305 | 305 | Подшипник | |
| 204 | 204 | Подшипник | |
| 207 | 207 | Подшипник | |
| 160207 | 160207 | Подшипник |
Содержащиеся в справочниках-каталогах запасные части и детали не предлагаются к продаже, а носят исключительно информационный характер