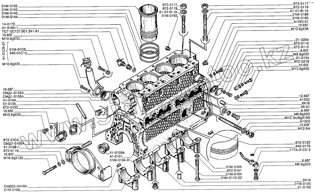
Каталог запасных частей к технике: Алтайдизель А-41. Блок-картер
16.65Г
440-01С12
41-0164
01М-0193
01М-0195
01М-01С6
14-0172
6Т2-0133
6Т3-0116
01-0204
СМД1-0126А
СМД1-0125А
01-0135
11ТА-01С5-3
10.65Г
12.65Г
41-01С6-01
6Т2-0119
6Т2-0141
6Т2-0219
8.65Г
А12Х2
А8.01
М12.3n/6gХ150
01-0118-1А
41-0118-1А
СМД55-0410А
6Т2-0123
8х16
41-0165-1
01М-0102
М10.6gХ30
М12.6gХ35
М12.6gХ50
М16.6gХ120
М8.6gХ20
М8.6gХ25
01М-0110-02
01М-0180
01-0134
СМД7-0166А
41-0109А
01-0150
М12.6Н
6Т2-0117
41-0101
01М-0142
442-0178
01М-0143
01М-0144
ПСТ-ОСТ37.001.241.-81
6Т2-0115
01М-0104
01М-0104-01
01М-0105
01М-0106
41-0108-1
6Т2-01С4
| Позиция на иллюстрации | Заводской номер детали | Название детали | |
|---|---|---|---|
| 16.65Г | 16.65Г | Шайба | |
| 440-01С12 | 440-01С12 | Патрубок маслоналивной | |
| 41-0164 | 41-0164 | Пробка | |
| 01М-0193 | 01М-0193 | Пробка коническая 1/4" | |
| 01М-0195 | 01М-0195 | Пробка коническая 3/4" | |
| 01М-01С6 | 01М-01С6 | Пробка маслоналивного патрубка | |
| 14-0172 | 14-0172 | Прокладка | |
| 6Т2-0133 | 6Т2-0133 | Прокладка | |
| 6Т3-0116 | 6Т3-0116 | Прокладка | |
| 01-0204 | 01-0204 | Прокладка картера | |
| СМД1-0126А | СМД1-0126А | Прокладка патрубка | |
| СМД1-0125А | СМД1-0125А | Сетка | |
| 01-0135 | 01-0135 | Трубка маслоизмерителя | |
| 11ТА-01С5-3 | 11ТА-01С5-3 | Форсунка охлаждения поршня | |
| 10.65Г | 10.65Г | Шайба | |
| 12.65Г | 12.65Г | Шайба | |
| 41-01С6-01 | 41-01С6-01 | Патрубок маслоналивной | |
| 6Т2-0119 | 6Т2-0119 | Шайба | |
| 6Т2-0141 | 6Т2-0141 | Шайба | |
| 6Т2-0219 | 6Т2-0219 | Шайба | |
| 8.65Г | 8.65Г | Шайба | |
| А10Х2 | А10Х2 | Шайба | |
| А12Х2 | А12Х2 | Шайба | |
| А8.01 | А8.01 | Шайба | |
| М12.3n/6gХ150 | М12.3n/6gХ150 | Шпилька | |
| 01-0118-1А | 01-0118-1А | Шпилька крепления головки | |
| 41-0118-1А | 41-0118-1А | Шпилька крепления головки | |
| СМД55-0410А | СМД55-0410А | Штифт установочный | |
| 6Т2-0123 | 6Т2-0123 | Штифт | |
| 8х16 | 8х16 | Штифт | |
| 41-0165-1 | 41-0165-1 | Штуцер переходной | |
| 01М-0102 | 01М-0102 | Гильза цилиндра | |
| 440-01С2 | 440-01С2 | Блок-картер | |
| М10.6gХ30 | М10.6gХ30 | Болт | |
| М12.6gХ35 | М12.6gХ35 | Болт | |
| М12.6gХ50 | М12.6gХ50 | Болт | |
| М16.6gХ120 | М16.6gХ120 | Болт | |
| М8.6gХ20 | М8.6gХ20 | Болт | |
| М8.6gХ25 | М8.6gХ25 | Болт | |
| 01М-0110-02 | 01М-0110-02 | Болт крепления крышки коренного подшипника | |
| 01М-0180 | 01М-0180 | Втулка | |
| 01-0134 | 01-0134 | Втулка направляющая | |
| СМД7-0166А | СМД7-0166А | Втулка направляющая | |
| 41-0109А | 41-0109А | Втулка распределительного вала передняя | |
| 01-0150 | 01-0150 | Втулка резьбовая | |
| М12.6Н | М12.6Н | Гайка | |
| 6Т2-0117 | 6Т2-0117 | Гайка крепления головки | |
| 41-0101 | 41-0101 | Блок-картер | |
| 01М-0142 | 01М-0142 | Кольцо антикавитационное | |
| 442-0178 | 442-0178 | Кольцо резиновое | |
| 01М-0143 | 01М-0143 | Кольцо уплотнительное | |
| 01М-0144 | 01М-0144 | Кольцо уплотнительное нижнее | |
| ПСТ-ОСТ37.001.241.-81 | ПСТ-ОСТ37.001.241.-81 | Кран | |
| 6Т2-0115 | 6Т2-0115 | Крышка | |
| 01М-0104 | 01М-0104 | Крышка коренного подшипника | |
| 01М-0104-01 | 01М-0104-01 | Крышка коренного подшипника | |
| 01М-0105 | 01М-0105 | Крышка коренного подшипника | |
| 01М-0106 | 01М-0106 | Крышка коренного подшипника | |
| 41-0108-1 | 41-0108-1 | Опора передняя | |
| 6Т2-01С4 | 6Т2-01С4 | Палец | |
| 41С-1942А-1 | 41С-1942А-1 | Патрубок | |
| 41С-19С16-1 | 41С-19С16-1 | Патрубок |
Содержащиеся в справочниках-каталогах запасные части и детали не предлагаются к продаже, а носят исключительно информационный характер