Каталог запасных частей к технике: Алтайдизель А-01М, Д-461. Регулятор топливного насоса
1
1
1
2
2
2
3
3
3
4
4
4
5
5
5
6
6
6
7
7
7
7
7
8
8
8
9
9
9
10
10
10
11
11
11
12
12
12
13
13
13
14
14
14
15
15
15
16
16
16
17
17
17
18
19
19
19
20
20
20
21
21
21
22
22
22
23
24
24
24
25
25
25
26
26
26
26
27
27
27
28
28
28
29
30
30
30
31
32
32
33
34
35
36
36
36
37
38
39
40
40
40
41
41
41
42
42
42
43
43
43
44
44
44
45
45
45
46
46
46
47
47
47
48
48
48
49
49
49
50
50
50
51
51
51
52
52
52
53
53
53
54
54
54
55
55
55
56
56
56
57
57
57
58
58
58
59
59
59
60
60
60
60
60
60
61
61
61
62
62
62
63
63
63
63
63
63
63
63
63
64
64
64
64
64
64
65
65
65
66
66
66
66
66
66
67
67
67
68
68
68
69
69
69
70
70
70
71
71
71
72
72
72
73
73
73
74
74
74
75
75
75
76
76
76
77
77
77
78
78
78
79
79
79
80
80
80
81
81
81
81
82
82
82
83
84
84
84
85
85
85
86
86
86
87
87
87
88
88
88
89
89
89
90
90
90
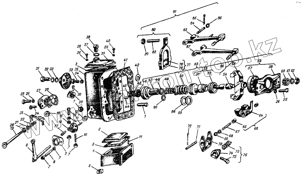
| Позиция на иллюстрации | Заводской номер детали | Название детали | |
|---|---|---|---|
| 03-17С2-1 | 03-17С2-1 | Корпус в сборе | |
| 03-17С2-1 | 03-17С2-1 | Корпус в сборе | |
| 03-17С2-1.20 | 03-17С2-1.20 | Корпус в сборе | |
| 440-17С2 | 440-17С2 | Корпус в сборе | |
| 460-17С1-01 | 460-17С1-01 | Регулятор в сборе | |
| 460-17С1-02 | 460-17С1-02 | Регулятор в сборе | |
| 01Е-17С1 | 01Е-17С1 | Регулятор РВ750 | |
| 01Е-17С1 | 01Е-17С1 | Регулятор РВ750 | |
| 01Е-17С1.20 | 01Е-17С1.20 | Регулятор РВ752 | |
| 01-57С1 | 01-57С1 | Регулятор РВ800 | |
| 01-57С1 | 01-57С1 | Регулятор РВ800 | |
| 41-А17С1 | 41-А17С1 | Регулятор тип РВ-880 | |
| 41-А17С1 | 41-А17С1 | Регулятор тип РВ-880 | |
| 41-А17С1.20 | 41-А17С1.20 | Регулятор РВ882 | |
| 1 | 17-074 | Упор | |
| 1 | 17-074 | Упор | |
| 1 | 17-074 | Упор | |
| 2 | 17-068-3 | Крышка верхняя | |
| 2 | 17-068-3 | Крышка верхняя | |
| 2 | 17-068-3 | Крышка верхняя | |
| 3 | 17-067 | Прокладка | |
| 3 | 17-067 | Прокладка | |
| 3 | 17-067.20 | Прокладка | |
| 4 | 03-17001-1 | Корпус регулятора | |
| 4 | 03-17001-1 | Корпус регулятора | |
| 4 | 03-17001-1 | Корпус регулятора | |
| 5 | 01-1763 | Призма | |
| 5 | 01-1763 | Призма | |
| 5 | 01-1763 | Призма | |
| 6 | 17-018-4А | Валик с рычагом | |
| 6 | 17-018-4А | Валик с рычагом | |
| 6 | 17-018-4А | Валик с рычагом | |
| 7 | М6.6Н.6.029.5915 | Гайка | |
| 7 | М6.6Н.6.013.5915 | Гайка | |
| 7 | М6.6Н.6.013.5915 | Гайка | |
| 8 | 17-092 | Шпилька | |
| 8 | 17-092 | Шпилька | |
| 8 | 17-092.20 | Шпилька | |
| 9 | 17-027-2.20 | Крышка упора | |
| 9 | 17-027-2 | Крышка упора | |
| 9 | 17-027-2 | Крышка упора | |
| 10 | 17-023 | Шпилька-ограничитель | |
| 10 | 17-023 | Шпилька-ограничитель | |
| 10 | 17-023.20 | Шпилька-ограничитель | |
| 11 | 17-069А | Штифт цилиндрический | |
| 11 | 17-069А | Штифт цилиндрический | |
| 11 | 17-069А | Штифт цилиндрический | |
| 12 | 17С4.20 | Сальник в сборе | |
| 12 | 17С4 | Сальник в сборе | |
| 12 | 17С4 | Сальник в сборе | |
| 13 | 17-022-1 | Болт регулировочный | |
| 13 | 17-022-1 | Болт регулировочный | |
| 13 | 17-022-1 | Болт регулировочный | |
| 14 | 17-021-1 | Прокладка регулировочная | |
| 14 | 17-021-1 | Прокладка регулировочная | |
| 14 | 17-021-1 | Прокладка регулировочная | |
| 15 | 17-021 | Прокладка регулировочная | |
| 15 | 17-021 | Прокладка регулировочная | |
| 15 | 17-021 | Прокладка регулировочная | |
| 16 | 17-020-1.20 | Шайба упора | |
| 16 | 17-020-1 | Шайба упора | |
| 16 | 17-020-1 | Шайба упора | |
| 17 | М6.6gх12.58.20.029.17475 | Винт | |
| 17 | М6.6gх12.58.20.013.17475 | Винт | |
| 17 | М6.6gх12.58.20.013.17475 | Винт | |
| 18 | 440-17109 | Втулка направляющая | |
| 19 | 17С14-2 | Валик обогатителя | |
| 19 | 17С14-2 | Валик обогатителя | |
| 19 | 17С14-2 | Валик обогатителя | |
| 20 | 17-004 | Сальник | |
| 20 | 17-004 | Сальник | |
| 20 | 17-004 | Сальник | |
| 21 | 17-061 | Шайба сальника | |
| 21 | 17-061 | Шайба сальника | |
| 21 | 17-061 | Шайба сальника | |
| 22 | 17-062 | Пружина валика обогатителя | |
| 22 | 17-062 | Пружина валика обогатителя | |
| 22 | 17-062 | Пружина валика обогатителя | |
| 23 | 440-17110 | Тяга пластинчатая | |
| 24 | 3М6.6gх16.58.013.7798 | Болт | |
| 24 | 3М6.6gх16.58.013.7798 | Болт | |
| 24 | 3К6.6gх16.58.029.7798 | Болт | |
| 25 | М6.6gх16.88.35.029.7796 | Болт | |
| 25 | М6.6gх16.88.35.013.7798 | Болт | |
| 25 | М6.6gх16.88.35.013.7798 | Болт | |
| 26 | 6.65Г.05.6402 | Шайба пружинная | |
| 26 | 6.65Г.05.6402 | Шайба пружинная | |
| 26 | 6.65Г.05.6402 | Шайба пружинная | |
| 27 | 17-056В | Крышка задняя | |
| 27 | 17-056В | Крышка задняя | |
| 27 | 17-056В | Крышка задняя | |
| 28 | 17-055 | Прокладка | |
| 28 | 17-055 | Прокладка | |
| 28 | 17-055.20 | Прокладка | |
| 29 | 440-1763 | Призма | |
| 30 | М8.6gх16.88.35.013.7796 | Болт | |
| 30 | М8.6gх16.88.35.013.7796 | Болт | |
| 30 | М8.6gх16.88.35.029.7796 | Болт | |
| 31 | 03-1525А | Болт поворотного угольника | |
| 32 | 41-1526А | Прокладка | |
| 33 | 460-17С32 | Пневмокорректор | |
| 34 | СМД7-1539 | Прокладка | |
| 35 | 445-1701-01 | Корпус регулятора | |
| 36 | 3М6.6gх14.58.029.7798 | Болт | |
| 36 | 3М6.6gх14.58.013.7798 | Болт | |
| 36 | 3К6.6gх14.58.013.7798 | Болт | |
| 37 | СМД2-2622-1 | Кольцо уплотнительное | |
| 38 | 445-1793 | Пробка | |
| 39 | 445-1768 | Крышка верхняя | |
| 40 | М6.6gх14.88.35.029.7798 | Болт | |
| 40 | М6.6gх14.88.35.013.7798 | Болт | |
| 40 | М6.6gх14.88.35.013.7798 | Болт | |
| 41 | 17-057 | Прокладка | |
| 41 | 17-057 | Прокладка | |
| 41 | 17-057.20 | Прокладка | |
| 42 | 17-054 | Шайба замковая | |
| 42 | 17-054 | Шайба замковая | |
| 42 | 17-054 | Шайба замковая | |
| 43 | М8.6Н.6.013.5915 | Гайка | |
| 43 | М8.6Н.6.013.5915 | Гайка | |
| 43 | М8.6Н.6.029.5915 | Гайка | |
| 44 | 17-002 | Штифт | |
| 44 | 17-002 | Штифт | |
| 44 | 17-002 | Штифт | |
| 45 | 8.65Г.05.6402 | Шайба пружинная | |
| 45 | 8.65Г.05.6402 | Шайба пружинная | |
| 45 | 8.65Г.05.6402 | Шайба пружинная | |
| 46 | 200.8338 | Подшипник | |
| 46 | 200.8338 | Подшипник | |
| 46 | 200.8338 | Подшипник | |
| 47 | 17-052-2А | Седло пружины | |
| 47 | 17-052-2А | Седло пружины | |
| 47 | 17-052-2А | Седло пружины | |
| 48 | 17-050 | Прокладка регулировочная | |
| 48 | 17-050 | Прокладка регулировочная | |
| 48 | 17-050 | Прокладка регулировочная | |
| 49 | 17-048-3А | Пружина внутренняя | |
| 49 | 17-048-1А | Пружина регулятора внутренняя | |
| 49 | 17-048-1А | Пружина регулятора внутренняя | |
| 50 | 17-049А | Пружина регулятора наружная | |
| 50 | 17-049А | Пружина регулятора наружная | |
| 50 | 17-049А | Пружина регулятора наружная | |
| 51 | 17С8-2А | Муфта регулятора | |
| 51 | 17С8-2А | Муфта регулятора | |
| 51 | 17С8-2А | Муфта регулятора | |
| 52 | 8202.6874 | Подшипник | |
| 52 | 8202.6874 | Подшипник | |
| 52 | 8202.6874 | Подшипник | |
| 53 | 17С8Р | Муфта с подшипником | |
| 53 | 17С8Р | Муфта с подшипником | |
| 53 | 17С8Р | Муфта с подшипником | |
| 54 | 17-032-4 | Валик регулятора | |
| 54 | 17-032-4 | Валик регулятора | |
| 54 | 17-032-4 | Валик регулятора | |
| 55 | 17-033-4 | Крестовина грузов | |
| 55 | 17-033-4 | Крестовина грузов | |
| 55 | 17-033-4 | Крестовина грузов | |
| 56 | 17С3-4 | Валик регулятора с крестовиной | |
| 56 | 17С3-4 | Валик регулятора с крестовиной | |
| 56 | 17С3-4 | Валик регулятора с крестовиной | |
| 57 | 303К2.8338 | Подшипник | |
| 57 | 303К2.8338 | Подшипник | |
| 57 | 303К2.8338 | Подшипник | |
| 58 | 17-036-1 | Гнездо шарикоподшипника | |
| 58 | 17-036-1 | Гнездо шарикоподшипника | |
| 58 | 17-036-1 | Гнездо шарикоподшипника | |
| 59 | 80.17.021А | Гнездо с подшипником в сборе | |
| 59 | 80.17.021А | Гнездо с подшипником в сборе | |
| 59 | 80.17.021А | Гнездо с подшипником в сборе | |
| 60 | 17-037В.10 | Колесо зубчатое | |
| 60 | 17-037В.20 | Колесо зубчатое | |
| 60 | 17-037В | Колесо зубчатое | |
| 60 | 17-037-1А | Колесо зубчатое | |
| 60 | 17-037-1А.20 | Колесо зубчатое | |
| 60 | 17-037-1А.10 | Колесо зубчатое | |
| 61 | 10.65Г.05.6402 | Шайба пружинная | |
| 61 | 10.65Г.05.6402 | Шайба пружинная | |
| 61 | 10.63Г.05.6402 | Шайба пружинная | |
| 62 | М10.6Н.6.013.5915 | Гайка | |
| 62 | М10.6Н.6.013.5915 | Гайка | |
| 62 | М10.6Н.6.029.5915 | Гайка | |
| 63 | Т17С9Б | Валик к сборе | |
| 63 | Т17С9Б | Валик к сборе | |
| 63 | Т17С9Б | Валик к сборе | |
| 63 | 01-17С9А | Валик к сборе | |
| 63 | 01-17С9-30 | Валик к сборе | |
| 63 | 01-17С9-30 | Валик к сборе | |
| 63 | 41-А17С9-1А | Валик регулятора | |
| 63 | 41-А17С9-1А | Валик регулятора | |
| 63 | 41-А17С9-1А | Валик регулятора | |
| 64 | Л17-042 | Груз регулятора | |
| 64 | Л17-042 | Груз регулятора | |
| 64 | Л17-042 | Груз регулятора | |
| 64 | 17-042-2А | Груз регулятора | |
| 64 | 17-042-2А | Груз регулятора | |
| 64 | 17-042-2А | Груз регулятора | |
| 65 | 17-043-2Б | Втулка груза | |
| 65 | 17-043-2Б | Втулка груза | |
| 65 | 17-043-2Б | Втулка груза | |
| 66 | Л17С11А | Груз с втулками | |
| 66 | Л17С11А | Груз с втулками | |
| 66 | Л17С11А | Груз с втулками | |
| 66 | 17С11-2А | Груз регулятора | |
| 66 | 17С11-2А | Груз регулятора | |
| 66 | 17С11-2А | Груз регулятора | |
| 67 | 17-045-3 | Ось груза | |
| 67 | 17-045-3 | Ось груза | |
| 67 | 17-045-3 | Ось груза | |
| 68 | 17-044А | Шайба | |
| 68 | 17-044А | Шайба | |
| 68 | 17-044А | Шайба | |
| 69 | 17-099 | Кольцо стопорное | |
| 69 | 17-099 | Кольцо стопорное | |
| 69 | 17-099 | Кольцо стопорное | |
| 70 | 80.17.102 | Кронштейн вилки | |
| 70 | 80.17.102 | Кронштейн вилки | |
| 70 | 80.17.102 | Кронштейн вилки | |
| 71 | 17-012-2 | Ось кронштейна | |
| 71 | 17-012-2 | Ось кронштейна | |
| 71 | 17-012-2 | Ось кронштейна | |
| 72 | 80.17.119 | Шплинт | |
| 72 | 80.17.119 | Шплинт | |
| 72 | 80.17.119 | Шплинт | |
| 73 | 17-016Б | Пружина кронштейна | |
| 73 | 17-016Б | Пружина кронштейна | |
| 73 | 17-016Б | Пружина кронштейна | |
| 74 | 17-014-2А | Втулка пружины | |
| 74 | 17-014-2А | Втулка пружины | |
| 74 | 17-014-2А | Втулка пружины | |
| 75 | М6.6gх20.88.35.013.7798 | Болт | |
| 75 | М6.6gх20.88.35.013.7798 | Болт | |
| 75 | М6.6gх20.88.35.029.7798 | Болт | |
| 76 | 17С6-1Б | Втулка пружины | |
| 76 | 17С6-1Б | Втулка пружины | |
| 76 | 17С6-1Б | Втулка пружины | |
| 77 | 17С20Р | Вилка со штырями | |
| 77 | 17С20Р | Вилка со штырями | |
| 77 | 17С20Р | Вилка со штырями | |
| 78 | 17-010А | Штырь | |
| 78 | 17-010А | Штырь | |
| 78 | 17-010А | Штырь | |
| 79 | 17-009-1 | Вилка регулятора | |
| 79 | 17-009-1 | Вилка регулятора | |
| 79 | 17-009-1 | Вилка регулятора | |
| 80 | 17С5Д | Вилка в сборе | |
| 80 | 17С5Д | Вилка в сборе | |
| 80 | 17С5Д | Вилка в сборе | |
| 81 | 01Т-17С10 | Вилка с тягой в сборе | |
| 81 | 17С10 | Вилка с тягой в сборе | |
| 81 | 17С10 | Вилка с тягой в сборе | |
| 81 | 17С10 | Вилка с тягой в сборе | |
| 82 | 17-013 | Болт вилки | |
| 82 | 17-013 | Болт вилки | |
| 82 | 17-013 | Болт вилки | |
| 83 | 01Т-17С13-1 | Тяга в сборе | |
| 84 | 17-075-1А | Ось вилки | |
| 84 | 17-075-1А | Ось вилки | |
| 84 | 17-075-1А | Ось вилки | |
| 85 | 2х12-05.397 | Шплинт | |
| 85 | 2х12-05.397 | Шплинт | |
| 85 | 2х12-05.397 | Шплинт | |
| 86 | 17-080 | Шайба | |
| 86 | 17-080 | Шайба | |
| 86 | 17-080 | Шайба | |
| 87 | 17С13-1Б | Тяга в сборе | |
| 87 | 17С13-1Б | Тяга в сборе | |
| 87 | 17С13-1Б | Тяга в сборе | |
| 88 | 17-047А | Прокладка регулировочная | |
| 88 | 17-047А | Прокладка регулировочная | |
| 88 | 17-047А | Прокладка регулировочная | |
| 89 | 17-047-1 | Прокладка регулировочная | |
| 89 | 17-047-1 | Прокладка регулировочная | |
| 89 | 17-047-1 | Прокладка регулировочная | |
| 90 | 17-050А | Прокладка регулировочная | |
| 90 | 17-050А | Прокладка регулировочная | |
| 90 | 17-050А | Прокладка регулировочная |
Содержащиеся в справочниках-каталогах запасные части и детали не предлагаются к продаже, а носят исключительно информационный характер