Каталог запасных частей к технике: Алтайдизель А-01М, Д-461. Генератор и счетчик моточасов
1
1
1
2
2
2
3
3
3
4
4
4
5
5
5
6
6
6
7
7
7
8
8
8
9
9
9
10
10
10
11
11
11
12
12
12
14
14
14
15
15
15
16
16
16
17
17
17
18
18
18
20
20
21
21
21
22
22
23
23
24
24
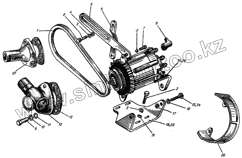
| Позиция на иллюстрации | Заводской номер детали | Название детали | |
|---|---|---|---|
| 1 | 1-8.5х8х933.5813 | Ремень | |
| 1 | 1-8.5х8х933.5813 | Ремень | |
| 1 | 1-8.5х8х933.5813 | Ремень | |
| 2 | М8.6gх25.88.35.013.7796 | Болт | |
| 2 | М8.6gх25.88.35.013.7796 | Болт | |
| 2 | М8.6gх25.88.35.013.7796 | Болт | |
| 3 | 8.65Г.05.6402 | Шайба пружинная | |
| 3 | 8.65Г.05.6402 | Шайба пружинная | |
| 3 | 8.65Г.05.6402 | Шайба пружинная | |
| 4 | 8.01.011.11371 | Шайба | |
| 4 | 8.01.011.11371 | Шайба | |
| 4 | 8.01.011.11371 | Шайба | |
| 5 | 03А-1403 | Натяжитель | |
| 5 | 03А-1403 | Натяжитель | |
| 5 | 03А-1403 | Натяжитель | |
| 6 | 03А-1404 | Кронштейн натяжителя | |
| 6 | 03А-1404 | Кронштейн натяжителя | |
| 6 | 03А-1404 | Кронштейн натяжителя | |
| 7 | М8.6gх20.88.35.013.7796 | Болт | |
| 7 | М8.6gх20.88.35.013.7796 | Болт | |
| 7 | М8.6gх20.88.35.013.7796 | Болт | |
| 8 | 700-40-6265 | Колпачок | |
| 8 | 700-40-6285 | Наконечник резиновый | |
| 8 | 700-40-6285 | Наконечник резиновый | |
| 9 | М6.6gх20.88.35.013.7796 | Болт | |
| 9 | М6.6gх20.88.35.013.7796 | Болт | |
| 9 | М6.6gх20.88.35.013.7796 | Болт | |
| 10 | 6.65Г.05.6402 | Шайба пружинная | |
| 10 | 6.65Г.05.6402 | Шайба пружинная | |
| 10 | 6.65Г.05.6402 | Шайба пружинная | |
| 11 | 6.01.011.11371 | Шайба | |
| 11 | 6.01.011.11371 | Шайба | |
| 11 | 6.01.011.11371 | Шайба | |
| 12 | 1-1407 | Прокладка | |
| 12 | 01-1407 | Прокладка | |
| 12 | 01-1407 | Прокладка | |
| 14 | 461.3701 | Генератор | |
| 14 | 461.3701 | Генератор | |
| 14 | 461.3701 | Генератор | |
| 15 | 03А-1407 | Болт специальный | |
| 15 | 03А-1407 | Болт специальный | |
| 15 | 03А-1407 | Болт специальный | |
| 16 | 10.65Г.05.6402 | Шайба пружинная | |
| 16 | 10.65Г.05.6402 | Шайба пружинная | |
| 16 | 10.65Г.05.6402 | Шайба пружинная | |
| 17 | М10.6Н.10.013.5927 | Гайка | |
| 17 | М10.6Н.10.013.5927 | Гайка | |
| 17 | М10.6Н.10.013.5927 | Гайка | |
| 18 | 03А-1406 | Кронштейн генератора | |
| 18 | 03А-1406 | Кронштейн генератора | |
| 18 | 03А-1406 | Кронштейн генератора | |
| 20 | 01МС-14С5 | Щиток | |
| 20 | 01МС-14С5 | Щиток | |
| 21 | СЧ100Б | Счетчик моточасов | |
| 21 | СЧ100Б | Счетчик моточасов | |
| 21 | СЧ100Б | Счетчик моточасов | |
| 22 | 6936.3701000 | Генератор 34 в. 1000 Вт | |
| 22 | 693.3701000 | Генератор 34 в. 1000 Вт | |
| 23 | 01МС-1406 | Кронштейн генератора | |
| 23 | 01МС-1406 | Кронштейн генератора | |
| 24 | 01МС-1407 | Болт специальный | |
| 24 | 01МС-1407 | Болт специальный | |
| 39 | 01-0812 | Кольцо опорное | |
| 39 | 01-0812 | Кольцо опорное | |
| 39 | 01-0812 | Кольцо опорное |
Содержащиеся в справочниках-каталогах запасные части и детали не предлагаются к продаже, а носят исключительно информационный характер