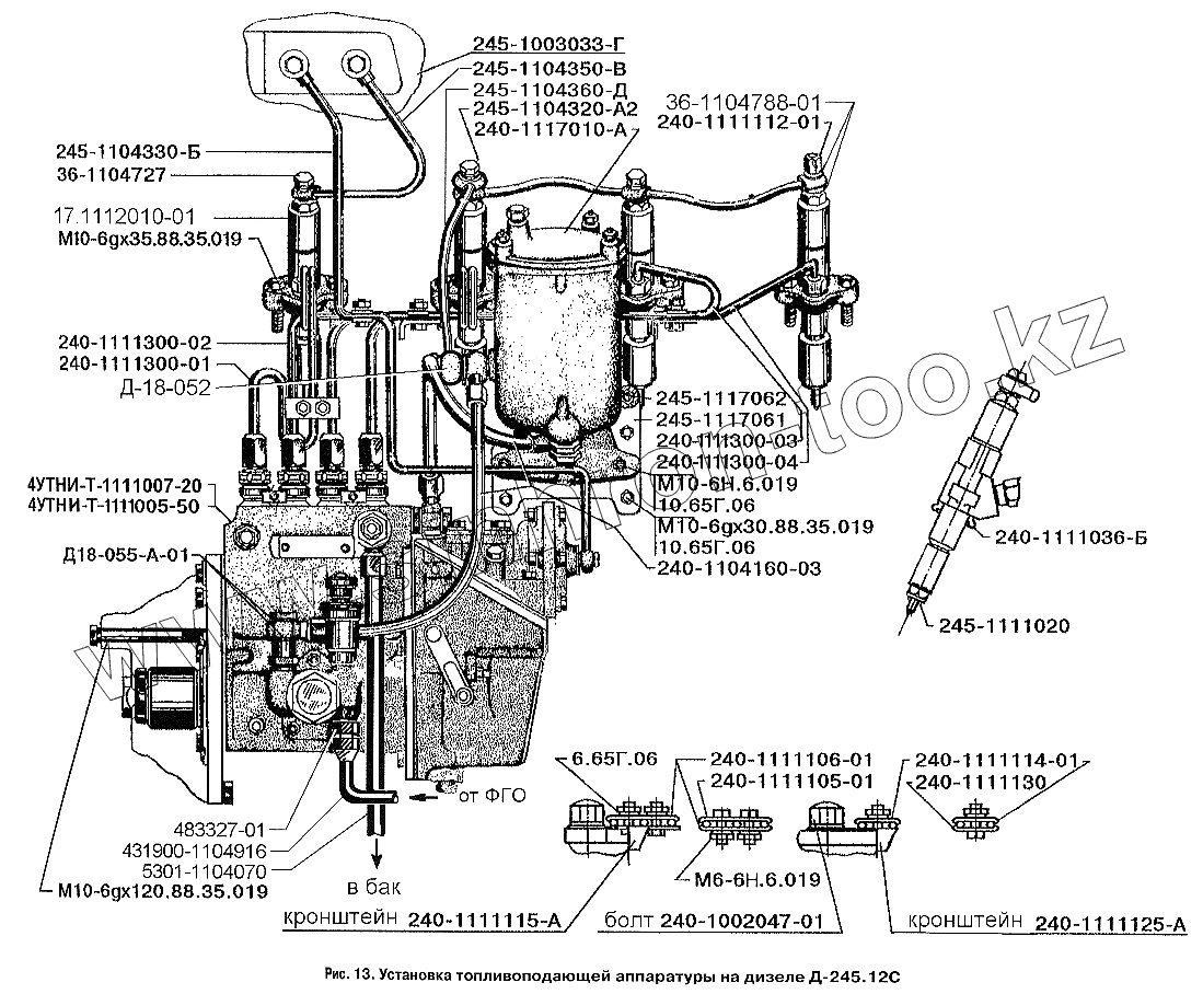
Каталог запасных частей к технике: ЗИЛ-3250. Установка топливоподающей аппаратуры на дизеле Д-245.12С
6.65Г.06
240-1111300-03
240-1111300-04
240-1104160-03
245-1104350-В
245-1104360-Д
245-1104330-Б
5301-1104070
431900-1104916
240-1117010-А
17.1112010-01
240-1111300-02
10.65Г.06
10.65Г.06
245-1117062
Д18-052
240-1111112-01
483327-01
240-1111125-А
240-1002047-01
240-1111115-А
240-1111114-01
М10-6gх35.88.35.019
М10-6gх120.88.35.019
36-1104727
М10-6Н.6.019
М6-6Н.6.019
245-1003033-Г
240-1111130
240-1111105-01
240-1111106-01
М10-6gх30.88.35.019
240-1111036-Б
Д18-055-А-01
245-1117061
4УТНИ-Т-1111007-20
4УТНИ-Т-1111005-50
36-1104788-01
245-1111020
245-1104320-А2
240-1111300-01
| Позиция на иллюстрации | Заводской номер детали | Название детали | |
|---|---|---|---|
| 6.65Г.06 | 6.65Г.06 | Шайба | |
| 240-1111300-03 | 240-1111300-03 | Трубка | |
| 240-1111300-04 | 240-1111300-04 | Трубка | |
| 240-1104160-03 | 240-1104160-03 | Трубка | |
| 245-1104350-В | 245-1104350-В | Трубка перепускная | |
| 245-1104360-Д | 245-1104360-Д | Трубка перепускная | |
| 245-1104330-Б | 245-1104330-Б | Трубка пневмокорректора | |
| 5301-1104070 | 5301-1104070 | Трубка слива топлива из ТНВД | |
| 431900-1104916 | 431900-1104916 | Трубка топливная к топливоподкачивающему насосу | |
| 240-1117010-А | 240-1117010-А | Фильтр топливный в сборе | |
| 17.1112010-01 | 17.1112010-01 | Форсунка в сборе | |
| 240-1111300-02 | 240-1111300-02 | Трубка | |
| 10.65Г.06 | 10.65Г.06 | Шайба | |
| 245-1117062 | 245-1117062 | Шпилька | |
| Д18-052 | Д18-052 | Штуцер | |
| 240-1111112-01 | 240-1111112-01 | Штуцер | |
| 483327-01 | 483327-01 | Штуцер | |
| 240-1111125-А | 240-1111125-А | Кронштейн | |
| 240-1002047-01 | 240-1002047-01 | Болт | |
| 240-1111115-А | 240-1111115-А | Кронштейн | |
| Д-245.12С | Д-245.12С | Дизель | |
| 240-1111114-01 | 240-1111114-01 | Колодка | |
| М10-6gх35.88.35.019 | М10-6gх35.88.35.019 | Болт | |
| М10-6gх120.88.35.019 | М10-6gх120.88.35.019 | Болт | |
| 36-1104727 | 36-1104727 | Болт штуцера | |
| М10-6Н.6.019 | М10-6Н.6.019 | Гайка | |
| М6-6Н.6.019 | М6-6Н.6.019 | Гайка | |
| 245-1003033-Г | 245-1003033-Г | Коллектор | |
| 240-1111130 | 240-1111130 | Колодка | |
| 240-1111105-01 | 240-1111105-01 | Колодка | |
| 240-1111106-01 | 240-1111106-01 | Колодка | |
| М10-6gх30.88.35.019 | М10-6gх30.88.35.019 | Болт | |
| 240-1111036-Б | 240-1111036-Б | Кольцо защитное | |
| Д18-055-А-01 | Д18-055-А-01 | Кольцо уплотнительное | |
| 245-1117061 | 245-1117061 | Кронштейн | |
| 4УТНИ-Т-1111007-20 | 4УТНИ-Т-1111007-20 | Насос топливный в сборе | |
| 4УТНИ-Т-1111005-50 | 4УТНИ-Т-1111005-50 | Насос топливный высокого давления с регулятором в сборе | |
| 36-1104788-01 | 36-1104788-01 | Прокладка | |
| 245-1111020 | 245-1111020 | Прокладка-экран | |
| 245-1104320-А2 | 245-1104320-А2 | Топливопровод дренажный | |
| 240-1111300-01 | 240-1111300-01 | Трубка |
Содержащиеся в справочниках-каталогах запасные части и детали не предлагаются к продаже, а носят исключительно информационный характер