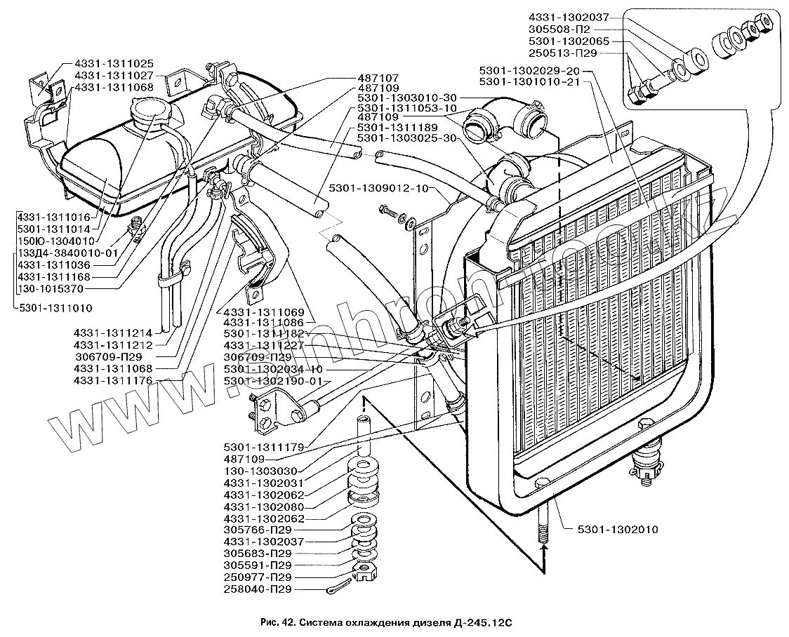
Каталог запасных частей к технике: ЗИЛ-3250. Система охлаждения дизеля Д-245.12С
305766-П29
4331-1311086
5301-1311179
4331-1311036
5301-1302034-10
4331-1311168
306709-П29
306709-П29
487107
487109
487109
487109
4331-1302062
4331-1302062
305591-П29
305683-П29
5301-1311182
305508-П29
5301-1303010-30
5301-1303025-30
5301-1311053-10
5301-1311214
5301-1311189
4331-1311212
130-1303030
258040-П29
130-1015370
4331-1302031
5301-1302065
250513-П29
250977-П29
133Д4-3840010-01
5301-1309012-10
4331-1311016
5301-1311014
5301-1311010
4331-1311025
4331-1311027
5301-1302190-01
4331-1302080
4331-1302037
4331-1302037
5301-1302029-20
150Ю-1304010
4331-1311068
4331-1311068
4331-1311069
4331-1311176
4331-1311227
5301-1301010-21
5301-1302010
| Позиция на иллюстрации | Заводской номер детали | Название детали | |
|---|---|---|---|
| 305766-П29 | 305766-П29 | Шайба | |
| 431900-1305079 | 431900-1305079 | Скоба крепления приводя сливного крана | |
| 4331-1311086 | 4331-1311086 | Скоба крепления расширительного бачка в сборе | |
| 4331-1311140 | 4331-1311140 | Скоба крепления расширительного бачка в сборе | |
| 433710-1305069 | 433710-1305069 | Стержень управления краном | |
| 5301-1311179 | 5301-1311179 | Труба перепускная | |
| 4331-1311036 | 4331-1311036 | Трубка пароотводящая расширительного бачка системы охлаждения | |
| 5301-1302034-10 | 5301-1302034-10 | Тяга радиатора с наконечником в сборе | |
| 4331-1311168 | 4331-1311168 | Угольник с трубкой в сборе | |
| 308786-П29 | 308786-П29 | Хомут | |
| 306709-П29 | 306709-П29 | Хомут | |
| 487107 | 487107 | Хомут | |
| 487109 | 487109 | Хомут | |
| 4331-1302062 | 4331-1302062 | Чашка подушки подвески радиатора | |
| 305591-П29 | 305591-П29 | Шайба | |
| 305683-П29 | 305683-П29 | Шайба | |
| 5301-1311182 | 5301-1311182 | Скоба крепления перепускной трубы | |
| 305508-П29 | 305508-П29 | Шайба | |
| 252005-П29 | 252005-П29 | Шайба | |
| 252006-П29 | 252006-П29 | Шайба | |
| 252135-П2 | 252135-П2 | Шайба пружинная | |
| 252136-П2 | 252136-П2 | Шайба пружинная | |
| 252157-П2 | 252157-П2 | Шайба пружинная | |
| 5301-1303010-30 | 5301-1303010-30 | Шланг водяного патрубка отводящий | |
| 5301-1303025-30 | 5301-1303025-30 | Шланг водяного патрубка подводящий | |
| 5301-1311053-10 | 5301-1311053-10 | Шланг отвода жидкости из бачка в радиатор | |
| 5301-1311214 | 5301-1311214 | Шланг пароотводящей трубки | |
| 5301-1311189 | 5301-1311189 | Шланг перепускной | |
| 4331-1311212 | 4331-1311212 | Шланг слива жидкости | |
| 130-1303030 | 130-1303030 | Шланг байпаса соединительный | |
| 258040-П29 | 258040-П29 | Шплинт | |
| 130-1015370 | 130-1015370 | Кран сливной в сборе | |
| 201676-П | 201676-П | Болт | |
| 201460-П29 | 201460-П29 | Болт | |
| 201458-П29 | 201458-П29 | Болт | |
| 130-1305065-В | 130-1305065-В | Вилка сливного крана | |
| 4331-1302031 | 4331-1302031 | Втулка распорная | |
| 5301-1302065 | 5301-1302065 | Втулка распорная | |
| 250510-П29 | 250510-П29 | Гайка | |
| 250513-П29 | 250513-П29 | Гайка | |
| 250614-П29 | 250614-П29 | Гайка | |
| 250517-П29 | 250517-П29 | Гайка | |
| 250977-П29 | 250977-П29 | Гайка | |
| 133Д4-3840010-01 | 133Д4-3840010-01 | Датчик уровня охлаждающей жидкости | |
| 5301-1309012-10 | 5301-1309012-10 | Кожух вентилятора системы охлаждения | |
| 4331-1311016 | 4331-1311016 | Корпус расширительного бачка в сборе (верхняя часть) | |
| 5301-1311014 | 5301-1311014 | Корпус расширительного бачка в сборе (нижняя часть) | |
| 5301-1311010 | 5301-1311010 | Бачок расширительный системы охлаждения в сборе | |
| 4331-1311025 | 4331-1311025 | Кронштейн крепления расширительного бачка в сборе | |
| 4331-1311027 | 4331-1311027 | Кронштейн крепления расширительного бачка в сборе | |
| 5301-1302191-01 | 5301-1302191-01 | Кронштейн крепления тяги радиатора задний левый | |
| 5301-1302190-01 | 5301-1302190-01 | Кронштейн крепления тяги радиатора задний правый | |
| 4331-1302080 | 4331-1302080 | Подушка крепления радиатора | |
| 4331-1302037 | 4331-1302037 | Подушка крепления радиатора | |
| 5301-1302029-20 | 5301-1302029-20 | Поперечина рамки подвески радиатора | |
| 150Ю-1304010 | 150Ю-1304010 | Пробка радиатора в сборе | |
| 4331-1311068 | 4331-1311068 | Прокладка кронштейна и скобы крепления бачка | |
| 4331-1311069 | 4331-1311069 | Прокладка скобы крепления бачка нижняя | |
| 4331-1311176 | 4331-1311176 | Прокладка скобы крепления расширительного бачка | |
| 4331-1311227 | 4331-1311227 | Прокладка хомута | |
| 5301-1301010-21 | 5301-1301010-21 | Радиатор системы охлаждения в сборе | |
| 5301-1302010 | 5301-1302010 | Рамка подвески радиатора |
Содержащиеся в справочниках-каталогах запасные части и детали не предлагаются к продаже, а носят исключительно информационный характер