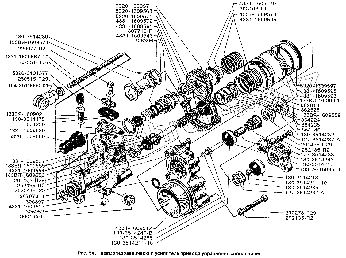
Каталог запасных частей к технике: ЗИЛ-3250. Пневмогидравлический усилитель привода управления сцеплением
262541-П29
133ВЯ-1609574
300165-П
127-3514238
4331-1609565
4331-1609573
133ВЯ-1609601
130-3514236
127-3514237-А
127-3514237-А
130-3514232
4331-1609537
4331-1609593
133ВЯ-1609553
864146
130-3514175
306252
252135-П2
252135-П2
252135-П2
130-3514285
130-3514285
130-3514213
130-3514213
862528
4331-1609579
4331-1609572
5320-1609569
5320-1609597
130-3514243
4331-1609567-10
4331-1609567
130-3514240-В
306397
306396
5320-3401377
133ВЯ-1609021
5320-1609571
5320-1609571
307970-П
250515-П29
303108-01
5320-1609563
133ВЯ-1609555
220077-П29
164-3519060-01
201458-П29
200273-П29
4331-1609543
4331-1609539
4331-1609554
133ВЯ-1609611
130-3514176
4331-1609512
133ВЯ-1609559
4331-1609517
201462-П29
130-3514211-10
130-3514211-10
862813
307710-П
864236
864235
864224
4331-1609595
4331-1609595
| Позиция на иллюстрации | Заводской номер детали | Название детали | |
|---|---|---|---|
| 262541-П29 | 262541-П29 | Пробка | |
| 133ВЯ-1609574 | 133ВЯ-1609574 | Седло диафрагмы редуктора | |
| 300165-П | 300165-П | Седло | |
| 127-3514238 | 127-3514238 | Пружина клапана | |
| 4331-1609565 | 4331-1609565 | Пружина распорная уплотнения поршня | |
| 4331-1609573 | 4331-1609573 | Пружина диафрагмы редуктора | |
| 133ВЯ-1609601 | 133ВЯ-1609601 | Пружина пневматического поршня | |
| 130-3514236 | 130-3514236 | Прокладка седла выпускного клапана | |
| 127-3514237-А | 127-3514237-А | Прокладка регулировочная седла клапана | |
| 130-3514232 | 130-3514232 | Седло впускного клапана | |
| 4331-1609534 | 4331-1609534 | Поршень с корпусом в сборе | |
| 4331-1609536 | 4331-1609536 | Поршень в сборе | |
| 4331-1609537 | 4331-1609537 | Поршень | |
| 4331-1609593 | 4331-1609593 | Поршень пневматический | |
| 133ВЯ-1609553 | 133ВЯ-1609553 | Поршень выключения сцепления | |
| 4331-1609509 | 4331-1609509 | Пневмогидравлический усилитель привода управления сцеплением в сборе | |
| 4331-1609510 | 4331-1609510 | Пневмогидравлический усилитель привода управления сцеплением в сборе | |
| 864146 | 864146 | Манжета 13х38 | |
| 130-3514175 | 130-3514175 | Уплотнитель перепускного отверстия | |
| 306252 | 306252 | Шарик | |
| 252135-П2 | 252135-П2 | Шайба пружинная | |
| 130-3514285 | 130-3514285 | Шайба клапана малая | |
| 130-3514213 | 130-3514213 | Шайба клапана большая | |
| 862528 | 862528 | Шайба | |
| 4331-1609579 | 4331-1609579 | Шайба | |
| 4331-1609572 | 4331-1609572 | Шайба | |
| 5320-1609569 | 5320-1609569 | Чехол защитный заднего корпуса | |
| 5320-1609597 | 5320-1609597 | Манжета пневматического поршня ПГУ | |
| 133ВЯ-1609556 | 133ВЯ-1609556 | Уплотнение поршня выключения сцепления в сборе | |
| 130-3514243 | 130-3514243 | Трубка стержня клапана редуктора | |
| 4331-1609566-10 | 4331-1609566-10 | Толкатель поршня пневмогидравлического усилителя в сборе | |
| 4331-1609566 | 4331-1609566 | Толкатель поршня в сборе | |
| 4331-1609567-10 | 4331-1609567-10 | Толкатель поршня | |
| 4331-1609567 | 4331-1609567 | Толкатель поршня | |
| 130-3514240-В | 130-3514240-В | Стержень клапана | |
| 4331-1609568 | 4331-1609568 | Гайка сферическая | |
| 306397 | 306397 | Кольцо | |
| 306396 | 306396 | Кольцо | |
| 5320-3401377 | 5320-3401377 | Колпачок перепускного клапана ПГУ | |
| 130-3514210-А2 | 130-3514210-А2 | Клапан в сборе | |
| 133ВЯ-1609021 | 133ВЯ-1609021 | Клапан перепускной заднего корпуса | |
| 133ВЯ-1609521 | 133ВЯ-1609521 | Жиклер пневмогидравлического усилителя | |
| 4331-1609570 | 4331-1609570 | Диафрагма редуктора в сборе | |
| 5320-1609571 | 5320-1609571 | Диафрагма редуктора ПГУ | |
| 307970-П | 307970-П | Кольцо стопорное | |
| 250515-П29 | 250515-П29 | Гайка | |
| 303108-01 | 303108-01 | Гайка | |
| 5320-1609563 | 5320-1609563 | Втулка распорная уплотнения поршня выключения сцепления | |
| 133ВЯ-1609555 | 133ВЯ-1609555 | Втулка распорная манжеты поршня выключения сцепления | |
| 220077-П29 | 220077-П29 | Винт | |
| 164-3519060-01 | 164-3519060-01 | Вилка толкателя | |
| 201458-П29 | 201458-П29 | Болт | |
| 200273-П29 | 200273-П29 | Болт | |
| 4331-1609543 | 4331-1609543 | Корпус | |
| 4331-1609539 | 4331-1609539 | Манжета следящего поршня | |
| 4331-1609554 | 4331-1609554 | Манжета 13,4х28 поршня выключения сцепления ПГУ с IV кв. 1990 г. | |
| 133ВЯ-1609611 | 133ВЯ-1609611 | Крышка подвода воздуха | |
| 130-3514176 | 130-3514176 | Крышка выпускного отверстия | |
| 4331-1609512 | 4331-1609512 | Корпус пневмогидроусилителя передний в сборе | |
| 4331-1609516 | 4331-1609516 | Корпус пневмогидроусилителя задний в сборе | |
| 133ВЯ-1609559 | 133ВЯ-1609559 | Корпус уплотнения поршня выключения сцепления | |
| 4331-1609517 | 4331-1609517 | Корпус | |
| 201462-П29 | 201462-П29 | Болт | |
| 130-3514211-10 | 130-3514211-10 | Конус клапана | |
| 862813 | 862813 | Кольцо упорное | |
| 307710-П | 307710-П | Кольцо упорное | |
| 864236 | 864236 | Кольцо уплотнительное | |
| 864235 | 864235 | Кольцо уплотнительное | |
| 864224 | 864224 | Кольцо уплотнительное | |
| 4331-1609595 | 4331-1609595 | Кольцо направляющее |
Содержащиеся в справочниках-каталогах запасные части и детали не предлагаются к продаже, а носят исключительно информационный характер