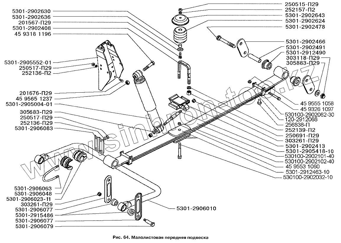
Каталог запасных частей к технике: ЗИЛ-3250. Малолистовая передняя подвеска
5301-2902636
5301-2906023-11
5301-2906048
5301-2906010
5301-2902408
5301-2906063
530100-2902062-30
5301-2902643
305683-П29
305883-П29
5301-2912463-10
252136-П2
252136-П2
252157-П2
252139-П2
5301-2906077
5301-2906077
5301-2902466
45 9565 1237
45 9326 1097
45 9555 1058
45 9318 1196
45 9553 1060
201676-П29
303118-П29
201567-П29
530100-2902032-10
5301-2902624
5301-2915486
5301-2902630
120-2912068
5301-2902491
5301-2912490
250691-П29
250515-П29
250517-П29
250517-П29
303261-П29
303261-П29
5301-2905004-01
256838-П
5301-2905552-01
530100-2902101-40
530100-2902102-40
5301-2902413
5301-2906083
5301-2905418-10
5301-2906079
5301-2902478
| Позиция на иллюстрации | Заводской номер детали | Название детали | |
|---|---|---|---|
| 5301-2902636 | 5301-2902636 | Шайба крепления буфера | |
| 5301-2906023-11 | 5301-2906023-11 | Подушка крепления стабилизатора | |
| 530100-2902121-10 | 530100-2902121-10 | Прокладка межлистовая | |
| 5301-2902012-04 | 5301-2902012-04 | Рессора передняя в сборе | |
| 5301-2906048 | 5301-2906048 | Скоба крепления штанги | |
| 5301-2906010 | 5301-2906010 | Стабилизатор передней подвески в сборе | |
| 5301-2902408 | 5301-2902408 | Стремянка передней рессоры | |
| 5301-2906063 | 5301-2906063 | Стремянка скобы | |
| 530100-2902062-30 | 530100-2902062-30 | Хомут рессоры | |
| 5301-2902643 | 5301-2902643 | Чашка буфера | |
| 305826-П8 | 305826-П8 | Шайба | |
| 305683-П29 | 305683-П29 | Шайба | |
| 305883-П29 | 305883-П29 | Шайба | |
| 5301-2912463-10 | 5301-2912463-10 | Пластина передней рессоры | |
| 252136-П2 | 252136-П2 | Шайба пружинная | |
| 252157-П2 | 252157-П2 | Шайба пружинная | |
| 252139-П2 | 252139-П2 | Шайба пружинная | |
| 258056-П29 | 258056-П29 | Шплинт | |
| 5301-2906077 | 5301-2906077 | Щека серьги крепления стабилизатора | |
| 5301-2902466 | 5301-2902466 | Щека серьги передней рессоры | |
| 45 9565 1237 | 45 9565 1237 | Гайка самостопорящаяся | |
| 45 9326 1097 | 45 9326 1097 | Болт | |
| 45 9555 1058 | 45 9555 1058 | Гайка | |
| 45 9318 1196 | 45 9318 1196 | Болт | |
| 45 9553 1060 | 45 9553 1060 | Гайка М12 | |
| 201676-П29 | 201676-П29 | Болт | |
| 303118-П29 | 303118-П29 | Гайка самостопорящаяся | |
| 201567-П29 | 201567-П29 | Болт | |
| 530100-2902032-10 | 530100-2902032-10 | Болт центральный передней рессоры | |
| 5301-2902624 | 5301-2902624 | Буфер хода сжатия подвески | |
| 5301-2915486 | 5301-2915486 | Втулка | |
| 5301-2902630 | 5301-2902630 | Втулка крепления буфера | |
| 120-2912068 | 120-2912068 | Втулка хомутов распорная | |
| 5301-2902491 | 5301-2902491 | Втулка ушка | |
| 5301-2912490 | 5301-2912490 | Втулка ушка рессоры | |
| 250691-П29 | 250691-П29 | Гайка | |
| 250515-П29 | 250515-П29 | Гайка | |
| 250517-П29 | 250517-П29 | Гайка | |
| 303261-П29 | 303261-П29 | Гайка самостопорящаяся | |
| 5301-2905004-01 | 5301-2905004-01 | Амортизатор с втулками крепления в сборе | |
| 256838-П | 256838-П | Заклепка | |
| 5301-2905552-01 | 5301-2905552-01 | Кронштейн амортизатора | |
| 530100-2902101-40 | 530100-2902101-40 | Лист передней рессоры | |
| 530100-2902102-40 | 530100-2902102-40 | Лист передней рессоры | |
| 5301-2902413 | 5301-2902413 | Накладка передней рессоры левая | |
| 5301-2902412 | 5301-2902412 | Накладка передней рессоры правая | |
| 5301-2906083 | 5301-2906083 | Накладка стремянки | |
| 5301-2905418-10 | 5301-2905418-10 | Палец крепления амортизатора | |
| 5301-2906079 | 5301-2906079 | Палец крепления стабилизатора | |
| 5301-2902478 | 5301-2902478 | Палец переднего ушка рессоры | |
| 5301-2902463 | 5301-2902463 | Пластина передней рессоры |
Содержащиеся в справочниках-каталогах запасные части и детали не предлагаются к продаже, а носят исключительно информационный характер