Вернуться на главную
Поиск
Каталоги запчастей к технике
Автобусы
ЗИЛ
ЗИЛ-3250
Колеса и шины
Каталог запасных частей к технике: ЗИЛ-3250. Колеса и шины
zoom-in
zoom-out
enlarge
shrink
circle-right
circle-left
file-text2
info
cart
Тип техники
Не выбрано
Легковые автомобили
Грузовые автомобили и прицепы
Автобусы
Сельхозтехника
Спецтехника
Двигатели
Мототехника
Марка
Не выбрано
Golden Dragon
Hyundai
Ikarus
Karosa
King Long
Neoplan
Yutong
ZF
АМАЗ
Богдан
ЗИЛ
КАВЗ
Камский автозавод
ЛАЗ
ЛЗГМП
ЛиАЗ
Нефтекамский автозавод
ПАЗ
УралАЗ
Модель
Не выбрано
ЗИЛ-3250 (2000)
ЗИЛ-3250 (2006)
Схема
>
Не выбрано
Кузов автобуса
Установка фургона автобуса ЗИЛ-3250 и ЗИЛ-32501
Крепление кабины автомобиля ЗИЛ-5301
Кабина без дверей
Обмыв ветрового стекла
Зеркало кабины
Панели щитка приборов
Противосолнечные козырьки
Сиденье водителя
Механизм подрессоривания сиденья водителя
Амортизатор сиденья водителя
Сиденье двухместное автомобиля ЗИЛ-5301
Пассажирское сиденье автобусов ЗИЛ-3250 и ЗИЛ-32501
Крыша
Вентиляционный люк автобусов ЗИЛ-3250 и ЗИЛ-32501
Вентиляционный люк автомобиля ЗИЛ-5301
Установка привода двери
Установка сдвижного стекла
Установка люков боковин автобуса
Дверь кабины
Стеклоподъемник двери
Замок и ручка двери кабины и задней правой двери фургона
Замок задней левой двери автобусов ЗИЛ-3250 и ЗИЛ-32501
Установка сдвижной двери
Дверь распашная
Задняя дверь
Оперение
Замок капота и его привод
Установка отопителей салона автобусов ЗИЛ-3250 и ЗИЛ-32501
Отопитель салона автобусов ЗИЛ-3250 и ЗИЛ-32501
Трубопроводы системы отопления
Отопитель кабины
Привод управления отоплением
Воздуховоды отопителя кабины
Вентилятор отопителя кабины
Платформа автомобиля ЗИЛ-5301
Двигатель и его подвеска
Блок цилиндров, крышка распределительных шестерен
Головка блока цилиндров, клапаны и толкатели двигателя Д-245.12С
Головка блока цилиндров, клапаны и толкатели двигателя Д-245.9Е2
Поршень, шатун, коленчатый вал и маховик двигателя Д-245.12С
Поршень, шатун, коленчатый вал и маховик двигателя Д-245.9Е2
Распределительный механизм
Электрофакельный подогреватель дизеля Д-245.12С
Масляный картер
Масляный насос, приемник масляного насоса
Масляный фильтр (центрифуга) (вариант 1)
Установка масляного фильтра (вариант 2)
Установка масляного радиатора дизеля Д-245.12С
Установка масляного радиатора дизеля Д-245.9Е2
Воздухоподводящий тракт и маслопроводы турбокомпрессора
Установка топливоподающей аппаратуры на дизеле Д-245.9Е2
Установка топливоподающей аппаратуры на дизеле Д-245.12С
Топливный насос высокого давления 4УТНИ-1111010
Регулятор топливного насоса высокого давления 4УТНМ-Т-1110010-01
Топливный насос высокого давления 4УТНЗ-1111010-10
Регулятор топливного насоса высокого давления 4УТНМ-Т-1110610-01
Корректор по наддуву
Подкачивающий насос
Форсунка ФДМ-22 дизеля Д245.12С
Фильтр тонкой очистки топлива
Система питания автомобиля ЗИЛ-5301
Установка системы питания автобусов ЗИЛ-3250 и ЗИЛ-32501
Фильтр грубой очистки топлива
Установка воздушного фильтра и воздуховодов охладителя наддувочного воздуха дизеля Д-245.9Е2
Установка воздушного фильтра дизеля Д-245.12С
Привод управления подачей топлива (ТНВД ЯЗДА мод. 773-20.06)
Привод управления подачей топлива (ТНВД мод. 4УТНИ-Т-1111116-50)
Привод управления подачей топлива (ТНВД мод. 4УТНИ-Т-1111007-20)
Выпускной газопровод
Установка системы выпуска отработавших газов
Система охлаждения дизеля Д-245.12С
Система охлаждения дизеля Д-245.9Е2
Расширительный бачок
Термостат
Жидкостный насос и вентилятор
Сцепление
Ведомый диск сцепления (усиленный)
Картер сцепления
Педаль и привод управления сцеплением
Установка педалей сцепления и тормоза
Главный цилиндр управления сцеплением
Бачок главного цилиндра управления сцеплением и его установка
Пневмогидравлический усилитель привода управления сцеплением
Деталь коробки передач
Верхняя крышка и механизм переключения передач
Карданная передача
Картер, полуоси и главная передача заднего моста
Рама автомобиля ЗИЛ-5301
Рама автобусов ЗИЛ-3250 и ЗИЛ-32501
Передняя ось и рулевые тяги (вариант 1)
Усиленная передняя ось и рулевые тяги (вариант 2)
Передняя подвеска
Малолистовая передняя подвеска
Задняя подвеска
Амортизатор передней и задней подвески
Колеса и шины
Держатель запасного колеса
Насос рулевого усилителя двигателя Д-245.12С
Насос рулевого усилителя двигателя Д-245.9Е2
Рулевой механизм
Колонка рулевого управления
Карданный вал рулевого управления
Установка трубопроводов гидроусилителя руля
Бачок насоса гидроусилителя рулевого управления
Тормозной кран стояночной системы
Модулятор АБС
Упругий элемент регулятора тормозных сил
Регулятор тормозных сил
Установка регулятора тормозных сил
Пружинный энергоаккумулятор
Главный цилиндр гидротормозов
Главный цилиндр гидротормозов
Цилиндр заднего тормоза
Тормозной механизм и ступица заднего колеса (с автоматическим регулятором зазора)
Тормозной механизм и ступица заднего колеса
Тормозной механизм и ступица переднего колеса (вариант с усиленной передней осью)
Тормозной механизм и ступица переднего колеса
Установка привода стояночного тормоза
Установка трубопроводов тормозного привода автобусов и автомобилей с АБС
Установка трубопроводов тормозного привода автомобиля ЗИЛ-5301, разделенного по бортам
Установка трубопроводов тормозного привода автомобиля ЗИЛ-5301, разделенного по мостам
Пневмокомпрессор и его установка
Схема тормозного привода автобусов и автомобилей с АБС
Схема тормозного привода автомобиля ЗИЛ-5301 без АБС, разделенного по бортам
Схема тормозного привода автомобиля ЗИЛ-5301 без АБС, разделенного по мостам
Установка тормозного крана на автомобиль ЗИЛ-5301 без АБС
Установка воздушных баллонов
Установка тормозного крана, модулятора АБС и главного цилиндра гидротормозов на автобусы и автомобили с АБС
Установка контрольно-предохранительной аппаратуры пневматического привода тормозов
Установка регулятора тормозных сил и модуляторов АБС на автобусы и автомобили с АБС
Установка регулятора тормозных сил гидропривода, разделенного по бортам, на автомобиль ЗИЛ-5301
Установка двухполостной пневмокамеры и главного цилиндра гидропривода на автомобиль ЗИЛ-5301
Установка однополостной пневмокамеры и главного цилиндра гидропривода на автомобиль ЗИЛ-5301
Влагомаслоотделитель
Регулятор давления
Кран слива конденсата
Двухсекционный тормозной кран
Одинарный защитный клапан
Тройной защитный клапан
Клапан контрольного вывода
Клапан быстрого выпуска воздуха
Однополостная пневмокамера
Двухполостная пневмокамера
Устройство сигнальное
Установка тормозной пневмоаппаратуры в кабине (вариант 1)
Установка тормозной пневмоаппаратуры в кабине (вариант 2)
Схема расположения пучков проводов и приборов
Генератор автомобиля ЗИЛ-5301
Генератор автобусов ЗИЛ-3250 и ЗИЛ-32501
Стартер
Установка аккумуляторных батарей на автомобиль ЗИЛ-5301
Установка аккумуляторных батарей на автобусы ЗИЛ-3250 и ЗИЛ-32501
Фара, плафон, фонарь боковой указателей поворота, фонарь габаритный и фара противотуманная
Лампы переносная и подкапотная
Установка задних фонарей
Установка звукового сигнала
Установка предохранителей и реле
Установка гибкого вала привода спидометра
Щиток приборов
Установка пускового подогревателя на автомобиль ЗИЛ-5301
Установка пускового подогревателя на автобусы ЗИЛ-3250 и ЗИЛ-32501
Установка системы питания жидкостного подогревателя на автомобиль ЗИЛ-5301
Установка системы питания жидкостного подогревателя на автобусы ЗИЛ-3250 и ЗИЛ-32501
Схема установки подшипников
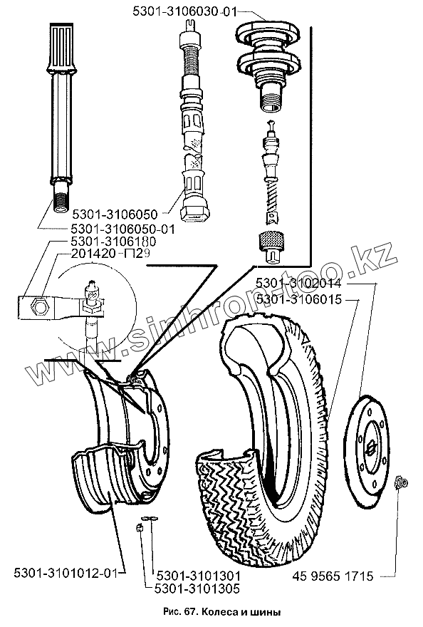
5301-3102014
45 9565 1715
5301-3106015
5301-3106180
5301-3106050-01
5301-3106050
5301-3101305
201420-П29
5301-3101012-01
5301-3101301
5301-3106030-01
Позиция на иллюстрации
Заводской номер детали
Название детали
5301-3102014
5301-3102014
Колпак колеса
45 9565 1715
45 9565 1715
Гайка
5301-3106015
5301-3106015
Шина 225/75R16С бескамерная модели И-359, М-203, Я-439
5301-3106015
5301-3106015
Шина 225/75R16С бескамерная модели И-359, М-203, Я-439
5301-3106015
5301-3106015
Шина 225/75R16С бескамерная модели И-359, М-203, Я-439
5301-3106180
5301-3106180
Фиксатор удлинителя
5301-3106050-01
5301-3106050-01
Удлинитель вентиля
5301-3106050
5301-3106050
Удлинитель вентиля
5301-3101305
5301-3101305
Пружина балансировочного грузика колеса
201420-П29
201420-П29
Болт
5301-3101011
5301-3101011
Колесо с шиной вентилем и грузиками в сборе
5301-3101012-01
5301-3101012-01
Колесо 165Jх406
5301-3101304
5301-3101304
Грузик колеса балансировочный
5301-3101303
5301-3101303
Грузик колеса балансировочный
5301-3101302
5301-3101302
Грузик колеса балансировочный
5301-3101301
5301-3101301
Грузик колеса балансировочный
250608-П29
250608-П29
Гайка
5301-3106030-01
5301-3106030-01
Вентиль БП-11,3
Содержащиеся в справочниках-каталогах запасные части и детали не предлагаются к продаже, а носят исключительно информационный характер
Дополнительная информация
×
Название:
Номер:
Примечание: