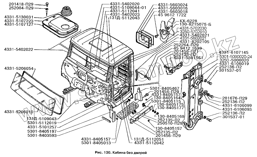
Каталог запасных частей к технике: ЗИЛ-3250. Кабина без дверей
4331-5206054
4331-6107145
4331-5130031
4331-6106093
4331-5603016
4331-5206010
4331-5603018
130-8405175
4331-5107127
130-8405177
130-8405164
4331-8202105
5301-8405013
4331-6106019
4331-5101257
4331-5112041
45 9612 1722
45 9412 1639
5301-8405115
4331-5112042
131Д-5112051
131Д-5112043
5301-5112019
4331-6106099
252264-П29
252136-П2
252136-П2
252136-П2
252135-П2
252135-П2
252135-П2
252004-П29
КХ-6228
4331-5109044-01
131Д-5109043
5301-5000020-24
3250-5000020
4331-5603024
5301-8403593
130-8405169
250510-П29
4331-8405157
4331-8405157
130-8405157
301537-01
301537-01
201418-П29
201676-П29
4331-5702030
3250-5702010
4331-5602021
4331-5402022
4331-5402023
4331-5402020
4331-5402021
201456-П29
201456-П29
201456-П29
130-8215075-Б
4331-5107223
5301-8405197
5301-8405467
4331-5301551
| Позиция на иллюстрации | Заводской номер детали | Название детали | |
|---|---|---|---|
| 853994-П | 853994-П | Скрепка | |
| 4331-5206054 | 4331-5206054 | Уплотнитель стекла ветрового окна | |
| 4331-6107145 | 4331-6107145 | Уплотнитель проема двери | |
| 4331-5130031 | 4331-5130031 | Уплотнитель люка рычага переключения передач | |
| 4331-6106093 | 4331-6106093 | Торсион ограничителя | |
| 5301-5312026 | 5301-5312026 | Термошумоизоляция панели передка | |
| 5301-5312070 | 5301-5312070 | Термоизоляция панели передка правая | |
| 5301-5312071-24 | 5301-5312071-24 | Термоизоляция панели передка левая | |
| 4331-5603016 | 4331-5603016 | Стекло заднего окна | |
| 4331-5206010 | 4331-5206010 | Стекло ветрового окна | |
| 853995-П | 853995-П | Скрепка | |
| 4331-5603018 | 4331-5603018 | Уплотнитель стекла задка | |
| 130-8405175 | 130-8405175 | Прокладка щитка подножки | |
| 4331-5107127 | 4331-5107127 | Прокладка крышки люка | |
| 130-8405177 | 130-8405177 | Кольцо прижимное | |
| 130-8405164 | 130-8405164 | Прижим щитка подножки в сборе | |
| 4331-8202105 | 4331-8202105 | Поручень | |
| 5301-8405013 | 5301-8405013 | Подножка в сборе | |
| 4331-6106019 | 4331-6106019 | Петля навески двери трехушковая | |
| 4331-5101257 | 4331-5101257 | Облицовка порога двери | |
| 3250-5109729 | 3250-5109729 | Обивка пола кабины задняя | |
| 4331-5312014 | 4331-5312014 | Обивка передка боковая правая | |
| 4331-5112041 | 4331-5112041 | Шумоизоляция пола задняя правая | |
| 45 9612 1722 | 45 9612 1722 | Винт | |
| 45 9412 1639 | 45 9412 1639 | Винт | |
| 5301-8405146 | 5301-8405146 | Щиток подножки в сборе | |
| 5301-8405115 | 5301-8405115 | Щиток подножки | |
| 4331-5112042 | 4331-5112042 | Шумоизоляция пола под сиденьями передняя | |
| 131Д-5112051 | 131Д-5112051 | Шумоизоляция пола под сиденьями передняя | |
| 131Д-5112043 | 131Д-5112043 | Шумоизоляция пола под сиденьями задняя левая | |
| 5301-5112025 | 5301-5112025 | Шумоизоляция пола передняя средняя | |
| 5301-5112022 | 5301-5112022 | Шумоизоляция пола передняя правая | |
| 5301-5112019 | 5301-5112019 | Шумоизоляция пола передняя левая | |
| 4331-5312015 | 4331-5312015 | Обивка передка боковая левая | |
| 4331-6106099 | 4331-6106099 | Шайба торсиона | |
| 252264-П29 | 252264-П29 | Шайба | |
| 252136-П2 | 252136-П2 | Шайба пружинная | |
| 252135-П2 | 252135-П2 | Шайба пружинная | |
| 252154-П2 | 252154-П2 | Шайба пружинная | |
| 252037-П29 | 252037-П29 | Шайба | |
| 252004-П29 | 252004-П29 | Шайба | |
| 5301-8403591 | 5301-8403591 | Фартук брызговика нижний | |
| 5301-8403350 | 5301-8403350 | Фартук брызговика | |
| КХ-6228 | КХ-6228 | Гнездо | |
| 5301-5109050-02 | 5301-5109050-02 | Ковер пола передний правый | |
| 5301-5109021-02 | 5301-5109021-02 | Ковер пола передний левый | |
| 4331-5109044-01 | 4331-5109044-01 | Ковер пола задний правый | |
| 131Д-5109043 | 131Д-5109043 | Ковер пола задний левый | |
| 5301-5000020-24 | 5301-5000020-24 | Кабина обитая и окрашенная в сборе | |
| 3250-5000020 | 3250-5000020 | Кабина с защитными покрытиями | |
| 5301-5000011-24 | 5301-5000011-24 | Кабина обитая и окрашенная в сборе | |
| 32501-5000012 | 32501-5000012 | Кабина обитая и окрашенная в сборе | |
| 4331-5603024 | 4331-5603024 | Замок уплотнителя | |
| 5301-8403593 | 5301-8403593 | Держатель фартука брызговика | |
| 5301-5109023-02 | 5301-5109023-02 | Ковер пола передний средний | |
| 130-8405169 | 130-8405169 | Гайка | |
| 250508-П29 | 250508-П29 | Гайка | |
| 250510-П29 | 250510-П29 | Гайка | |
| 4331-8405157 | 4331-8405157 | Буфер съемного щитка | |
| 130-8405157 | 130-8405157 | Буфер | |
| 201420-П29 | 201420-П29 | Болт | |
| 301537-01 | 301537-01 | Болт | |
| 201418-П29 | 201418-П29 | Болт | |
| 201676-П29 | 201676-П29 | Болт | |
| 4331-5302267-02 | 4331-5302267-02 | Накладка декоративная стойки передка левая | |
| 4331-5702030 | 4331-5702030 | Обивка крыши | |
| 3250-5702010 | 3250-5702010 | Обивка крыши | |
| 4331-5602021 | 4331-5602021 | Обивка задка левая | |
| 4331-5602020 | 4331-5602020 | Обивка задка правая | |
| 3250-5602102 | 3250-5602102 | Обивка задка кабины | |
| 4331-5402022 | 4331-5402022 | Обивка боковины передняя правая | |
| 4331-5402023 | 4331-5402023 | Обивка боковины передняя левая | |
| 4331-5402020 | 4331-5402020 | Обивка боковины задняя правая | |
| 4331-5402021 | 4331-5402021 | Обивка боковины задняя левая | |
| 4331-5302266-02 | 4331-5302266-02 | Накладка декоративная стойки передка правая | |
| 201456-П29 | 201456-П29 | Болт | |
| 130-8215075-Б | 130-8215075-Б | Крючок | |
| 4331-5107208 | 4331-5107208 | Крышка люка в сборе | |
| 4331-5107223 | 4331-5107223 | Крышка люка в сборе | |
| 5301-8405196 | 5301-8405196 | Кронштейн подножки правый в сборе | |
| 5301-8405466 | 5301-8405466 | Кронштейн подножки правый | |
| 5301-8405197 | 5301-8405197 | Кронштейн подножки левый в сборе | |
| 5301-8405467 | 5301-8405467 | Кронштейн подножки левый | |
| 4331-5301550 | 4331-5301550 | Косынка распорная передка правая | |
| 4331-5301551 | 4331-5301551 | Косынка распорная передка левая |
Содержащиеся в справочниках-каталогах запасные части и детали не предлагаются к продаже, а носят исключительно информационный характер