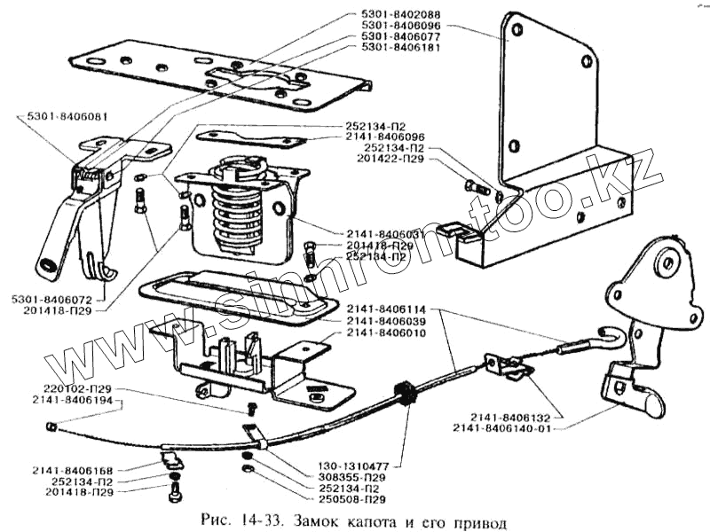
Каталог запасных частей к технике: ЗИЛ-3250. Замок капота и его привод
2141-8406168
252134-П2
252134-П2
252134-П2
252134-П2
252134-П2
308355-П29
5301-8402088
2141-8406114
2141-8406132
2141-8406140-01
5301-8406081
2141-8406096
2141-8406096
201418-П29
201418-П29
201418-П29
5301-8406181
2141-8406039
5301-8406072
5301-8406096
5301-8406077
2141-8406031
2141-8406010
250508-П29
130-1310477
2141-8406194
220102-П29
201422-П29
| Позиция на иллюстрации | Заводской номер детали | Название детали | |
|---|---|---|---|
| 2141-8406168 | 2141-8406168 | Планка держателя оболочки привода замка капота | |
| 258013-П29 | 258013-П29 | Шплинт | |
| 252134-П2 | 252134-П2 | Шайба пружинная | |
| 252003-П29 | 252003-П29 | Шайба | |
| 308355-П29 | 308355-П29 | Хомут | |
| 5301-8402088 | 5301-8402088 | Усилитель внутренней панели капота в сборе | |
| 2141-8406114 | 2141-8406114 | Тяга привода замка | |
| 2141-8406132 | 2141-8406132 | Скоба крепления оболочки | |
| 2141-8406140-01 | 2141-8406140-01 | Ручка тяги привода замка капота | |
| 5301-8406081 | 5301-8406081 | Пружина предохранительного крючка | |
| 2141-8406096 | 2141-8406096 | Прокладка регулировочная защелки замка капота | |
| 2141-8406110 | 2141-8406110 | Привод замка капота | |
| 5301-8406060 | 5301-8406060 | Предохранитель открывания капота в сборе | |
| 201418-П29 | 201418-П29 | Болт | |
| 5301-8406181 | 5301-8406181 | Палец предохранительного крючка | |
| 2141-8406039 | 2141-8406039 | Направляющая защелки привода замка | |
| 5301-8406072 | 5301-8406072 | Крючок предохранительный в сборе | |
| 5301-8406096 | 5301-8406096 | Кронштейн ручки привода замка капота в сборе | |
| 5301-8406077 | 5301-8406077 | Кронштейн предохранительного крючка | |
| 2141-8406031 | 2141-8406031 | Защелка замка капота | |
| 2141-8406010 | 2141-8406010 | Замок капота | |
| 250508-П29 | 250508-П29 | Гайка | |
| 130-1310477 | 130-1310477 | Втулка оболочки тяги жалюзи радиатора | |
| 2141-8406194 | 2141-8406194 | Втулка тяги привода замка | |
| 220102-П29 | 220102-П29 | Винт | |
| 201422-П29 | 201422-П29 | Болт |
Содержащиеся в справочниках-каталогах запасные части и детали не предлагаются к продаже, а носят исключительно информационный характер