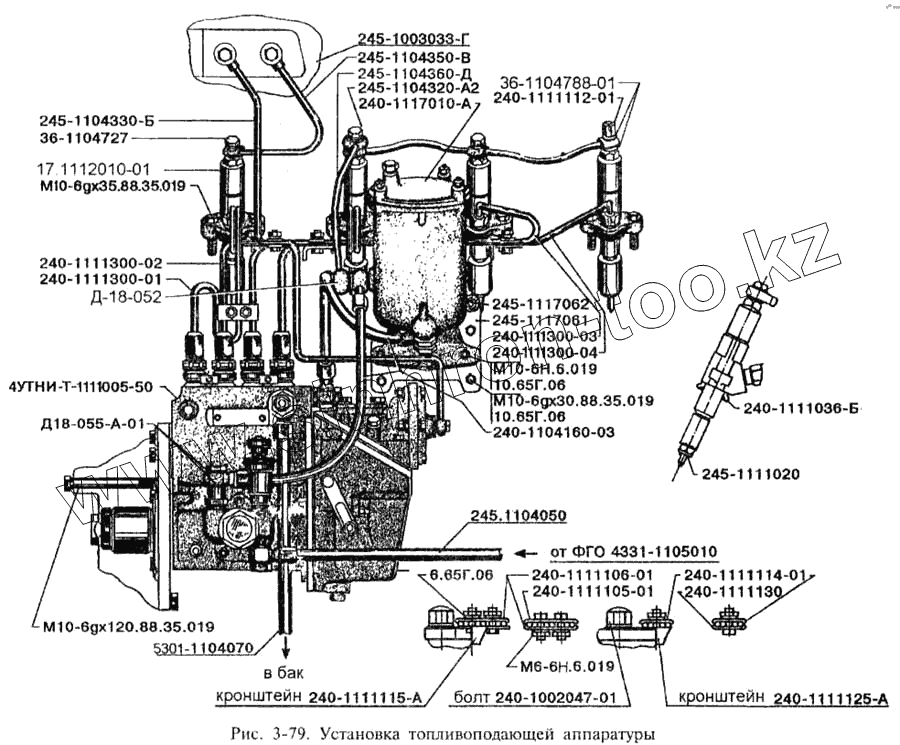
Каталог запасных частей к технике: ЗИЛ-3250. Установка топливоподающей аппаратуры
245-1117062
245-1104350-В
245-1104360-Д
245-1104330-Б
5301-1104070
240-1117010-А
17.1112010-01
10.65Г.06
10.65Г.06
6.65Г.06
240-1111300-04
240-1111112-01
Д18-052
240-1002047-01
4331-1105010
36-1104727
245-1003033-Г
240-1111125-А
240-1111115-А
Д18-055-А-01
М10-6gх30.88.35.019
М10-6gх35.88.35.019
М10-6Н.6.019
М6-6Н.6.019
240-1111114-01
240-1111130
40-1111105-01
40-1111106-01
240-1111036-Б
М10-6gх120.88.35.019
245-1117061
УТНИ-Т-1111005-50
36-1104788-01
245-1111020
245-1104320-А2
240-1104160-03
240-1111300-01
240-1111300-02
240-1111300-03
| Позиция на иллюстрации | Заводской номер детали | Название детали | |
|---|---|---|---|
| 245-1117062 | 245-1117062 | Шпилька | |
| 245-1104350-В | 245-1104350-В | Трубка перепускная | |
| 245-1104360-Д | 245-1104360-Д | Трубка перепускная | |
| 245-1104330-Б | 245-1104330-Б | Трубка пневмокорректора | |
| 5301-1104070 | 5301-1104070 | Трубка слива топлива из ТНВД | |
| 31900-1104916 | 31900-1104916 | Трубка топливная к топливо подкачивающем у насосу ТНВД | |
| 240-1117010-А | 240-1117010-А | Фильтр топливный в сборе | |
| 11.1112010 | 11.1112010 | Форсунка в сборе | |
| 17.1112010-01 | 17.1112010-01 | Форсунка в сборе | |
| 10.65Г.06 | 10.65Г.06 | Шайба | |
| 6.65Г.06 | 6.65Г.06 | Шайба | |
| 240-1111300-04 | 240-1111300-04 | Трубка | |
| 240-1111112-01 | 240-1111112-01 | Штуцер | |
| 483327-01 | 483327-01 | Штуцер | |
| Д18-052 | Д18-052 | Штуцер | |
| 240-1002047-01 | 240-1002047-01 | Болт | |
| 4331-1105010 | 4331-1105010 | Фильтр грубой очистки топлива в сборе | |
| 36-1104727 | 36-1104727 | Болт штуцера | |
| 245-1003033-Г | 245-1003033-Г | Коллектор | |
| 240-1111125-А | 240-1111125-А | Кронштейн | |
| 240-1111115-А | 240-1111115-А | Кронштейн | |
| Д18-055-А-01 | Д18-055-А-01 | Кольцо уплотнительное | |
| М10-6gх30.88.35.019 | М10-6gх30.88.35.019 | Болт | |
| М10-6gх35.88.35.019 | М10-6gх35.88.35.019 | Болт | |
| 6-1104727 | 6-1104727 | Болт штуцера | |
| М10-6Н.6.019 | М10-6Н.6.019 | Гайка | |
| М6-6Н.6.019 | М6-6Н.6.019 | Гайка | |
| 240-1111114-01 | 240-1111114-01 | Колодка | |
| 240-1111130 | 240-1111130 | Колодка | |
| 40-1111105-01 | 40-1111105-01 | Колодка | |
| 40-1111106-01 | 40-1111106-01 | Колодка | |
| 240-1111036-Б | 240-1111036-Б | Кольцо защитное | |
| М10-6gх120.88.35.019 | М10-6gх120.88.35.019 | Болт | |
| 245-1117061 | 245-1117061 | Кронштейн | |
| УТНИ-Т-1111005-50 | УТНИ-Т-1111005-50 | Насос топливный | |
| 36-1104788-01 | 36-1104788-01 | Прокладка | |
| 245-1111020 | 245-1111020 | Прокладка-экран | |
| 245-1104320-А2 | 245-1104320-А2 | Топливопровод дренажный | |
| 240-1104160-03 | 240-1104160-03 | Трубка | |
| 240-1111300-01 | 240-1111300-01 | Трубка | |
| 240-1111300-02 | 240-1111300-02 | Трубка | |
| 240-1111300-03 | 240-1111300-03 | Трубка |
Содержащиеся в справочниках-каталогах запасные части и детали не предлагаются к продаже, а носят исключительно информационный характер