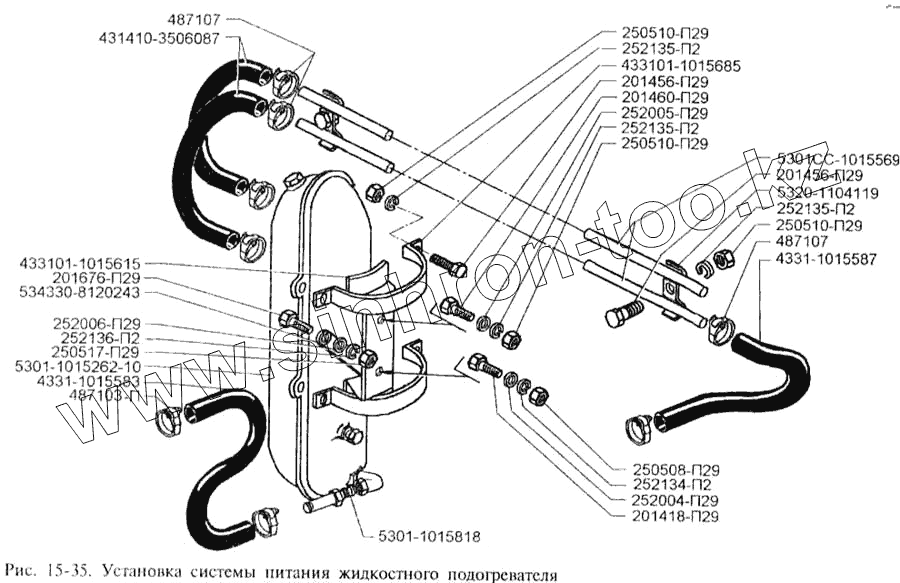
Каталог запасных частей к технике: ЗИЛ-3250. Установка системы питания жидкостного подогревателя
5301-1015818
4331-1015583
4331-1015587
431410-3506087
252136-П2
252135-П2
252135-П2
252135-П2
252134-П2
252006-П29
252005-П29
252004-П29
433101-1015685
487107
487107
487103-П
5301-1015262-10
5301СС-1015569
5320-1104119
433101-105615
534330-8120243
250517-П29
250510-П29
250510-П29
250510-П29
250508-П29
201676-П29
201460-П29
201456-П29
201456-П29
201418-П29
| Позиция на иллюстрации | Заводской номер детали | Название детали | |
|---|---|---|---|
| 5301-1015818 | 5301-1015818 | Трубка топливная в сборе | |
| 4331-1015583 | 4331-1015583 | Шланг 6Х320 | |
| 4331-1015587 | 4331-1015587 | Шланг 10х300 | |
| 431410-3506087 | 431410-3506087 | Шланг | |
| 252136-П2 | 252136-П2 | Шайба пружинная | |
| 252135-П2 | 252135-П2 | Шайба пружинная | |
| 252134-П2 | 252134-П2 | Шайба пружинная | |
| 252006-П29 | 252006-П29 | Шайба | |
| 252005-П29 | 252005-П29 | Шайба | |
| 252004-П29 | 252004-П29 | Шайба | |
| 433101-1015685 | 433101-1015685 | Хомут топливного бачка | |
| 487107 | 487107 | Хомут | |
| 487103-П | 487103-П | Хомут | |
| 5301-1015262-10 | 5301-1015262-10 | Бачок топливный пускового подогревателя в сборе | |
| 5301СС-1015569 | 5301СС-1015569 | Трубка топливная | |
| 5320-1104119 | 5320-1104119 | Скоба крепления топливопроводов | |
| 433101-105615 | 433101-105615 | Кронштейн топливного бачка | |
| 534330-8120243 | 534330-8120243 | Кронштейн | |
| 250517-П29 | 250517-П29 | Гайка | |
| 250510-П29 | 250510-П29 | Гайка | |
| 250508-П29 | 250508-П29 | Гайка | |
| 201676-П29 | 201676-П29 | Болт | |
| 201460-П29 | 201460-П29 | Болт | |
| 201456-П29 | 201456-П29 | Болт | |
| 201418-П29 | 201418-П29 | Болт |
Содержащиеся в справочниках-каталогах запасные части и детали не предлагаются к продаже, а носят исключительно информационный характер