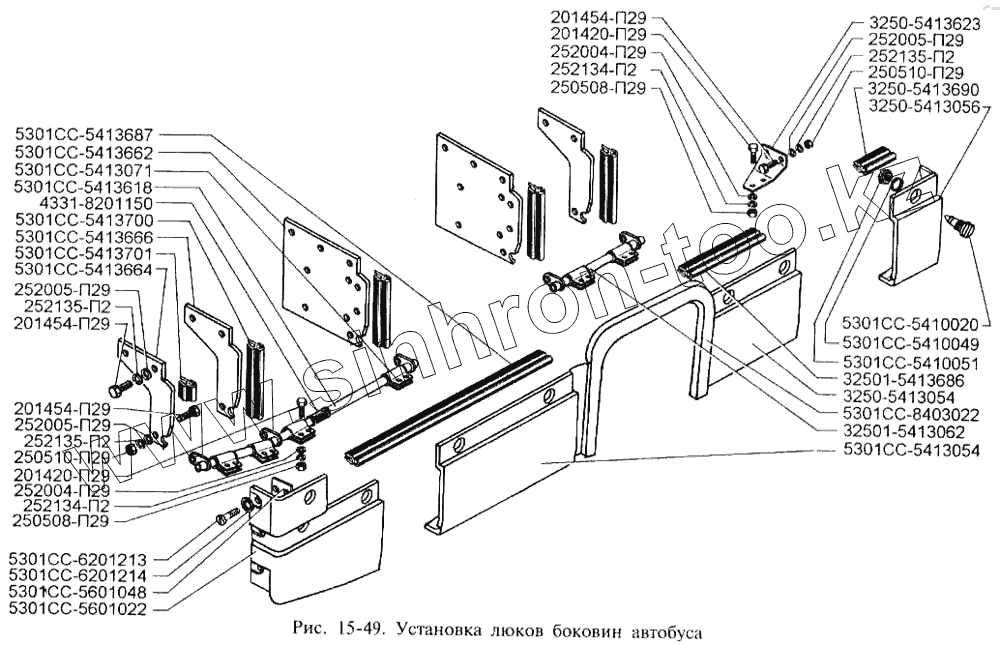
Каталог запасных частей к технике: ЗИЛ-3250. Установка люков боковин автобуса
5301СС-5413687
3250-5413054
3250-5413056
5301СС-5413071
5301СС-5413666
5301СС-5413664
5301СС-5413662
4331-8201150
5301СС-5413700
5301СС-5413701
5301СС-5413687
3250-5413690
32501-5413686
5301СС-5601048
252004-П29
252004-П29
252005-П29
252005-П29
252005-П29
5301СС-5410049
5301СС-6201214
252134-П2
252134-П2
252135-П2
252135-П2
252135-П2
201454-П29
201454-П29
201454-П29
5301СС-6201213
250508-П29
250508-П29
250510-П29
250510-П29
5301СС-5410051
5301СС-5413618
5301СС-5413618
201420-П29
201420-П29
32501-5413062
5301СС-5410020
3250-5413623
5301СС-5601022
5301СС-8403022
5301СС-5413054
| Позиция на иллюстрации | Заводской номер детали | Название детали | |
|---|---|---|---|
| 5301СС-5413687 | 5301СС-5413687 | Уплотнитель крышек люков боковины задний | |
| 3250-5413028 | 3250-5413028 | Панель люка боковины (сварка) | |
| 3250-5413054 | 3250-5413054 | Панель люка боковины правая | |
| 3250-5413036 | 3250-5413036 | Панель люка боковины узкая (сварка) | |
| 5301СС-5413036 | 5301СС-5413036 | Панель люка боковины узкая (сварка) | |
| 5301СС-5413059 | 5301СС-5413059 | Панель люка боковины узкая левая | |
| 3250-5413056 | 3250-5413056 | Панель люка боковины узкая правая | |
| 5301СС-5413071 | 5301СС-5413071 | Петля люка боковины | |
| 5301СС-5413666 | 5301СС-5413666 | Пластина длинная | |
| 5301СС-5413664 | 5301СС-5413664 | Пластина короткая | |
| 5301СС-5413662 | 5301СС-5413662 | Пластина широкая | |
| 4331-8201150 | 4331-8201150 | Прокладка хомута крыла | |
| 4331-8201150 | 4331-8201150 | Прокладка хомута крыла | |
| 5301СС-5413700 | 5301СС-5413700 | Уплотнитель вертикальный длинный | |
| 5301СС-5413701 | 5301СС-5413701 | Уплотнитель вертикальный короткий | |
| 3250-5413687 | 3250-5413687 | Уплотнитель крышек люков боковины задний | |
| 3250-5413027 | 3250-5413027 | Панель люка боковины (сварка) | |
| 5301СС-5413687 | 5301СС-5413687 | Уплотнитель крышек люков боковины задний | |
| 5301СС-5413686 | 5301СС-5413686 | Уплотнитель крышек люков боковины передний левый | |
| 3250-5413690 | 3250-5413690 | Уплотнитель крышек люков боковины передний короткий правый | |
| 3250-5413689 | 3250-5413689 | Уплотнитель крышек люков боковины передний левый | |
| 5301СС-5413686 | 5301СС-5413686 | Уплотнитель крышек люков боковины передний левый | |
| 3250-5413686 | 3250-5413686 | Уплотнитель крышек люков боковины передний правый | |
| 32501-5413686 | 32501-5413686 | Уплотнитель крышек люков боковины передний правый | |
| 5301СС-5601048 | 5301СС-5601048 | Усилитель панели | |
| 252004-П29 | 252004-П29 | Шайба | |
| 252005-П29 | 252005-П29 | Шайба | |
| 5301СС-5410049 | 5301СС-5410049 | Шайба | |
| 5301СС-6201214 | 5301СС-6201214 | Шайба | |
| 252134-П2 | 252134-П2 | Шайба пружинная | |
| 252135-П2 | 252135-П2 | Шайба пружинная | |
| 3250-5413063 | 3250-5413063 | Держатель панели люка передний левый в сборе | |
| 201454-П29 | 201454-П29 | Болт | |
| 5301СС-6201213 | 5301СС-6201213 | Винт | |
| 250508-П29 | 250508-П29 | Гайка | |
| 250510-П29 | 250510-П29 | Гайка | |
| 5301СС-5410051 | 5301СС-5410051 | Гайка | |
| 3250-5413067 | 3250-5413067 | Держатель панели люка задний левый в сборе | |
| 5301СС-5413619 | 5301СС-5413619 | Держатель панели люка задний левый в сборе | |
| 3250-5413067 | 3250-5413067 | Держатель панели люка задний левый в сборе | |
| 5301СС-5413619 | 5301СС-5413619 | Держатель панели люка задний левый в сборе | |
| 3250-5413066 | 3250-5413066 | Держатель панели люка задний правый в сборе | |
| 5301СС-5413618 | 5301СС-5413618 | Держатель панели люка задний правый в сборе | |
| 3250-5413066 | 3250-5413066 | Держатель панели люка задний правый в сборе | |
| 5301СС-5413618 | 5301СС-5413618 | Держатель панели люка задний правый в сборе | |
| 5301СС-5413616 | 5301СС-5413616 | Держатель панели люка передний левый в сборе | |
| 201420-П29 | 201420-П29 | Болт | |
| 5301СС-5413616 | 5301СС-5413616 | Держатель панели люка передний левый в сборе | |
| 3250-5413063 | 3250-5413063 | Держатель панели люка передний левый в сборе | |
| 32501-541362 | 32501-541362 | Держатель панели люка передний правый | |
| 32501-5413062 | 32501-5413062 | Держатель панели люка передний правый в сборе | |
| 3250-5413062 | 3250-5413062 | Держатель панели правый в сборе | |
| 5301СС-5410020 | 5301СС-5410020 | Замок люка | |
| 3250-5413623 | 3250-5413623 | Кронштейн крепления люка правый | |
| 5301СС-5413155 | 5301СС-5413155 | Ограничитель | |
| 5301СС-5601023 | 5301СС-5601023 | Панель задка нижняя угловая левая | |
| 5301СС-5601022 | 5301СС-5601022 | Панель задка нижняя угловая правая | |
| 5301СС-8403022 | 5301СС-8403022 | Панель заднего крыла | |
| 3250-5413055 | 3250-5413055 | Панель люка боковины | |
| 5301СС-5413029 | 5301СС-5413029 | Панель люка боковины | |
| 5301СС-5413054 | 5301СС-5413054 | Панель люка боковины |
Содержащиеся в справочниках-каталогах запасные части и детали не предлагаются к продаже, а носят исключительно информационный характер