Вернуться на главную
Поиск
Каталоги запчастей к технике
Автобусы
ЗИЛ
ЗИЛ-3250
Держатель запасного колеса
Каталог запасных частей к технике: ЗИЛ-3250. Держатель запасного колеса
zoom-in
zoom-out
enlarge
shrink
circle-right
circle-left
file-text2
info
cart
Тип техники
Не выбрано
Легковые автомобили
Грузовые автомобили и прицепы
Автобусы
Сельхозтехника
Спецтехника
Двигатели
Мототехника
Марка
Не выбрано
Golden Dragon
Hyundai
Ikarus
Karosa
King Long
Neoplan
Yutong
ZF
АМАЗ
Богдан
ЗИЛ
КАВЗ
Камский автозавод
ЛАЗ
ЛЗГМП
ЛиАЗ
Нефтекамский автозавод
ПАЗ
УралАЗ
Модель
Не выбрано
ЗИЛ-3250 (2000)
ЗИЛ-3250 (2006)
Схема
>
Не выбрано
Кабина без дверей
Крепление кабины
Кузов автобуса
Установка фургона автобуса
Обмыв ветрового стекла
Панели щитка приборов
Установка сдвижного стекла
Установка люков боковин автобуса
Крыша
Вентиляционный люк
Вентиляционный люк
Дверь кабины
Стеклоподъемник двери
Замок и ручка двери
Дверь распашная
Установка сдвижной двери
Дверь задка
Сиденье водителя
Механизм подрессоривания сиденья водителя
Амортизатор сиденья водителя
Сиденье двухместное
Пассажирское сиденье
Трубопроводы системы отопления
Приводы управления отоплением
Воздуховоды отопителя
Вентилятор отопителя
Отопитель кабины
Электрофакельный подогреватель
Зеркало кабины
Козырьки противосолнечные
Оперение автомобиля
Замок капота и его привод
Платформа
Двигатель и его подвеска
Блок цилиндров двигателя, крышки подшипников и коленчатого вала
Головка блока цилиндров, клапаны и толкатели
Поршень, шатун, коленчатый вал и маховик
Распределительный механизм
Установка жидкостного подогревателя
Установка системы питания жидкостного подогревателя
Выпускной газопровод
Масляный картер
Масляный насос, приемник масляного насоса
Центробежный маслоочиститель
Установка масляного радиатора двигателя
Установка пускового подогревателя на автомобиль ЗИЛ-5301
Установка системы питания подогревателя на автомобиль ЗИЛ-5301
Система питания дизеля
Воздухоподводящий тракт и маслопроводы турбокомпрессора
Установка топливоподающей аппаратуры
Топливный насос высокого давления
Регулятор топливного насоса высокого давления
Корректор по наддуву
Подкачивающий насос
Форсунка
Форсунка
Фильтр тонкой очистки топлива
Система питания дизеля автомобиля ЗИЛ-5301
Фильтр грубой очистки топлива
Установка воздушного фильтра
Привод управления подачей топлива
Установка системы выхлопа отработавших газов
Система охлаждения двигателя
Термостат
Жидкостный насос и вентилятор
Сцепление
Картер сцепления
Педаль и привод управления сцеплением
Установка педалей сцепления и тормоза
Главный цилиндр управления сцеплением
Бачек главного цилиндра управления сцеплением и его установка
Пневмогидравлический усилитель привода управления сцеплением
Детали коробки передач
Верхняя крышка и механизм переключения передач
Передача карданная
Картер, полуоси и главная передача заднего моста
Рама автомобиля ЗИЛ-5301
Рама автобусов ЗИЛ-32501, ЗИЛ-3250
Передняя подвеска
Задняя подвеска
Амортизатор передней и задней подвески
Ось передняя и рулевые тяги
Колеса и шины
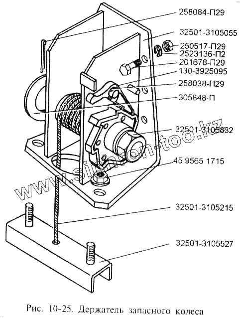
Держатель запасного колеса
Рулевой механизм
Колонка рулевого управления
Карданный вал рулевого управления
Установка трубопроводов гидроусилителя руля
Бачок насоса гидроусилителя рулевого управления
Насос рулевого усилителя
Схема тормозного привода, разделённого по бортам
схема тормозного привода, разделённого по мостам
Пневмокомпрессор и его установка
Установка воздушных баллонов
Установка контрольно-предохранительной аппаратуры
Установка тормозного крана
Установка тормозного крана
установка трубопроводов тормозного привода, разделённого по бортам
Установка трубопроводов тормозного привода, разделённого по мостам
Установка регуляторов тормозных сил гидропривода
Установка двухполостной пневмокамеры и главного цилиндра гидропривода
Установка однополостной пневмокамеры и главного цилиндра гидропривода
Тормозной механизм и ступица переднего колеса
Тормозной механизм и ступица заднего колеса
Цилиндр заднего тормоза
Главный цилиндр гидротормозов
Главный цилиндр гидротормозов
Установка привода стояночного тормоза от энергоаккумулятора
Установка привода стояночного тормоза
Влагомаслоотделитель
Кран слива конденсатора
Кран тормозной двухсекционный
Клапан защитный тройной
Клапан контрольного вывода
Пневмокамера однополостная
Пневмокамера двухполостная
Устройство сигнальное
Одинарный защитный клапан
Клапан быстрого выпуска воздуха
Пружинный энергоаккумулятор
Регулятор давления гидротормозов
Установка регулятора тормозных сил
Регулятор тормозных сил
Упругий элемент регулятора тормозных сил
Установка тормозной пневмоаппаратуры в кабине водителя
Тормозной кран стояночной системы
Схема тормозного привода с АБС
Установка трубопроводов тормозного привода, разделённого по мостам
Установка привода стояночного тормоза автобусов ЗИЛ-32501 и ЗИЛ-3250
Установка воздушных баллонов
Установка тормозного крана и модулятора АБС
Установка регулятора тормозных сил и модуляторов АБС
Модулятор АБС
Регулятор давления
Схема расположения пучков приводов и приборов
Генератор и его установка
Стартёр
Установка аккумуляторной батарейки
Фара, плафон, фонарь боковой указателей поворота, фонарь габаритный и фара противотуманная
Лампы переносная и подкапотная
Установка задних фонарей
Установка звукового сигнала
Установка предохранителей и реле
Щиток приборов
Щиток приборов
Установка гибкого вала привода спидометра
Рекомендуемый набор инструмента водителя
Основные сведения и техническая характеристика
Технические характеристики автобусов и фургонов
Габаритные размеры
Габаритные размеры
Габаритные размеры
32501-3105832
201678-П29
250517-П29
4595651715
32501-3105055
32501-3105527
130-3925095
32501-3105215
305848-П
2523136-П2
258038-П29
258084-1729
Позиция на иллюстрации
Заводской номер детали
Название детали
32501-3105832
32501-3105832
Барабан с храповым колесом в сборе
201678-П29
201678-П29
Болт
301431-01
301431-01
Болт
133-3925231
133-3925231
Втулка обжимная троса
250517-П29
250517-П29
Гайка
4595651715
4595651715
Гайка
32501-3105010
32501-3105010
Держатель запасного колеса с лебедкой в сборе
32501-3105055
32501-3105055
Кронштейн с пластинами в сборе
32501-3105527
32501-3105527
Пластина с болтами в сборе
130-3925095
130-3925095
Собачка лебедки
32501-3105215
32501-3105215
Трос лебедки
305848-П
305848-П
Шайба
2523136-П2
2523136-П2
Шайба пружинная
258038-П29
258038-П29
Шплинт
258084-1729
258084-1729
Шплинт
Содержащиеся в справочниках-каталогах запасные части и детали не предлагаются к продаже, а носят исключительно информационный характер
Дополнительная информация
×
Название:
Номер:
Примечание: