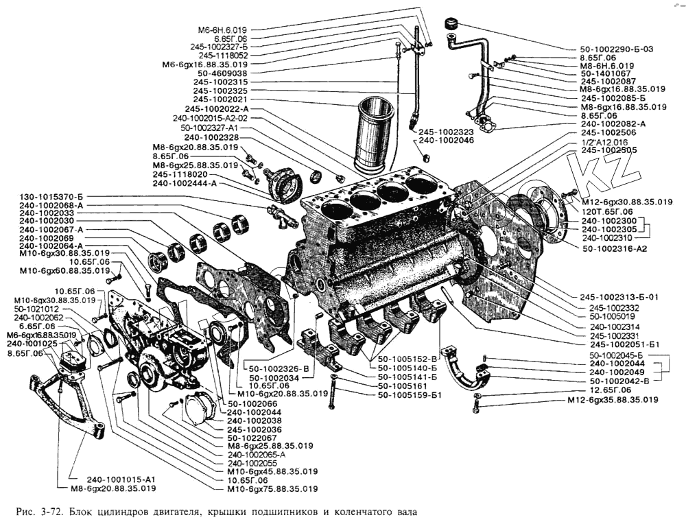
Каталог запасных частей к технике: ЗИЛ-3250. Блок цилиндров двигателя, крышки подшипников и коленчатого вала
240-1002033
50-1021012
50-1002316-А2
245-1002506
240-1002444-А
240-1002314
240-1002082-А
240-1002064-А
240-1002049
240-1002038
245-1002051-Б1
50-1002327-А1
245-1002331
1/2"А12.016
245-1002327-Б
50-1002045-Б
50-1002042-В
240-1001015-А1
50-1002066
240-1002310
50-1401067
240-1002030
245-1002323
50-1002034
50-1005019
240-1002046
240-1002044
240-1002044
245-1002332
8.65Г.06
8.65Г.06
8.65Г.06
8.65Г.06
6.65Г.06
6.65Г.06
240-1002305
50-1005161
120Т.65Г.06
12.65Г.06
10.65Г.06
10.65Г.06
10.65Г.06
10.65Г.06
245-1118052
245-1002505
245-1002087
245-1002315
245-1002325
М12-6gх30.88.35.019
М8-6Н.6.019
М6-6Н.6.019
240-1002069
240-1002068-А
240-1002067-А
М8-6gх25.88.35.019
М8-6gх25.88.35.019
М8-6gх20.88.35.019
М8-6gх20.88.35.019
М8-6gх16.88.35.019
М8-6gх16.88.35.019
М6-6gх16.88.35.019
М6-6gх16.88.35.019
М12-6gх35.88.35.019
245-1002021
М10-6gх75.88.35.019
М10-6gх60.88.35.019
М10-6gх45.88.35.019
М10-6gх30.88.35.019
М10-6gх30.88.35.019
М10-6gх20.88.35.019
50-1005159-Б1
240-1002015-А2-02
245-1002036
240-1002055
245-1002313-Б-01
240-1002065-А
50-1005140-Б
50-1005152-В
50-1005141-Б
50-1002290-Б-03
245-1118020
240-1001025
240-1002062
130-1015370-Б
240-1002300
50-4609038
50-1022067
245-1002022-А
50-1002326-В
240-1002328
245-1002085-Б
| Позиция на иллюстрации | Заводской номер детали | Название детали | |
|---|---|---|---|
| 240-1002033 | 240-1002033 | Прокладка | |
| 50-1002318-Б | 50-1002318-Б | Рым | |
| 50-1021012 | 50-1021012 | Прокладка | |
| 50-1002316-А2 | 50-1002316-А2 | Прокладка | |
| 245-1002506 | 245-1002506 | Прокладка | |
| 240-1002444-А | 240-1002444-А | Прокладка | |
| 240-1002314 | 240-1002314 | Прокладка | |
| 240-1002082-А | 240-1002082-А | Прокладка | |
| 240-1002064-А | 240-1002064-А | Прокладка | |
| 240-1002049 | 240-1002049 | Прокладка | |
| 240-1002038 | 240-1002038 | Прокладка | |
| 245-1002051-Б1 | 245-1002051-Б1 | Трубка | |
| 50-1002327-А1 | 50-1002327-А1 | Пробка | |
| 245-1002331 | 245-1002331 | Пробка | |
| 1/2"А12.016 | 1/2"А12.016 | Пробка | |
| 245-1002327-Б | 245-1002327-Б | Планка | |
| 50-1002045-Б | 50-1002045-Б | Опора картера в сборе | |
| 50-1002042-В | 50-1002042-В | Опора картера | |
| 240-1001015-А1 | 240-1001015-А1 | Опора | |
| 50-1002066 | 50-1002066 | Маслоотражатель | |
| 240-1002310 | 240-1002310 | Манжета в сборе | |
| 50-1401067 | 50-1401067 | Шайба | |
| 240-1002030 | 240-1002030 | Щит | |
| 245-1002323 | 245-1002323 | Штуцер | |
| 50-1002034 | 50-1002034 | Штифт установочный | |
| 50-1005019 | 50-1005019 | Штифт | |
| 240-1002046 | 240-1002046 | Штифт | |
| 240-1002044 | 240-1002044 | Штифт | |
| 245-1002332 | 245-1002332 | Шпилька | |
| 8.65Г.06 | 8.65Г.06 | Шайба | |
| 6.65Г.06 | 6.65Г.06 | Шайба | |
| 240-1002305 | 240-1002305 | Манжета | |
| 50-1005161 | 50-1005161 | Шайба | |
| 120Т.65Г.06 | 120Т.65Г.06 | Шайба | |
| 12.65Г.06 | 12.65Г.06 | Шайба | |
| 10.65Г.06 | 10.65Г.06 | Шайба | |
| 245-1118052 | 245-1118052 | Хомут | |
| 245-1002505 | 245-1002505 | Фланец подводящий | |
| 245-1002087 | 245-1002087 | Упор | |
| 245-1002315 | 245-1002315 | Указатель уровня масла | |
| 245-1002325 | 245-1002325 | Трубка | |
| М12-6gх30.88.35.019 | М12-6gх30.88.35.019 | Болт | |
| М8-6Н.6.019 | М8-6Н.6.019 | Гайка | |
| М6-6Н.6.019 | М6-6Н.6.019 | Гайка | |
| 240-1002069 | 240-1002069 | Втулка | |
| 240-1002068-А | 240-1002068-А | Втулка | |
| 240-1002067-А | 240-1002067-А | Втулка | |
| М8-6gх25.88.35.019 | М8-6gх25.88.35.019 | Болт | |
| М8-6gх20.88.35.019 | М8-6gх20.88.35.019 | Болт | |
| М8-6gх16.88.35.019 | М8-6gх16.88.35.019 | Болт | |
| М6-6gх16.88.35.019 | М6-6gх16.88.35.019 | Болт | |
| М12-6gх35.88.35.019 | М12-6gх35.88.35.019 | Болт | |
| 245-1002021 | 245-1002021 | Гильза блока цилиндров | |
| М10-6gх75.88.35.019 | М10-6gх75.88.35.019 | Болт | |
| М10-6gх60.88.35.019 | М10-6gх60.88.35.019 | Болт | |
| М10-6gх45.88.35.019 | М10-6gх45.88.35.019 | Болт | |
| М10-6gх30.88.35.019 | М10-6gх30.88.35.019 | Болт | |
| М10-6gх25.88.35.019 | М10-6gх25.88.35.019 | Болт | |
| М10-6gх20.88.35.019 | М10-6gх20.88.35.019 | Болт | |
| 50-1005159-Б1 | 50-1005159-Б1 | Болт | |
| 245-1002009-Б | 245-1002009-Б | Блок цилиндров с крышками подшипников и втулками в сборе | |
| 240-1002015-А2-02 | 240-1002015-А2-02 | Блок цилиндров | |
| 245-1002036 | 245-1002036 | Крышка | |
| 240-1002055 | 240-1002055 | Манжета | |
| 245-1002313-Б-01 | 245-1002313-Б-01 | Лист | |
| 240-1002065-А | 240-1002065-А | Крышка шестерен | |
| 245-1002060-А | 245-1002060-А | Крышка распределительных шестерен с манжетой в сборе | |
| 50-1005140-Б | 50-1005140-Б | Крышка коренного подшипника | |
| 50-1005152-В | 50-1005152-В | Крышка 5-го подшипника | |
| 50-1005141-Б | 50-1005141-Б | Крышка 1-го подшипника | |
| 50-1002290-Б-03 | 50-1002290-Б-03 | Крышка | |
| 245-1118020 | 245-1118020 | Крышка | |
| 240-1001025 | 240-1001025 | Амортизатор | |
| 240-1002062 | 240-1002062 | Крышка | |
| 130-1015370-Б | 130-1015370-Б | Кран сливной в сборе | |
| 240-1002300 | 240-1002300 | Корпус манжеты | |
| 50-4609038 | 50-4609038 | Кольцо уплотнительное | |
| 50-1022067 | 50-1022067 | Кольцо уплотнительное | |
| 245-1002022-А | 245-1002022-А | Кольцо гильзы | |
| 50-1002326-В | 50-1002326-В | Заглушка | |
| 240-1002328 | 240-1002328 | Заглушка | |
| 245-1002085-Б | 245-1002085-Б | Горловина |
Содержащиеся в справочниках-каталогах запасные части и детали не предлагаются к продаже, а носят исключительно информационный характер