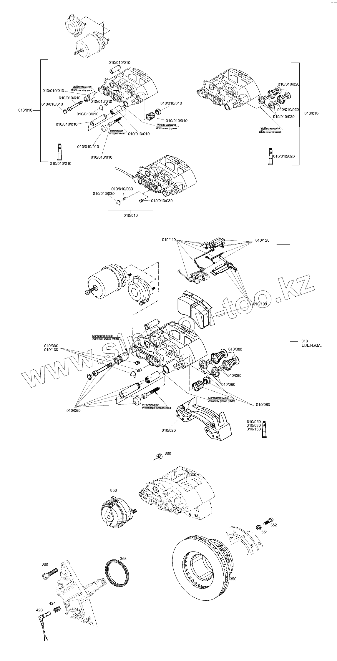
Каталог запасных частей к технике: ZF Мост передний ZF RL-85A. BRAKE
010
010.010
010.010
010.010
010.010.010
010.010.010
010.010.010
010.010.010
010.010.010
010.010.010
010.010.010
010.010.010
010.010.010
010.010.010
010.010.010
010.010.010
010.010.010
010.010.020
010.010.020
010.010.020
010.010.020
010.010.030
010.010.030
010.010.030
010.020
010.060
010.060
010.060
010.080
010.080
010.080
010.080
010.090
010.100
010.100
010.110
010.120
010.130
060
350
351
352
358
420
424
850
860
| Позиция на иллюстрации | Заводской номер детали | Название детали | |
|---|---|---|---|
| 010 | 0501.008.098 | DISC BRAKE | |
| 010.010 | 0501.216.167 | CALIPER | |
| 010.010.010 | 0501.213.688 | SEAL KIT | |
| 010.010.020 | 0501.215.083 | THRUST PIECE | |
| 010.010.030 | 0501.213.690 | NACHSTELLSATZ | |
| 010.020 | 0501.213.687 | BR.ANCHOR PLATE | |
| 010.060 | 0501.213.688 | SEAL KIT | |
| 010.080 | 0501.215.083 | THRUST PIECE | |
| 010.090 | 0501.213.690 | NACHSTELLSATZ | |
| 010.100 | 0501.215.084 | BR.LINING KIT | |
| 010.110 | 0501.213.118 | VERSCHL.SATZ | |
| 010.120 | 0501.213.117 | VERSCHL.SATZ | |
| 010.130 | 0501.319.947 | MONTAGEFETT | |
| 060 | 0636.101.829 | CAP SCREW | |
| 350 | 0501.316.953 | BRAKE DISC | |
| 351 | 0730.104.366 | WASHER | |
| 352 | 0636.101.741 | CAP SCREW | |
| 358 | 0501.320.845 | PULSE DISC | |
| 420 | 0501.316.950 | REV.COUNTER | |
| 424 | 0501.317.255 | BUSH | |
| 850 | 0501.324.579 | BRAKE CYLINDER | |
| 860 | 0637.011.615 | LOCKING NUT |
Содержащиеся в справочниках-каталогах запасные части и детали не предлагаются к продаже, а носят исключительно информационный характер