Каталог запасных частей к технике: ZF Мост передний ZF RL-85A. BRAKE
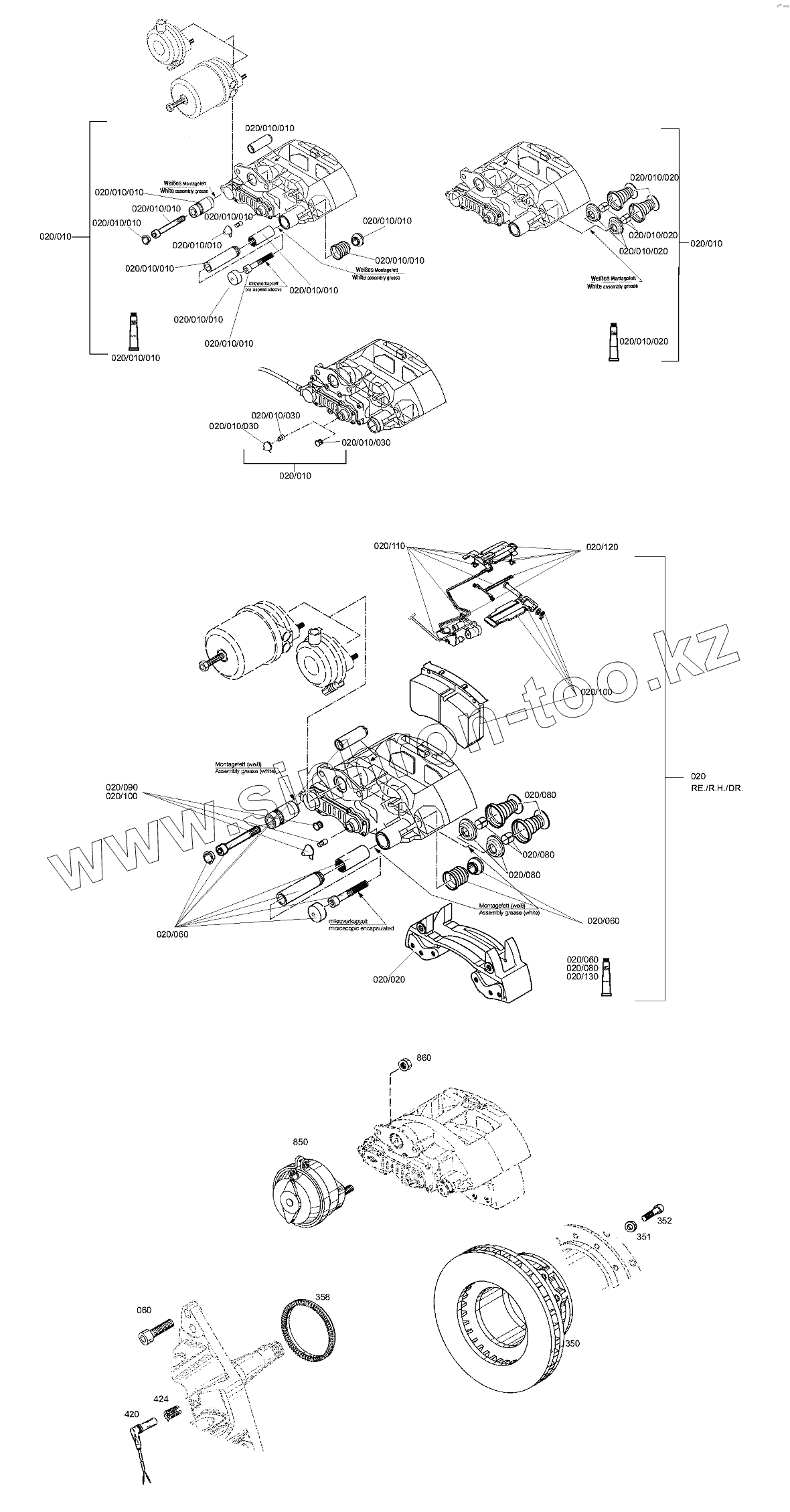
020
020.010
020.010
020.010
020.010.010
020.010.010
020.010.010
020.010.010
020.010.010
020.010.010
020.010.010
020.010.010
020.010.010
020.010.010
020.010.010
020.010.010
020.010.020
020.010.020
020.010.020
020.010.030
020.010.030
020.010.030
020.020
020.060
020.060
020.060
020.080
020.080
020.080
020.080
020.090
020.100
020.100
020.110
020.120
020.130
060
350
351
352
358
420
424
850
860
| Позиция на иллюстрации | Заводской номер детали | Название детали | |
|---|---|---|---|
| 020 | 0501.008.099 | DISC BRAKE | |
| 020.010 | 0501.216.168 | CALIPER | |
| 020.010.010 | 0501.213.688 | SEAL KIT | |
| 020.010.020 | 0501.215.083 | THRUST PIECE | |
| 020.010.030 | 0501.213.690 | NACHSTELLSATZ | |
| 020.020 | 0501.213.687 | BR.ANCHOR PLATE | |
| 020.060 | 0501.213.688 | SEAL KIT | |
| 020.080 | 0501.215.083 | THRUST PIECE | |
| 020.090 | 0501.213.690 | NACHSTELLSATZ | |
| 020.100 | 0501.215.084 | BR.LINING KIT | |
| 020.110 | 0501.213.118 | VERSCHL.SATZ | |
| 020.120 | 0501.213.117 | VERSCHL.SATZ | |
| 020.130 | 0501.319.947 | MONTAGEFETT | |
| 060 | 0636.101.829 | CAP SCREW | |
| 350 | 0501.316.953 | BRAKE DISC | |
| 351 | 0730.104.366 | WASHER | |
| 352 | 0636.101.741 | CAP SCREW | |
| 358 | 0501.320.845 | PULSE DISC | |
| 420 | 0501.316.950 | REV.COUNTER | |
| 424 | 0501.317.255 | BUSH | |
| 850 | 0501.324.580 | BRAKE CYLINDER | |
| 860 | 0637.011.615 | LOCKING NUT |
Содержащиеся в справочниках-каталогах запасные части и детали не предлагаются к продаже, а носят исключительно информационный характер