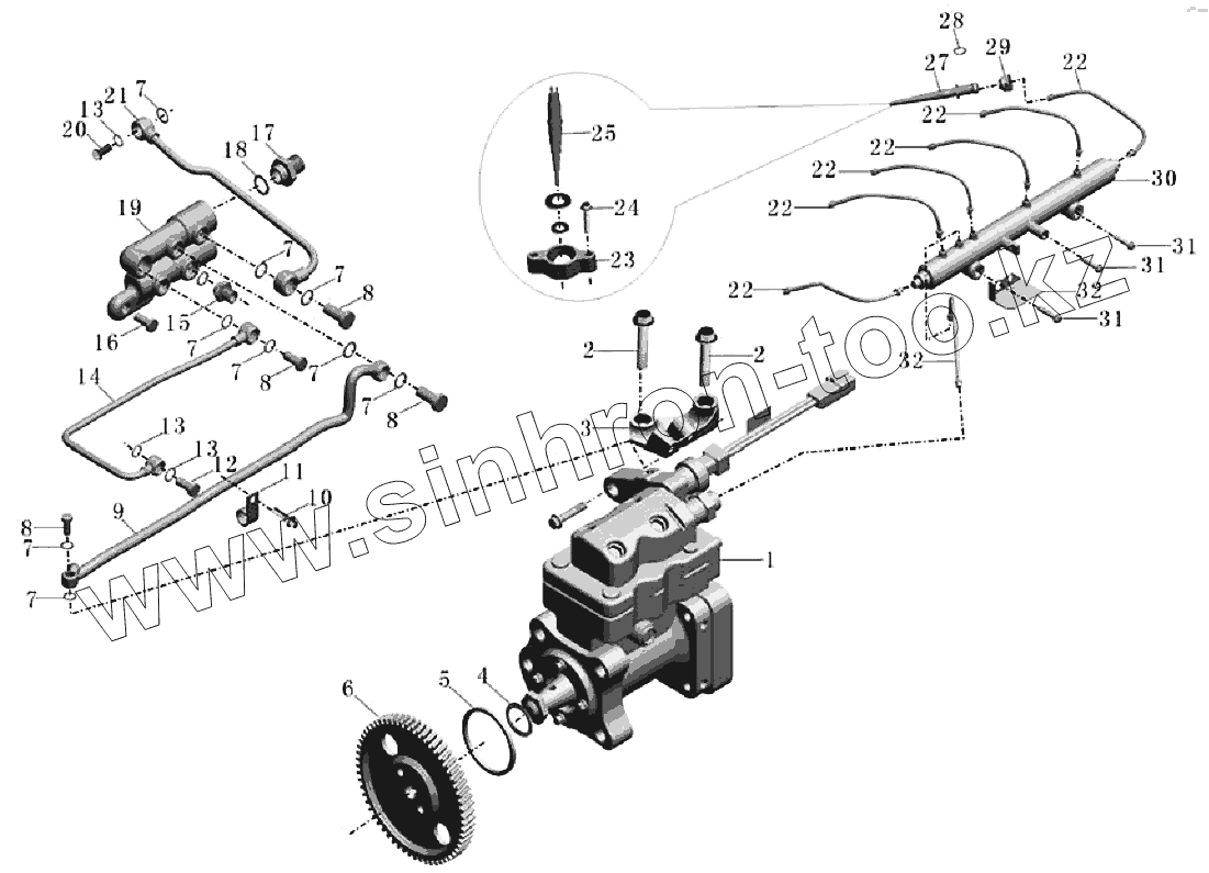
Каталог запасных частей к технике: Yutong Автобус ZK6119HA-3. 1000-00608 Топливный насос и связка трубопроводов
1
2
2
3
4
5
6
7
7
7
7
7
7
7
7
7
8
8
8
8
9
10
11
12
13
13
13
14
15
16
17
18
19
20
21
22
22
22
22
22
22
23
24
25
27
28
29
30
31
31
31
32
33
| Позиция на иллюстрации | Заводской номер детали | Название детали | |
|---|---|---|---|
| 1 | 3971709 | Топливный насос | |
| 2 | 3925437 | Шестиугольный болт с фланцевой головкой | |
| 3 | 3968429 | Кронштейн топливного насоса | |
| 4 | 3926722 | Прокладка уплотняющая квадратная | |
| 5 | 3899283 | Кольцо уплотнительное | |
| 6 | 1111-00114 | Шестерня топливного насоса, ISLe 350 | |
| 7 | 3963990 | Шайба уплотнительная сливной пробки медная | |
| 8 | 3903035 | Болт барабанного штуцера | |
| 9 | 1104-00553 | Возвратная топливная труба 1 | |
| 10 | 3903990 | Шестиугольный болт с фланцевой головкой | |
| 11 | 3629452 | Держатель трубы | |
| 12 | 3924725 | Болт барабанного штуцера | |
| 13 | 3963988 | Шайба уплотнительная сливной пробки медная | |
| 14 | 1104-00554 | Возвратная топливная труба 2 | |
| 15 | 3678924 | Пробка-болт | |
| 16 | 3089016 | Шестиугольный болт с фланцевой головкой | |
| 17 | 3061832 | Штуцер с внешней нарезкой | |
| 18 | 3046201 | Кольцо уплотнительное | |
| 19 | 3966656 | Штуцер топливной системы | |
| 20 | 3957290 | Обратный клапан | |
| 21 | 1104-00555 | Возвратная топливная труба 3 | |
| 22 | 1104-00458 | Набор трубок высокого давления | |
| 23 | 3959045 | Прижим форсунки | |
| 24 | 4017567 | Шестиугольный болт с фланцевой головкой | |
| 25 | 3976631 | Форсунка | |
| 26 | 4062328 | О-образное уплотнительное кольцо | |
| 27 | 4088576 | Топливный трубопровод форсунки | |
| 28 | 4076624 | Шпонка пальца | |
| 29 | 3946625 | Манжета штуцера форсунки | |
| 30 | 1129-00032 | Топливный трубчатый рельс | |
| 31 | 1300-00071 | D шестигранный болт натяжного колеса | |
| 32 | 3966853 | Трубодержатель | |
| 33 | 1104-00559 | Трубка топливная высокого давления |
Содержащиеся в справочниках-каталогах запасные части и детали не предлагаются к продаже, а носят исключительно информационный характер