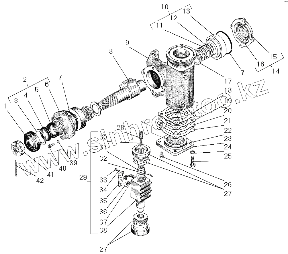
Каталог запасных частей к технике: УралАЗ СПТС УРАЛ-32552. Механизм рулевой
1
2
3
4
5
6
7
7
8
9
10
11
12
13
14
15
16
17
18
19
20
21
22
23
24
25
26
27
27
28
29
30
31
32
33
34
35
36
37
38
39
40
41
42
| Позиция на иллюстрации | Заводской номер детали | Название детали | |
|---|---|---|---|
| 1 | 64221-3401066 | Уплотнитель | |
| 2 | 5336-3401080 | Крышка в сборе | |
| 3 | 400424 | Кольцо А65 | |
| 4 | 5336-3401108-01 | Кольцо защитное | |
| 5 | 1.2-45x65-3 | Манжета | |
| 6 | 5336-3401083 | Крышка | |
| 7 | 098-102-25-2-3 | Кольцо | |
| 8 | 5336-3401065-02 | Сектор | |
| 9 | 5336-3401015 | Картер | |
| 10 | 6422-3401086-20 | Крышка в сборе | |
| 11 | 6422-3401122-20 | Втулка | |
| 12 | 6-ИК8-45х55х16 | Подшипник | |
| 13 | 6422-3401084-10 | Вкладыш | |
| 14 | 5336-3401086 | Крышка в сборе | |
| 15 | 5336-3401159 | Фиксатор | |
| 16 | 5336-3401087 | Крышка | |
| 17 | 5336-3401156 | Кольцо | |
| 18 | 5336-3401185 | Прокладка | |
| 19 | 5336-3401186 | Прокладка | |
| 20 | 5336-3401187 | Прокладка | |
| 21 | 5336-3401188 | Прокладка | |
| 22 | 082-090-46-2-3 | Кольцо | |
| 23 | 5336-3401061 | Крышка нижняя | |
| 24 | 252137-П2 | Шайба 12 пружинная | |
| 25 | 371700 | Болт М12х1,25х30 | |
| 26 | 2-2МК10 | Пробка МК10 | |
| 27 | 263706E | Подшипник роликовый | |
| 28 | 008-012-25-2-3 | Кольцо | |
| 29 | 5336-3401030 | Винт с гайкой | |
| 30 | 5336-3401148 | Торсион | |
| 31 | 5336-3401038 | Винт | |
| 32 | 5336-3401162 | Фиксатор торсиона | |
| 33 | 220101-П29 | Винт М6-6gх8 | |
| 34 | 252134-П2 | Шайба 6 пружинная | |
| 35 | 5336-3401057 | Прижим | |
| 36 | 5336-3401056 | Направляющая | |
| 37 | 7,938-40 | Шарик | |
| 38 | 5336-3401036 | Гайка-рейка | |
| 39 | 252156-П2 | Шайба 10 пружинная | |
| 40 | 201497-П29 | Болт М10-6gх25 | |
| 41 | 335065-П29 | Гайка М33х1,5 | |
| 42 | 4598711226 | Шплинт 5х63 |
Содержащиеся в справочниках-каталогах запасные части и детали не предлагаются к продаже, а носят исключительно информационный характер