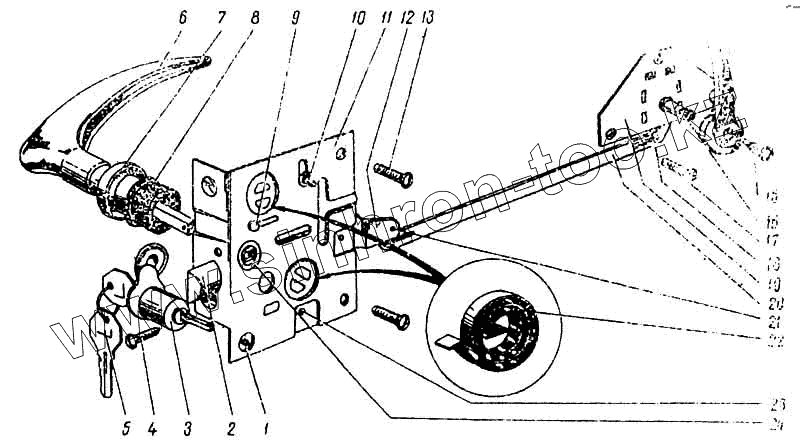
Каталог запасных частей к технике: ПАЗ-672М. Замок двери кабины водителя
1
2
3
4
5
6
7
8
9
10
11
12
13
15
16
17
18
19
20
21
22
23
23
24
| Позиция на иллюстрации | Заводской номер детали | Название детали | |
|---|---|---|---|
| А36-6105004 | А36-6105004 | Пружина щеколды левая | |
| 224624-П8 | 224624-П8 | Винт М6х14 | |
| А35-6105005 | А35-6105005 | Щеколда замка | |
| М-40380 | М-40380 | Штифт механизма внутренней ручки | |
| 81 - 6105178 | 81 - 6105178 | Шпильки | |
| А37-6105005 | А37-6105005 | Шайба штифта механизма внутренней ручки | |
| 252134-П2 | 252134-П2 | Шайба пружинная диам 6 | |
| А35-6105002 | А35-6105002 | Шайба волнистая | |
| А37-6105008 | А37-6105008 | Скоба привода замка двери | |
| М-46381 | М-46381 | Пружина штифта механизма внутренней ручки | |
| А25-6105008 | А25-6105008 | Пружина плоская | |
| М-46391 | М-46391 | Пружина левая | |
| 81-6105083 | 81-6105083 | Привод замка левый в сборе | |
| 672-6405060А | 672-6405060А | Основание под упор замка двери водителя | |
| А104-6105013 | А104-6105013 | Направляющая втулка | |
| 81-6105092-А | 81-6105092-А | Кривошип привода замка двери в сборе | |
| 30-5606180 | 30-5606180 | Ключ | |
| 672-6405013 | 672-6405013 | Замок двери | |
| 253570-П | 253570-П | Заклепка с потайной головкой | |
| 672-6405054-01 | 672-6405054-01 | Держатель выключения замка в сборе | |
| 1 | А35-6105003 | Кулачок щеколды замка двери | |
| 2 | А39-6205002-Б | Язык замка двери | |
| 3 | 652-6105120 | Выключатель замка двери водителя в сборе | |
| 4 | 220077-П8 | Винт М5х10 крепления выключателя | |
| 5 | 51-3704100 | Ключ | |
| 6 | 652-6105074 | Ручка двери наружная в сборе | |
| 7 | 81-6105168 | Втулка | |
| 8 | 81-6105172 | Кольцо втулки | |
| 9 | А36-6105007 | Толкатель замка двери левый | |
| 10 | 672-6405020 | Шпилька выключения замка двери | |
| 11 | 81-6105017-Б | Корпус замка двери левый | |
| 12 | 81-6105025-Б | Ползун замка двери левый | |
| 13 | 221606-П8 | Винт М6х18 крепления петли | |
| 14 | 81-6105182 | Ручка привода замка двери | |
| 15 | 224598-П29 | Винт М5х0,8х14 крепления ручки | |
| 16 | 81-0105094-А | Стержень привода замка | |
| 17 | 221606-П8 | Винт М6х18 крепления петли | |
| 18 | А37-6105003 | Кривошип механизма внутренней ручки | |
| 19 | А31-6105001 | Пластина привода замка двери | |
| 20 | 672-6405050 | Тяга привода замка двери | |
| 21 | А25-6105009 | Штифт хвоста защелки | |
| 22 | А35- 6105008 | Пружина замка двери | |
| 23 | 81-6105061-Б | Поводок толкателя замка двери левый | |
| 23 | 352040-П5 | Шарнирная заклепка | |
| 24 | 81-6105063-А | Кулачок толкателя замка двери левый | |
| 28 | 652-6105074 | Ручка двери наружная в сборе |
Содержащиеся в справочниках-каталогах запасные части и детали не предлагаются к продаже, а носят исключительно информационный характер