Каталог запасных частей к технике: ПАЗ-672М. Газопровод
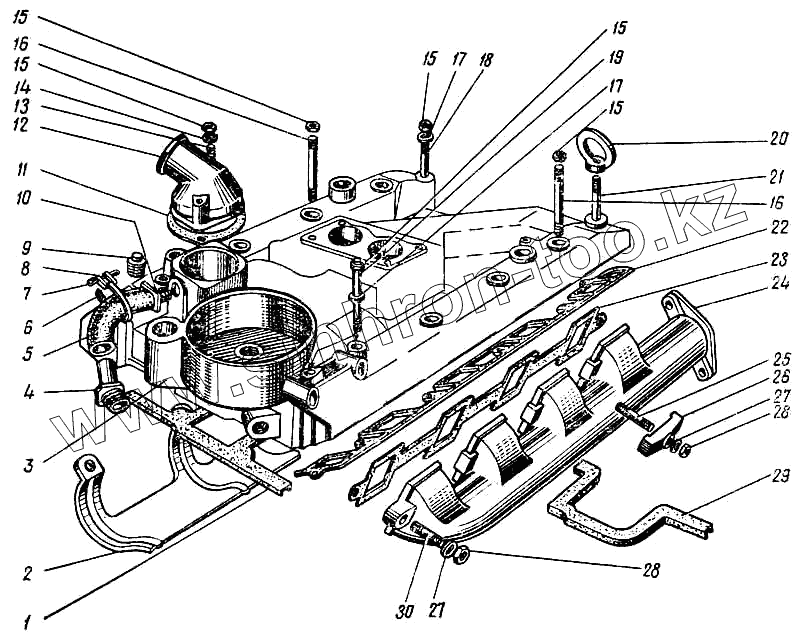
1
2
3
4
5
6
7
8
9
10
11
12
13
14
15
15
15
15
15
16
16
17
17
18
19
20
21
22
23
24
25
26
27
27
28
28
29
30
| Позиция на иллюстрации | Заводской номер детали | Название детали | |
|---|---|---|---|
| 53-1009010 | 53-1009010 | Смазочная емкость в сборе | |
| 66-1008030-Д | 66-1008030-Д | Коллектор выпускной правый | |
| 1 | 66-1008081-12 | Прокладка впускной трубы передняя | |
| 2 | 13-10008096 | Кожух газопровода | |
| 3 | 672-1008014 | Труба впускная в сборе | |
| 4 | 66-11303075 | Штуцер 3/8" соединительного шланга перепускного канала водяной рубашки цилиндров, входной | |
| 5 | 66-1303060-Б | Шланг соединительный перепускного канала водяной рубашки | |
| 6 | 297584-П8 | Лента стяжная хомутика шланга 10х235 | |
| 7 | 297575-П8 | Шплинт стяжной хомутика шланга | |
| 8 | 297580-П8 | Пряжка хомутика шланга | |
| 9 | 262507-П | Пробка 3/8" | |
| 10 | 13-1303065-Б | Штуцер К3/8 соединительного шланга перепускного канала водяной рубашки выходной | |
| 11 | 13-1008155 | Прокладка выпускного патрубка | |
| 12 | 13-1008150-Б | Патрубок выпускной водяной рубашки цилиндров | |
| 13 | 291754-П2 | Шпилька М8х1х42 крепления выпускного патрубка | |
| 14 | 252155-П2 | Шайба 8 пружинная | |
| 15 | 250503-П8 | Гайка М8х1 | |
| 16 | 291762-П | Шпилька М8х1х75 крепления выпускной трубы | |
| 17 | 293257-П8 | Шайба 8,5 | |
| 18 | 291758-П2 | Шпилька М8х1х58 | |
| 19 | 291768-П | Шпилька М8х1х88 крепления выпускной трубы | |
| 20 | 1-3-1008135 | Гайка грузовая | |
| 21 | 291807-П | Шпилька М10х1х75 | |
| 22 | 13-1008080-Б | Прокладка впускной трубы боковая | |
| 23 | 13-1008027-Б | Прокладка выпускного коллектора | |
| 24 | 66-11008025-Г | Коллектор выпускной левый | |
| 25 | 291777-П | Шпилька М10х1х45 крепления выпускного коллектора | |
| 26 | 13-1008057 | Планка крепления выпускного коллектора | |
| 27 | 252006-П8 | Шайба диам 10 гаек выпускного коллектора | |
| 28 | 292765-П | Гайка М10х1 | |
| 29 | 66-1008079-Б | Прокладка впускной трубы задняя | |
| 30 | 291797-П | Шпилька М101х30 крепления выпускного коллектора |
Содержащиеся в справочниках-каталогах запасные части и детали не предлагаются к продаже, а носят исключительно информационный характер