Каталог запасных частей к технике: ПАЗ-4230. Электрооборудование автобуса
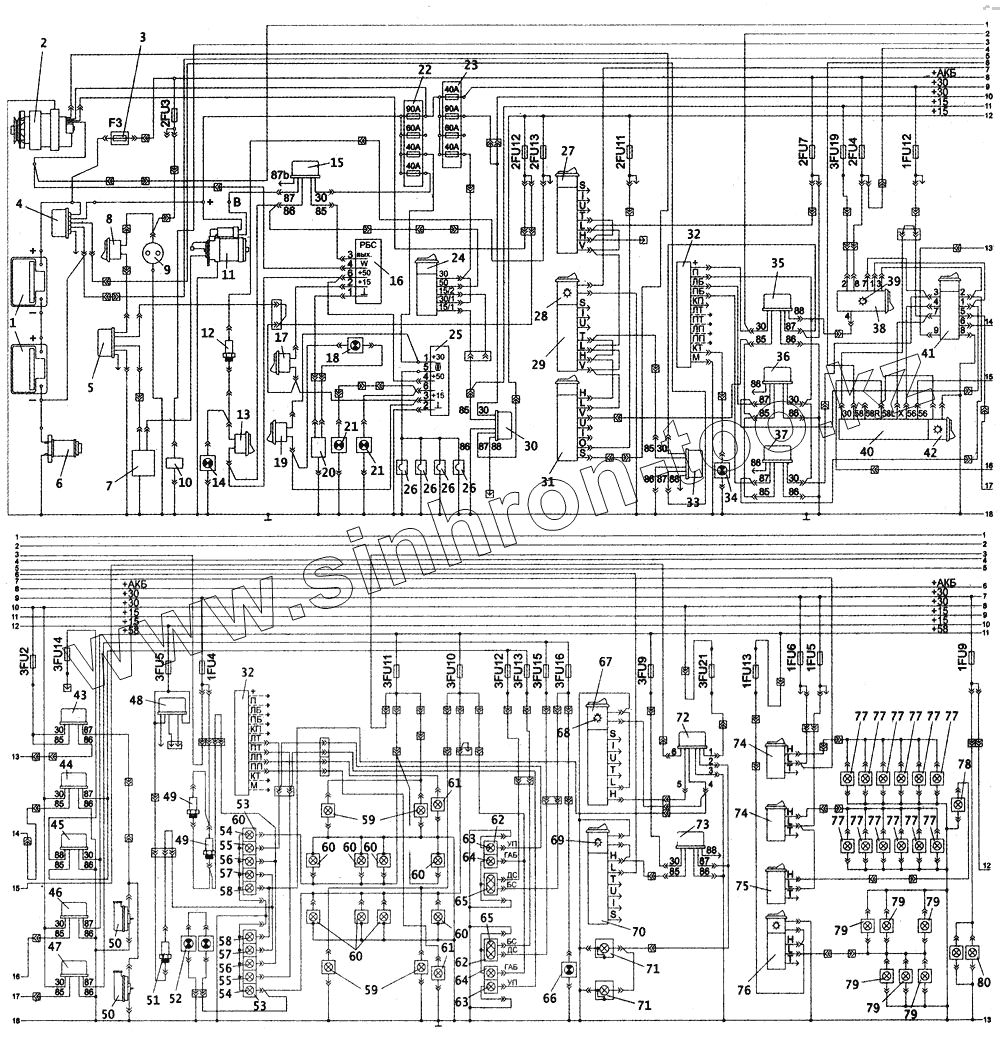
1
2
3
4
5
6
7
8
9
10
11
11
12
13
14
15
16
17
18
19
20
21
21
22
23
24
25
26
26
26
26
27
28
29
30
31
32
32
33
34
35
36
37
38
39
40
41
42
43
44
45
46
47
48
49
49
50
50
50
51
52
53
53
54
54
55
55
56
56
57
57
58
58
59
59
60
60
60
60
60
60
60
61
61
62
62
63
63
64
64
65
65
66
67
68
69
70
71
71
71
72
73
74
74
75
76
77
77
77
77
77
77
77
77
77
77
77
77
77
78
79
79
79
79
79
79
80
| Позиция на иллюстрации | Заводской номер детали | Название детали | |
|---|---|---|---|
| 486 104 104 | 486 104 104 | Блок управления АБС | |
| 1 | 6-СТ132 | Аккумуляторная батарея | |
| 2 | 3112.3771 | Генератор | |
| 3 | ПР117 | Предохранитель | |
| 4 | 1402.3737 | Выключатель аккумуляторных батарей | |
| 5 | 905.3747 | Реле глушения двигателя | |
| 6 | ВК318Б | Выключатель МАССЫ | |
| 7 | ЭМ 19-03 | Электромагнитный клапан глушения ДВС | |
| 8 | 3832.3710-11.47 | Выключатель глушения двигателя в мотоотсеке | |
| 9 | ПС500 | Розетка | |
| 10 | Электромагнитный клапан отсечки топлива | Электромагнитный клапан отсечки топлива | |
| 11 | АZJ3381 | Стартер | |
| 11 | 9172780 | Стартер | |
| 12 | ВК418А | Выключатель фонарей заднего хода | |
| 13 | 3832.3710-11.00 | Выключатель пуска двигателя в мотоотсеке | |
| 14 | 2212.3803-57-А | Контрольная лампа «нейтраль» | |
| 15 | 738.3747-20 | Реле стартера | |
| 16 | 2632.3747 | Реле блокировки запуска стартера | |
| 17 | Кнопка сброса блокировки при повторном пуске | Кнопка сброса блокировки при повторном пуске | |
| 18 | 2212.3803-21-А | Сигнализатор открытого положения заднего люка | |
| 19 | 3832.3710-08.63 | Выключатель в мотоотсеке дублирующий запуск свечей накаливания | |
| 20 | ВКМ-0701 | Датчик положения заднего люка | |
| 21 | 3803-17-А | Сигнализатор включения свечей накаливания | |
| 22 | Ф5.3722.001 | Блок предохранителей БПР-4 | |
| 23 | Ф5.3722.001 | Блок предохранителей БПР-4 | |
| 24 | 24.3704 | Выключатель приборов и стартера | |
| 25 | Блок управления свечами накаливания | Блок управления свечами накаливания | |
| 26 | 11 720 720 | Свеча предпускового подогрева | |
| 27 | Выключатель глушения двигателя | Выключатель глушения двигателя | |
| 28 | Сигнализатор включения «+АКБ» | Сигнализатор включения «+АКБ» | |
| 29 | 771.3709-02.32 | Выключатель дистанционный аккумуляторных батарей | |
| 30 | П150-07.25 | Аварийный выключатель | |
| 31 | РС-951 | Выключатель аварийный | |
| 32 | Реле-прерыватель указателя поворотов | Реле-прерыватель указателя поворотов | |
| 33 | 905.3747 | Реле глушения двигателя | |
| 34 | 2212.3803-07-А | Сигнализатор указателей поворотов | |
| 35 | 905.3747 | Реле глушения двигателя | |
| 36 | 905.3747 | Реле глушения двигателя | |
| 37 | 905.3747 | Реле глушения двигателя | |
| 38 | 249.3710-02 | Выключателей аварийной сигнализации | |
| 39 | Контрольная лампа «аварийной сигнализации» | Контрольная лампа «аварийной сигнализации» | |
| 40 | 581.3710-01 | Центральный переключатель света | |
| 41 | 1112.3769-01 | Подрулевой переключатель света фар, указателей поворотов и звуковых сигналов | |
| 42 | Сигнализатор включения габаритных огней | Сигнализатор включения габаритных огней | |
| 43 | 90.3747-11 | Реле включения звуковых сигналов | |
| 44 | 90.3747-11 | Реле включения звуковых сигналов | |
| 45 | Реле дополнительное | Реле дополнительное | |
| 46 | Реле включения габаритного огня | Реле включения габаритного огня | |
| 47 | 90.3747-11 | Реле включения звуковых сигналов | |
| 48 | Реле дополнительное | Реле дополнительное | |
| 49 | 2802. 3829 | Датчик сигналов торможения | |
| 50 | С314 | Сигнал звуковой высокого тона | |
| 50 | С313 | Сигнал звуковой низкого тона | |
| 51 | ВК418А | Выключатель фонарей заднего хода | |
| 52 | 15.3717 | Фонарь освещения номерного знака | |
| 53 | 7442.3716-08/7442.3716-04 | Задние блоки фонарей | |
| 54 | А24-5 | Лампа заднего габаритного огня | |
| 55 | А24-12-3 (Р21W) | Лампа задних указателей поворота | |
| 56 | А24-12-3(Р21W) | Лампа сигналов торможения | |
| 57 | А24-12-3(Р21W) | Лампа сигналов торможения | |
| 58 | А24-12-3(Р21W) | Лампа сигналов торможения | |
| 59 | 262.3712/264.3712 | Верхние габаритные фонари (задние/передние) | |
| 60 | 49.3731-01/49.3731-03 | Боковые маркерные габаритные фонари (правый/левый) | |
| 61 | 56.3726 | Фонари боковых указателей поворотов | |
| 62 | 745.3711-01/746.3711-01 | Блок фара (левая/правая) | |
| 63 | А24-12-3(Р21W) | Лампа сигналов торможения | |
| 64 | А24-4-1 (Т4W) | Лампа переднего габаритного огня | |
| 65 | АКГ24-75-70 (Н4) | Лампа фары | |
| 66 | 2212.3803-28-А | Контрольная лампа ДАЛЬНИЙ СВЕТ | |
| 67 | 771.3709-02.07 | Выключатель противотуманных фонарей | |
| 68 | Сигнализатор включения противотуманных фонарей | Сигнализатор включения противотуманных фонарей | |
| 69 | Сигнализатор включения противотуманных фар | Сигнализатор включения противотуманных фар | |
| 70 | 82.3709-22.06 | Выключатель противотуманных фар | |
| 71 | АКГ24-55 (Н3) | Лампа фары противотуманной | |
| 71 | 244.3743 | Фара противотуманная | |
| 72 | 22.3777-01 | Реле включения противотуманных фонарей | |
| 73 | 905.3747 | Реле глушения двигателя | |
| 74 | 82.3709-21.12 | Выключатель плафонов освещения салона | |
| 75 | 82.3709-21.13 | Выключатель освещения места водителя | |
| 76 | 82.3709-21.21 | Выключатель освещения багажных отсеков | |
| 77 | 2902.3714/201.3714 | Плафон салона | |
| 77 | ВААФ.453754.002-01 | Светильник автотранспортный | |
| 78 | 2612.3714 | Плафон водителя | |
| 79 | 16.3714 | Плафон освещения багажных отсеков | |
| 80 | 26.12.3714 | Плафон освещения моторного отсека | |
| 81 | 2212.3803-40-А | Сигнализатор обогрева зеркал заднего вида | |
| 82 | 82.3709-22.18 | Выключатель обогрева зеркал заднего вида | |
| 83 | 592/004 | Блок управления зеркалами | |
| 84 | 82.3709-21.24 | Выключатель осушителя | |
| 85 | Сигнализатор работы осушителя | Сигнализатор работы осушителя | |
| 86 | Электродвигатели поворотных механизмов зеркал заднего вида | Электродвигатели поворотных механизмов зеркал заднего вида | |
| 87 | Электродвигатели поворотных механизмов зеркал заднего вида | Электродвигатели поворотных механизмов зеркал заднего вида | |
| 88 | 82.3709-21.00 | Выключатель циркуляционного насоса | |
| 89 | Сигнализатор включения циркуляционного насоса | Сигнализатор включения циркуляционного насоса | |
| 90 | 82.3709-21.23 | Выключатель предпускового подогревателя | |
| 91 | Сигнализатор запуска предпускового подогревателя | Сигнализатор запуска предпускового подогревателя | |
| 92 | Осушитель воздуха | Осушитель воздуха | |
| 93 | 9912.3709 | Подрулевой переключатель стеклоочистки | |
| 94 | 390 442 401 | Мотор-редуктор ВОSСН | |
| 95 | 31.3761.000 | Блок управления предпусковым подогревателем | |
| 96 | Электродвигатель стеклоомывателя | Электродвигатель стеклоомывателя | |
| 97 | 34.3730 | Электронасос | |
| 98 | 461.3747 | Реле времени работы стеклоочистителя | |
| 99 | Диод | Диод | |
| 100 | 82.3709-24.14 | Переключатель режимов обдува стекол | |
| 101 | 82.3709-24.09 | Переключатель отопителей салона | |
| 102 | 905.3747 | Реле глушения двигателя | |
| 103 | Электродвигатель отопителя салона | Электродвигатель отопителя салона | |
| 104 | Электродвигатели обдува стекол | Электродвигатели обдува стекол | |
| 105 | Лампа подсветки комбинации приборов | Лампа подсветки комбинации приборов | |
| 106 | Лампа подсветки тахографа | Лампа подсветки тахографа | |
| 107 | 1318-25 | Тахограф | |
| 108 | Датчик тахографа | Датчик тахографа | |
| 109 | 50.3801 | Комбинация приборов | |
| 109 | 32.3810 | Указатель давления масла в сборе | |
| 109 | 27.3812 | Вольтметр в сборе | |
| 109 | 35.3807 | Указатель температуры охлаждающей жидкости | |
| 109 | 33.3806 | Указатель уровня топлива в сборе | |
| 110 | 2541.3813010-10 | Тахометр | |
| 111 | Лампа подсветки тахометра | Лампа подсветки тахометра | |
| 112 | 2212.3803-20-А | Контрольная лампа «засоренность фильтра» | |
| 113 | 2212.3803-22-А | Сигнализатор аварийной температуры охлаждающей жидкости | |
| 114 | 2212.3803-19-А | Сигнализатор низкого уровня топлива | |
| 115 | 2212.3803-23-А | Сигнализатор аварийного давления масла | |
| 116 | 2212.3803-01-А | Сигнализатор аварийного давления воздуха в первом контуре | |
| 117 | 2212.3803-02-А | Сигнализатор аварийного давления воздуха во втором контуре | |
| 118 | 2212.3803-03-А | Сигнализатор аварийного давления воздуха в третьем контуре | |
| 120 | 2212.3803-04-А | Сигнализатор аварийного давления воздуха в четвертом контуре | |
| 121 | 2212.3803-05-А | Сигнализатор стояночного тормоза | |
| 122 | Реле дополнительное | Реле дополнительное | |
| 123 | 733. 3747-10 | Сигнализатор шумовой связи с водителем | |
| 124 | Реле дополнительное | Реле дополнительное | |
| 125 | ДСФ-65 | Датчик засоренности воздушного фильтра | |
| 126 | 2432.3828 | Датчик указателя температуры охлаждающей жидкости | |
| 127 | ТМ 111 | Датчик превышения температуры охлаждающей жидкости | |
| 128 | 5422.3827 | Датчик указателя уровня топлива | |
| 129 | 2812.3710-01 | Выключатель экстренного открывания двери | |
| 130 | 3902.3829 | Датчик указателя давления масла | |
| 131 | 2602.3829 | Датчик аварийного давления масла | |
| 132 | 2702.3829 | Датчик аварийного давления воздуха | |
| 133 | 2702.3829 | Датчик аварийного давления воздуха | |
| 134 | 3842.3710-08.46 | Выключатель открывания передней двери наружный | |
| 135 | Сигнализатор шумовой экстренного открывания передней двери | Сигнализатор шумовой экстренного открывания передней двери | |
| 136 | Сигнализатор шумовой экстренного открывания задней двери | Сигнализатор шумовой экстренного открывания задней двери | |
| 137 | 2812.3710-03 | Выключатель сигнала водителю | |
| 138 | УЗЗА ТУ АС 20.00.00 | Блок звуковой сигнализации дверных механизмов | |
| 139 | 771.3709-02.19 | Переключатель управления дверью водителя | |
| 140 | 2212.3803-36-А | Сигнализатор открытого положения передней двери | |
| 141 | 2812.3710-03 | Выключатель сигнала водителю | |
| 142 | 5256-6518304 | Электромагнитные клапаны дверных механизмов (24В) | |
| 143 | ВБПЛ-4ТУ 3428-008-03964945 | Концевые выключатели положения дверей (микропереключатели (24В)) | |
| 144 | 2612.3714-01 | Плафон дверного проема | |
| 145 | 771.3709-02.19 | Переключатель управления дверью водителя | |
| 146 | 2212.3803-36-А | Сигнализатор открытого положения передней двери | |
| 147 | Автомагнитола | Автомагнитола | |
| 148 | Динамики салона | Динамики салона | |
| 149 | Преобразователь напряжения | Преобразователь напряжения | |
| 150 | Транспортно- переговорное устройство | Транспортно- переговорное устройство | |
| 151 | 265 351 101 | Модулятор давления | |
| 152 | 04 8600 1016/04 8600 1030 | Датчик состояния колес | |
| 153 | Контрольная лампа «АSR» | Контрольная лампа «АSR» | |
| 154 | 2212.3803-53-А | Контрольная лампа неисправности АБС | |
| 155 | 771.3709-02.00 | Выключатель диагностический АБС | |
| 157 | Реле дополнительное | Реле дополнительное |
Содержащиеся в справочниках-каталогах запасные части и детали не предлагаются к продаже, а носят исключительно информационный характер