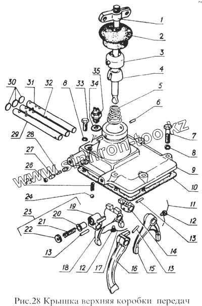
Каталог запасных частей к технике: ПАЗ-3205. Крышка верхняя коробки передач
2
2
3
4
5
6
7
8
8
9
10
11
12
12
13
13
13
14
15
16
17
18
19
20
21
22
23
24
25
26
27
28
29
30
31
32
33
34
35
| Позиция на иллюстрации | Заводской номер детали | Название детали | |
|---|---|---|---|
| 2 | 71-1702128 | Колпак защитный верхней крышки коробки передач | |
| 2 | 672-1702128 | Колпак защитный верхней крышки коробки передач | |
| 3 | 53А-1702126 | Колпак рычага переключения передач (453110560) | |
| 4 | Рычаг переключения КПП в сборе | Рычаг переключения КПП в сборе | |
| 5 | 53А-1702122 | Пружина рычага переключения | |
| 6 | 295023-П | Штифт 6х20 установочного рычага переключения передач | |
| 7 | 201505-П8 | Болт М10х45 переключения верхней крышки КПП | |
| 8 | 252136-П2 | Шайба 10 пружинная | |
| 9 | 53-12-1702006 | Крышка верхняя коробки передач | |
| 10 | 52-1702016 | Прокладка верхней крышки КПП | |
| 11 | 258252-П | Шплинт-проволока 1,2-150 стопорного винта вилки включения 1-ой и 2-ой передач | |
| 12 | 290766-П | Винт М10х1х17,5 вилок включения 1:4 передач КПП | |
| 13 | 258948-П | Штифт 5х25 вилок переключения механизма выбора передач | |
| 14 | 52-1702025-01 | Головка штока переключения 1-й и 2-й передач | |
| 15 | 53-1702024-02 | Вилка переключения 1-й и 2-й передач | |
| 16 | 52-1702092 | Вилка включения заднего хода | |
| 17 | 258353-П | Шплинт проволока 1,2х175 стопорного винта вилки переключения 3ий и 4ой передач | |
| 18 | 53-1702027-22 | Вилка переключения 3-й и 4-й передач | |
| 19 | 52-1702095-01 | Головка штока заднего хода КПП | |
| 20 | 52-1702097 | Предохранитель включения заднего хода | |
| 21 | 52-1702098 | Пружина предохранителя включения заднего хода | |
| 22 | 52-1702099 | Стопор пружины предохранителя включения заднего хода | |
| 23 | 52-1702094 | Головка штока заднего хода | |
| 24 | 263014-П | Шарик 9 фиксатора механизма переключения передач | |
| 25 | ААА-7234 | Пружина стопорного шарика механизма переключения передач | |
| 26 | 52-1702089-01 | Заглушка отверстия плунжеров штока переключения | |
| 27 | 52-1702080 | Плунжер стопорный штоков переключения | |
| 28 | 52-1702075 | Стопорный палец штока 3-й и 4-й передач | |
| 29 | 52-1702042-Б | Шток переключения заднего хода | |
| 30 | 260307-П | Заглушка 20 отверстий штоков верхней крышки КПП | |
| 31 | 53-1702060-10 | Шток переключения 1-й и 2-й передачи | |
| 32 | 53-1702041 | Шток переключения 3-й и 4-й передач | |
| 33 | 201497-П8 | Болт М10х25 | |
| 34 | 21П-3716078-Б | Выключатель света заднего хода | |
| 35 | 21П-3716078-Б | Выключатель света заднего хода |
Содержащиеся в справочниках-каталогах запасные части и детали не предлагаются к продаже, а носят исключительно информационный характер