Каталог запасных частей к технике: ПАЗ-3205-110. Поручни
1
1
1
1
2
2
2
2
2
3
4
5
5
7
8
8
9
9
9
9
9
9
10
10
10
10
10
10
11
11
11
11
11
12
12
12
12
12
13
13
14
15
16
16
16
16
16
16
16
17
18
19
20
21
22
23
23
24
25
26
27
27
27
28
29
30
30
31
31
32
33
34
35
36
37
38
39
40
41
41
42
| Позиция на иллюстрации | Заводской номер детали | Название детали | |
|---|---|---|---|
| 201418-П29 | 201418-П29 | Болт М6х16 | |
| 201420-П29 | 201420-П29 | Болт М6х20 | |
| 3205-8212056 | 3205-8212056 | Буква "3" эмблемы "ПАЗ" | |
| 3205-8212052 | 3205-8212052 | Буква "А" эмблемы "ПАЗ" | |
| 3205-8212048 | 3205-8212048 | Буква "П" эмблемы "ПАЗ" | |
| 240818-П29 | 240818-П29 | Винт М4х12 крепления накладки упора | |
| 241823-П13 | 241823-П13 | Винт 4х30 | |
| 240818-П29 | 240818-П29 | Винт М4х12 крепления накладки упора | |
| 240818-П29 | 240818-П29 | Винт М4х12 крепления накладки упора | |
| 241820-П29 | 241820-П29 | Винт М4х18 | |
| 220077-П29 | 220077-П29 | Винт кронштейна | |
| 224598-П29 | 224598-П29 | Винт М5х0,8х14 крепления ручки | |
| 220080-П13 | 220080-П13 | Винт М5х16 | |
| 223064-П13 | 223064-П13 | Винт М6х14 | |
| 201420-П29 | 201420-П29 | Болт М6х20 | |
| 220102-П29 | 220102-П29 | Винт М6х10 | |
| 222533-П29 | 222533-П29 | Винт М6х35 | |
| 3205-8202050 | 3205-8202050 | Втулка опоры поручня | |
| 3205-8104188 | 3205-8104188 | Гайка крепления ручки стекла | |
| 250512-П29 | 250512-П29 | Гайка М10 | |
| 250508-П29 | 250508-П29 | Гайка М6 | |
| 250510-П29 | 250510-П29 | Гайка М8 | |
| 3205-8212050 | 3205-8212050 | Держатель | |
| 3205-8201100 | 3205-8201100 | Держатель внутреннего зеркала | |
| 3205-8201011-20 | 3205-8201011-20 | Держатель наружного зеркала | |
| 3205-8104158 | 3205-8104158 | Держатель пружины | |
| 3205-8104180 | 3205-8104180 | Заслонка обдува ног водителя | |
| 3205-8104184-02 | 3205-8104184-02 | Заслонка обдува ног водителя | |
| БИ-203 | БИ-203 | Зеркало внутреннее в сборе | |
| 24-8201020 | 24-8201020 | Зеркало наружное | |
| 53205-8201020-10 | 53205-8201020-10 | Зеркало наружное | |
| АИЖЮ-458273-001 | АИЖЮ-458273-001 | Зеркало наружное | |
| 3205-8207026-01 | 3205-8207026-01 | Карман для документов | |
| 3205-8104182 | 3205-8104182 | Корпус заслонки обдува ног водителя | |
| 3205-8207050 | 3205-8207050 | Корпус молотка | |
| 3205-8201102 | 3205-8201102 | Кронштейн крепления внутреннего зеркала | |
| 3205-8201030 | 3205-8201030 | Кронштейн крепления наружного зеркала верхний правый | |
| 3205-8201029 | 3205-8201029 | Кронштейн крепления наружного зеркала нижний | |
| 3205-8205064 | 3205-8205064 | Кронштейн шторки правый | |
| 3205-8104146 | 3205-8104146 | Крышка лобовой вентиляции | |
| 3205-8104146 | 3205-8104146 | Крышка лобовой вентиляции | |
| 3205-8202079 | 3205-8202079 | Крючок для одежды | |
| 3205-8207060 | 3205-8207060 | Молоток аварийный | |
| 672-6205018-01 | 672-6205018-01 | Наконечник | |
| 3205-8205056 | 3205-8205056 | Направляющая | |
| 3205-3205054 | 3205-3205054 | Направляющая левая | |
| 3205-8210016 | 3205-8210016 | Облицовка подножки водителя | |
| 3205-8207018 | 3205-8207018 | Пластина крепления сумки | |
| 3205-8210018 | 3205-8210018 | Подножка водителя | |
| 3205-8207022 | 3205-8207022 | Подставка под медицинскую аптечку | |
| 3205-8201020 | 3205-8201020 | Прокладка держателя зеркала | |
| 3205-8104157 | 3205-8104157 | Пружина | |
| А-6032-Р | А-6032-Р | Пружина верхнего кронштейна | |
| А-7594 | А-7594 | Пружина нижнего кронштейна | |
| 3205-8104173 | 3205-8104173 | Решетка верхняя левая | |
| 3205-8104172 | 3205-8104172 | Решетка верхняя правая | |
| 3205-8104170 | 3205-8104170 | Решетка верхняя средняя | |
| 3205-8104186 | 3205-8104186 | Ручка стекла | |
| 3205-8202100 | 3205-8202100 | Ручка водителя | |
| 3205-8201038 | 3205-8201038 | Скоба | |
| 3205-8207010 | 3205-8207010 | Сумка личных вещей водителя | |
| 3205-8104162 | 3205-8104162 | Уплотнитель крышки | |
| 3205-8205052 | 3205-8205052 | Упор левый | |
| 3205-8205050 | 3205-8205050 | Упор правый | |
| 252004-П29 | 252004-П29 | Шайба диаметром 6 | |
| 252134-П29 | 252134-П29 | Шайба 6 | |
| 252038-П29 | 252038-П29 | Шайба 8 | |
| 3205-8104190 | 3205-8104190 | Шайба опорная | |
| 3205-8205080 | 3205-8205080 | Шнур шторки с наконечником в сборе | |
| 258039-П29 | 258039-П29 | Шплинт 3,2х20 | |
| 258041-П29 | 258041-П29 | Шплинт 3,2х32 | |
| 3205-3205030 | 3205-3205030 | Шторка переднего стекла | |
| 3205-8212042 | 3205-8212042 | Эмблема «ПАЗ-3205» | |
| 3205-8212040 | 3205-8212040 | Эмблема на решетке моторного люка | |
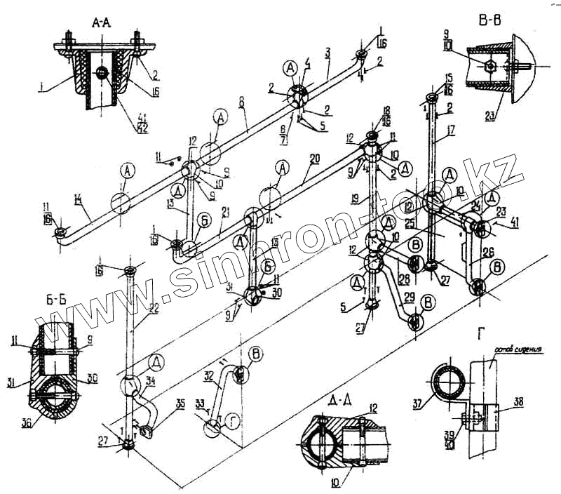
| 1 | 3205-8202071 | Опора горизонтального левого поручня | |
| 2 | 220080-П29 | Винт М5-6gх16 | |
| 3 | 3205-8202020 | Поручень горизонтальный передний левый | |
| 4 | 3205-8202063 | Кронштейн горизонтального поручня | |
| 5 | 214820-П29 | Винт М4х18 | |
| 7 | 252133-П29 | Шайба 5 | |
| 8 | 3205-8202034 | Поручень горизонтальный левый средний | |
| 9 | 223077-П13 | Винт М6х45 | |
| 10 | 3205-8202075 | Держатель поручня нижний | |
| 11 | 250508-П13 | Гайка М6 | |
| 12 | 3205-8202074 | Держатель поручня верхний | |
| 13 | 3205-3202060 | Поручень вертикальный | |
| 14 | 3205-8202024 | Поручень левый задний | |
| 15 | 3205-8202065 | Опора вертикальная поручня верхняя левая | |
| 16 | 3205-8202050 | Втулка опоры поручня | |
| 17 | 3205-8202052 | Поручень вертикальный | |
| 18 | 3205-8202064 | Опора вертикальная поручня верхняя правая | |
| 19 | 3205-8202047 | Поручень вертикальный | |
| 20 | 32051-8202028 | Поручень правый | |
| 21 | 3205-8202024-20 | Поручень правый задний | |
| 22 | 3205-8202150-10 | Поручень задней аварийной двери вертикальный | |
| 23 | 3205-8202076 | Кронштейн поручня ограждения | |
| 24 | 3205-8202041 | Поручень ограждения | |
| 25 | 3205-8202090 | Щиток ограждения подножки | |
| 26 | 3205-8202046 | Поручень подножки | |
| 27 | 3205-8202068 | Опора вертикальная поручня нижняя | |
| 28 | 3205-8202040 | Поручень ограждения | |
| 29 | 3205-8202176 | Поручень ограждения дополнительный | |
| 30 | 3205-8202076 | Кронштейн поручня ограждения | |
| 31 | 3205-8202077 | Держатель | |
| 32 | 3205-8202170 | Поручень ограждения задней двери передний | |
| 33 | 606032 | Винт М6х30 | |
| 34 | 3205-8202140-10 | Поручень ограждения задний | |
| 35 | 3205-8202022 | Кронштейн опоры поручня | |
| 36 | 3205-8202051 | Вкладыш | |
| 37 | 3205-8202149 | Держатель задний дополнительного поручня | |
| 38 | 223068 | Винт М6х22 | |
| 38 | 552-6803031 | Скоба крепления | |
| 39 | 201454-П29 | Болт М8х16 крепления ступицы вала | |
| 40 | 250510-П29 | Гайка М8 | |
| 41 | 224614-П13 | Винт М5х5 | |
| 42 | 250464-П3 | Гайка М5 |
Содержащиеся в справочниках-каталогах запасные части и детали не предлагаются к продаже, а носят исключительно информационный характер