Каталог запасных частей к технике: ПАЗ-3205-110. Механизм подрессоривания сиденья водителя
1
2
3
9
9
10
12
12
13
13
14
16
17
18
21
22
23
24
25
26
27
27
28
30
31
32
33
36
37
38
39
40
41
42
43
44
44
46
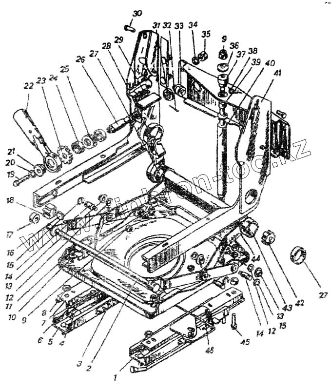
| Позиция на иллюстрации | Заводской номер детали | Название детали | |
|---|---|---|---|
| 3205-6804110 | 3205-6804110 | Механизм перемещения сиденья водителя правый в сборе | |
| 3205-6804510 | 3205-6804510 | Боковина подвески сиденья правая | |
| 252135-П29 | 252135-П29 | Шайба 8 | |
| 252136-П29 | 252136-П29 | Шайба 10 пружинная | |
| 64-615 | 64-615 | Шайба | |
| 3205-6804533 | 3205-6804533 | Сухарь нижнего буфера ролика шарнира | |
| 51-3507048 | 51-3507048 | Пружина спинки | |
| 3205-6804312 | 3205-6804312 | Кронштейн крепления спинки сиденья водителя правый | |
| 3205-6804313 | 3205-6804313 | Кронштейн крепления спинки сиденья водителя левый | |
| 3205-6804324 | 3205-6804324 | Гребенка регулировки наклона спинки сиденья водителя правая | |
| 3205-6804585 | 3205-6804585 | Буфер заднего шарнира подвески сиденья водителя | |
| 201456-П29 | 201456-П29 | Болт М8х20 | |
| 3205-6804325 | 3205-6804325 | Гребенка регулировки наклона спинки сиденья водителя левая | |
| 3205-6804531 | 3205-6804531 | Буфер ролика шарнира подвески нижний | |
| 220106-П29 | 220106-П29 | Винт М6х18 | |
| 251646-П29 | 251646-П29 | Гайка М10 | |
| 250613-П29 | 250613-П29 | Гайка М10 | |
| 250508-П29 | 250508-П29 | Гайка М6 | |
| 250510-П29 | 250510-П29 | Гайка М8 | |
| 1 | 3205-6804111 | Механизм перемещения сиденья водителя левый в сборе | |
| 2 | 3205-6804560 | Шарнир подвески сиденья водителя передний | |
| 3 | 3205-6804540 | Основание подвески сиденья водителя | |
| 9 | 3205-6804685 | Гайка М10 | |
| 10 | 252135-П29 | Шайба 8 | |
| 12 | 3205-6804568 | Прокладка подвески сиденья водителя | |
| 13 | 3205-6804617 | Втулка оси шарниров подвески сиденья водителя | |
| 14 | 3205-6804614 | Ось соединения шарниров подвески сиденья водителя | |
| 16 | 3205-6804532 | Сухарь верхнего буфера ролика шарнира | |
| 17 | 3205-6804569 | Ролик шарнира подвески сиденья водителя | |
| 18 | 3205-6804530 | Буфер ролика шарнира подвески верхний | |
| 21 | 3205-6804751 | Подкладка ручки регулировки торсиона сиденья водителя | |
| 22 | 3205-6804756 | Ручка регулировки торсиона сиденья водителя | |
| 23 | 3205-6804749 | Звездочка винта регулировки торсиона | |
| 24 | 3205-6804681 | Прокладка ручки регулировки торсиона сиденья водителя | |
| 25 | 108903 | Подшипник подрессоривания сиденья водителя | |
| 26 | 3205-6804665 | Винт регулировки торсиона подвески сиденья водителя | |
| 27 | 3205-6804592 | Окантовка трубы торсиона подвески сиденья водителя | |
| 28 | 3205-6804625 | Вилка торсиона подвески сиденья водителя | |
| 30 | 3205-6804562 | Болт регулировки наклона спинки | |
| 31 | 3205-6804741 | Ограничитель винта регулировки торсиона сиденья водителя | |
| 32 | 258053-П29 | Шплинт 4х25 | |
| 33 | 3205-6804683 | Втулка скользящая винта регулировки торсиона сиденья водителя | |
| 36 | 3205-6804675 | Шайба специальная амортизатора подвески сиденья водителя | |
| 37 | 3205-6804653 | Буфер наружный амортизатора | |
| 38 | 3205-6804643 | Поперечина крепления амортизатора подвески сиденья водителя | |
| 39 | 3205-6804656 | Буфер внутренний амортизатора | |
| 40 | 11-6809010 | Амортизатор | |
| 41 | 3205-6804511 | Боковина подвески сиденья левая | |
| 42 | 3205-6804627 | Держатель торсиона подвески сиденья водителя | |
| 43 | 3205-6804623 | Торсион подвески сиденья водителя | |
| 44 | 3205-8804570 | Шарнир подвески сиденья водителя задний | |
| 46 | 3205-6804163 | Стяжка механизма перемещения сиденья |
Содержащиеся в справочниках-каталогах запасные части и детали не предлагаются к продаже, а носят исключительно информационный характер