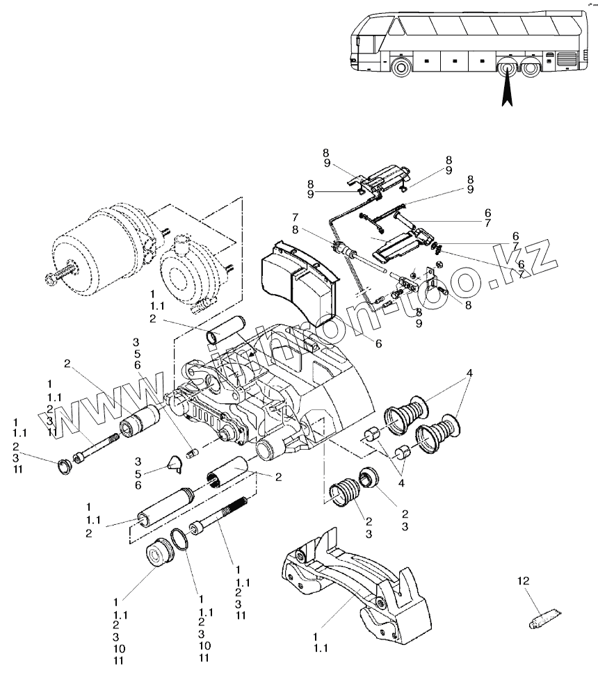
Каталог запасных частей к технике: Neoplan N 516 SHD (MB) E3. REAR AXLE DISK BRAKE
1
1
1
1
1
1
1
1
1.1
1.1
1.1
1.1
1.1
1.1
1.1
1.1
2
2
2
2
2
2
2
2
2
2
2
3
3
3
3
3
3
3
3
3
4
4
5
5
6
6
6
6
6
6
7
7
7
7
8
8
8
8
8
8
8
9
9
9
9
9
10
10
11
11
11
11
11
12
| Позиция на иллюстрации | Заводской номер детали | Название детали | |
|---|---|---|---|
| discbrakeright | discbrakeright | disc brake right | |
| discbrakeleft | discbrakeleft | disc brake left | |
| 1 | repairkit | repair kit | |
| 1.1 | repairkit | repair kit | |
| brakeanchorplate | brakeanchorplate | brake anchor plate | |
| guidebush | guidebush | guide bush | |
| guidebush | guidebush | guide bush | |
| capscrew | capscrew | capscrew | |
| capscrew | capscrew | capscrew | |
| sheetclamp | sheetclamp | sheet clamp | |
| bellowscap | bellowscap | bellows cap | |
| cap | cap | cap | |
| assemblygrease | assemblygrease | assembly grease | |
| 2 | 0501213102 | fuh-tion and repair kit seals sales | |
| guidebush | guidebush | guide bush | |
| guidebush | guidebush | guide bush | |
| guidesleeve | guidesleeve | guide sleeve | |
| brassbushing | brassbushing | brass bushing | |
| bellows | bellows | bellows | |
| bellowscap | bellowscap | bellows cap | |
| sheetclamp | sheetclamp | sheet clamp | |
| cap | cap | cap | |
| capscrew | capscrew | capscrew | |
| capscrew | capscrew | capscrew | |
| ring | ring | spring ring | |
| assemblygrease | assemblygrease | assembly grease | |
| 3 | 0501213103 | repair kit | |
| bellows | bellows | bellows | |
| bellowscap | bellowscap | bellows cap | |
| sheetclamp | sheetclamp | sheet clamp | |
| cap | cap | cap | |
| capscrew | capscrew | capscrew | |
| capscrew | capscrew | capscrew | |
| ring | ring | spring ring | |
| adapter | adapter | adapter | |
| assemblygrease | assemblygrease | assembly grease | |
| 4 | 0501210657 | PRESSURE PIECE CPL. | |
| 4 | THRUST | THRUST | |
| 4 | DU-DRYSOCKET | DU - DRY SOCKET | |
| 5 | 0501213104 | repair kit cap adapter | |
| 5 | repairkitcapadapter | repair kit cap adapter | |
| 6 | 11015470 | BRAKE LINING KIT CPL. | |
| brakelining | brakelining | brake lining | |
| springcotterpin | springcotterpin | spring cotter pin | |
| cap | cap | cap | |
| pin | pin | pin | |
| washer | washer | washer | |
| adapter | adapter | adapter | |
| 7 | 0501213121 | repair kit pad-holding set cpl. | |
| brakepadholders | brakepadholders | brake pad holders | |
| springcotterpin | springcotterpin | spring cotter pin | |
| pin | pin | pin | |
| washer | washer | washer | |
| 8 | 0501320360 | repair kit | |
| wearsensor | wearsensor | wearsensor | |
| cableducd | cableducd | cable ducd | |
| cableducd | cableducd | cable ducd | |
| springwasher | springwasher | spring washer | |
| befestigungsble | befestigungsble | befestigungsble | |
| befestigungsble | befestigungsble | befestigungsble | |
| hexagonscrew | hexagonscrew | hexagon screw | |
| brakewearindicat. | brakewearindicat. | brake wear indicat. | |
| 9 | 0501320361 | repair kit | |
| wearsensor | wearsensor | wearsensor | |
| wearsensor | wearsensor | wearsensor | |
| cableducd | cableducd | cable ducd | |
| cableducd | cableducd | cable ducd | |
| befestigungsble | befestigungsble | befestigungsble | |
| 10 | 0501213125 | repair kit steel cap rate | |
| bellowscap | bellowscap | bellows cap | |
| sheetclamp | sheetclamp | sheet clamp | |
| 11 | 0501213133 | repair kit screw set | |
| bellowscap | bellowscap | bellows cap | |
| sheetclamp | sheetclamp | sheet clamp | |
| capscrew | capscrew | capscrew | |
| capscrew | capscrew | capscrew | |
| cap | cap | cap | |
| 12 | 0501319947 | repair kit monta gefett |
Содержащиеся в справочниках-каталогах запасные части и детали не предлагаются к продаже, а носят исключительно информационный характер