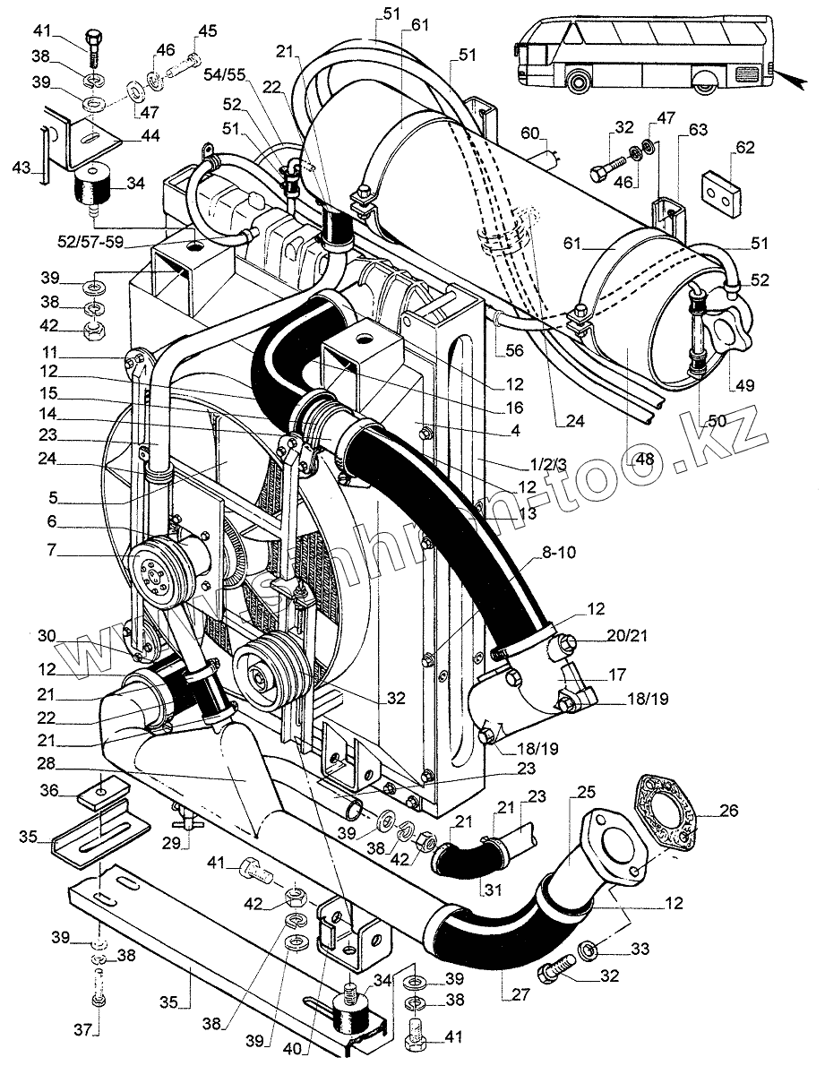
Каталог запасных частей к технике: Neoplan N 516 SHD (MB) E2. WATER CIRCULATION
1
2
3
4
5
5
6
7
8
9
10
11
12
12
12
12
12
12
13
14
15
16
17
18
18
19
19
20
21
21
21
21
21
21
22
22
23
23
23
24
24
25
26
27
28
29
30
31
32
32
32
33
34
34
35
36
37
38
38
38
38
38
39
39
39
39
39
39
39
40
41
41
41
42
42
42
43
44
45
46
46
47
47
48
49
50
51
51
51
51
52
52
52
54
55
56
57
58
59
60
61
61
62
63
| Позиция на иллюстрации | Заводской номер детали | Название детали | |
|---|---|---|---|
| 1 | 0321.088.00 | COOLER CPL. | |
| 2 | 0321.061.10 | WATER COOLER | |
| 3 | 0321.088.15 | CHARGE AIR COOLER | |
| 4 | 0321.252.00 | AIR DEFLECTOR | |
| 5 | 0322.363.30 | FAN WHEEL | |
| 6 | 0322.300.00 | MAGNETIC CLUTCH | |
| 7 | 0127.042.00 | PULLEY | |
| 8 | 5050.078.01 | HEXAGON SCREW | |
| 9 | 5010.005.01 | MEDIUM WASHER | |
| 10 | 5020.011.01 | SPRING RING | |
| 11 | 5035.057.00 | SCREW | |
| 12 | 1801.374.00 | CLAMP | |
| 13 | 0302.256.00 | HOSE | |
| 14 | 1801.620.00 | BRASS PIPE | |
| 15 | 2604.125.10 | CLAMP | |
| 16 | 0302.256.00 | HOSE | |
| 17 | 0101.131.16 | THERMOSTAT HOUSING | |
| 18 | WASHER | washer | |
| 19 | screw | screw | |
| 20 | 1104.107.00 | SCREW PLUG | |
| 20.1 | 1104.690.02 | COPPER RING | |
| 21 | 1801.371.00 | СLАМР | |
| 22 | 0303.335.00 | RUBBER HOSE 35X6mm 120mm | |
| 23 | 1801.616.00 | WАТЕR РIРЕ | |
| 24 | 2604.117.00 | CLAMP | |
| 25 | 0101.131.10 | NECK | |
| 26 | 0101.201.36 | SEAL | |
| 27 | 0303.386.00 | HOSE | |
| 28 | 0323.100.00 | BLISTER ABSORBER | |
| 29 | 1801.052.06 | OUT LECK COCK | |
| 30 | 0303.370.00 | HOSE | |
| 31 | 0302.254.00 | RUBBER ELBOW PIPE 35X4.5mm | |
| 32 | 5050.104.01 | SCREW | |
| 33 | 1201.100.22 | PLATE WASHER | |
| 34 | 0301.200.00 | SILENT BEARING | |
| 35 | 0321.823.45 | BRACKET | |
| 36 | 0321.823.45 | BRACKET | |
| 37 | 5050.107.01 | SCREW | |
| 38 | 5020.013.01 | SPRING RING | |
| 39 | 5010.007.01 | MEDIUM WASHER | |
| 40 | 0321.823.50 | RADIATOR MOUNTING | |
| 41 | 5050.131.01 | SCREW | |
| 42 | 5060.007.01 | NUT | |
| 43 | BRACKET | MOUNTING BRACKET | |
| 44 | 1416.000.00 | BRACKET | |
| 45 | 5050.106.01 | SCREW | |
| 46 | 5020.012.01 | SPRING RING | |
| 47 | 5010.006.01 | WASHER | |
| 48 | 0320.011.00 | WATER TANK | |
| 49 | 0303.134.00 | COVER | |
| 50 | INSPECTIONGLASS | INSPECTION GLASS | |
| 51 | 0110.802.00 | HOSE | |
| 52 | 1801.387.00 | СLАМР | |
| 53 | 0303.122.00 | COVER | |
| 54 | 1801.583.00 | HOSE | |
| 55 | 1801.323.00 | CLAMP | |
| 56 | 2604.111.00 | CLAMP | |
| 57 | 1801.389.00 | CLAMP | |
| 58 | 0121.418.00 | HOSE | |
| 59 | 1801.380.00 | СLАМР | |
| 60 | 0303.175.01 | WATER LEVEL INDICATOR | |
| 61 | 0323.724.05 | CLAMP | |
| 62 | 0323.724.01 | THREADED PLATE | |
| 63 | 0323.724.00 | BRACKET |
Содержащиеся в справочниках-каталогах запасные части и детали не предлагаются к продаже, а носят исключительно информационный характер