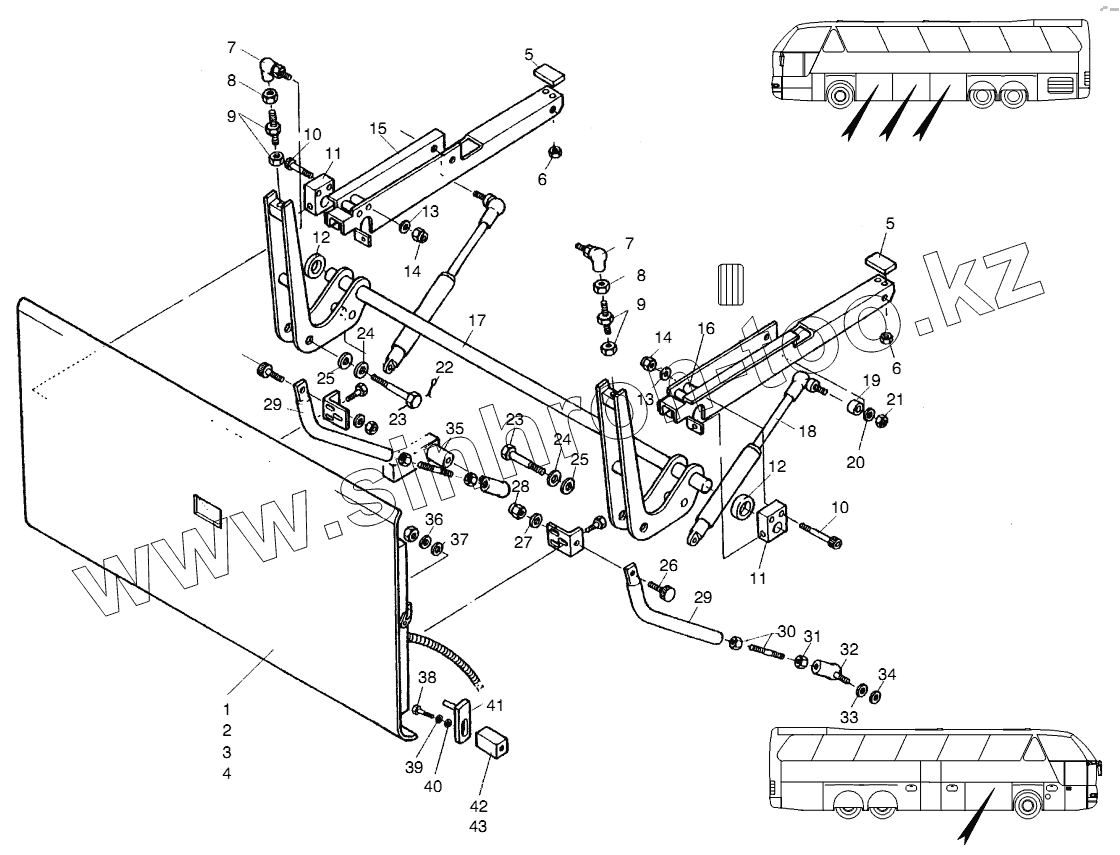
Каталог запасных частей к технике: Neoplan N 516 SHD (MAN) E3. LUGGAGE-COMPARTMENT FLAPS CPL.
1
2
3
4
5
5
6
6
7
7
8
8
9
9
10
10
11
11
12
12
13
13
14
14
15
16
17
18
19
20
21
22
23
23
24
24
25
25
26
27
28
29
29
30
31
32
33
34
35
36
37
38
39
40
41
42
43
| Позиция на иллюстрации | Заводской номер детали | Название детали | |
|---|---|---|---|
| 1 | 11045281 | LUGGAGE FLAP L2 | |
| 2 | 11045282 | LUGGAGE FLAP L3 | |
| 3 | 11045283 | LUGGAGE FLAP RH1 | |
| 4 | 11045289 | CASE COVER R2 | |
| 5 | 11023065 | CONNECTING PLATE | |
| 6 | 11057231 | NUT | |
| 7 | 11053208 | ANGLE JOINT | |
| 8 | 11055883 | NUT | |
| 9 | 11045248 | THREADED ROD WITH NUT | |
| 10 | 11061656 | FILISTER HEAD SCREW | |
| 11 | 11045257 | SWIVELLING BEARING | |
| 12 | 11045255 | SPACER TUBE PVC | |
| 13 | 11054594 | WASHER | |
| 14 | 11056443 | NUT | |
| 15 | 11045246 | WELDED SIDE BRACKET | |
| 16 | 11045250 | SPACER TUBE | |
| 17 | 11045278 | PIVOTED BOW | |
| 18 | 11045243 | GAS-FILLED TELESCOPIC STRUT | |
| 19 | 11045253 | SPACER TUBE | |
| 20 | 11054600 | WASHER | |
| 21 | 11055820 | NUT | |
| 22 | 14006299 | SPLIT PIN | |
| 23 | 11055216 | SCREW | |
| 24 | 11054607 | WASHER | |
| 25 | 11045254 | SPACER TUBE | |
| 26 | 11045247 | BOLT | |
| 27 | 11054600 | WASHER | |
| 28 | 11056444 | NUT | |
| 29 | 11045258 | GUIDE BAR | |
| 30 | 11045249 | THREADED ROD WITH NUT | |
| 31 | 11055820 | NUT | |
| 32 | 11053211 | ANGLE JOINT | |
| 33 | 11054681 | SPRING RING | |
| 34 | 11054600 | WASHER | |
| 35 | 11023283 | SQUARE BLOCK | |
| 36 | 11054686 | SPRING WASHER | |
| 37 | 11054605 | WASHER | |
| 38 | 11055556 | SCREW | |
| 39 | 11054681 | SPRING RING | |
| 40 | 11054600 | WASHER | |
| 41 | 11045020 | STRIKER PLATE | |
| 42 | 11045046 | THREADED PAD | |
| 43 | 11045043 | STRIKER HOLDER |
Содержащиеся в справочниках-каталогах запасные части и детали не предлагаются к продаже, а носят исключительно информационный характер