Каталог запасных частей к технике: Neoplan N 516 SHD (MAN) E3. INDEPENDENT CAR HEATING
1
2
3
4
5
8
9
10
11
12
13
13
14
14
15
15
17
18
19
20
21
22
23
23
23
23
23
25
25
26
26
26
26
26
27
27
27
27
27
27
27
27
27
27
27
29
29
29
29
29
29
29
29
29
71
72
73
161
161
162
162
163
163
163
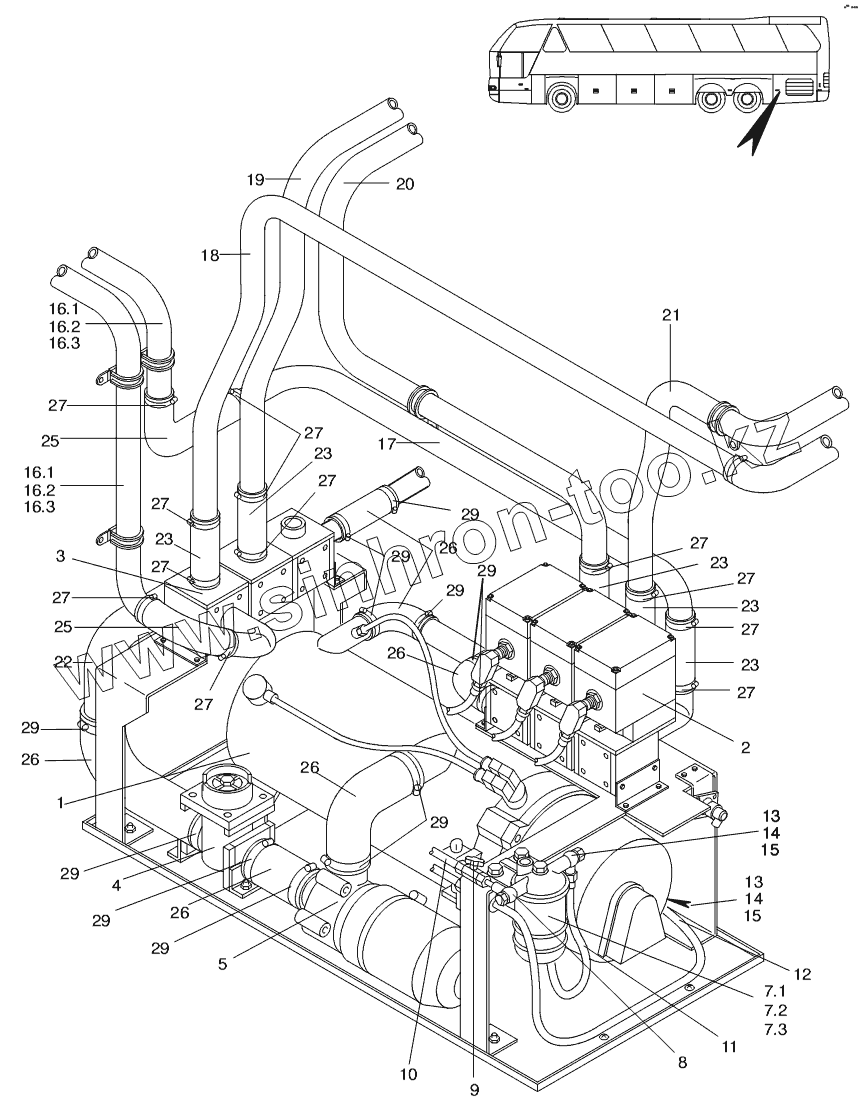
| Позиция на иллюстрации | Заводской номер детали | Название детали | |
|---|---|---|---|
| 11034733 | 11034733 | WATER STATION THERMO 300,068 | |
| 11053117 | 11053117 | CLAMPO | |
| BRASSPIPE | BRASSPIPE | BRASS PIPE | |
| 1 | HEATINGDEVICE | HEATING DEVICE | |
| 2 | 11034464 | MOTOR BLOCK | |
| 3 | 11034465 | RETURN SHOCK BLOCK | |
| 4 | 11034462 | SHUT-OFF VALVE WITH FILTER WATER | |
| 5 | 15000471 | CIRCULATING PUMP | |
| 8 | 11032659 | CONNECTING PARTS | |
| 9 | 11032937 | LOW-PRESSURE BELL VALVE | |
| 10 | HOSE | HOSE | |
| 11 | HOSE | HOSE | |
| 12 | HOSE | HOSE | |
| 13 | 11002370 | HOLLOW SCREW | |
| 14 | 11018268 | COPPER SEAL RING | |
| 15 | 11002262 | RING NECK | |
| 17 | 11008674 | BRASS PIPE | |
| 18 | 11008740 | BRASS PIPE | |
| 19 | 11008738 | BRASS PIPE | |
| 20 | 11008797 | BRASS PIPE | |
| 21 | 11008739 | BRASS PIPE | |
| 22 | 11008594 | BRASS PIPE | |
| 23 | 11008474 | HOSE | |
| 24 | 11008478 | HOSE | |
| 25 | 11008386 | HOSE | |
| 26 | 11008389 | HOSE | |
| 27 | 11000838 | HOSE CLAMP | |
| 28 | 11000843 | HOSE CLAMP | |
| 29 | 11000844 | HOSE CLAMP | |
| 71 | 11032646 | FUEL FILTER | |
| 72 | 11032733 | GASKET | |
| 73 | 11032732 | STRAINER | |
| 161 | 11008758 | BRASS PIPE | |
| 162 | 11008759 | BRASS PIPE | |
| 163 | 11008622 | BRASS PIPE | |
| 163 | 11008258 | BRASS PIPE |
Содержащиеся в справочниках-каталогах запасные части и детали не предлагаются к продаже, а носят исключительно информационный характер