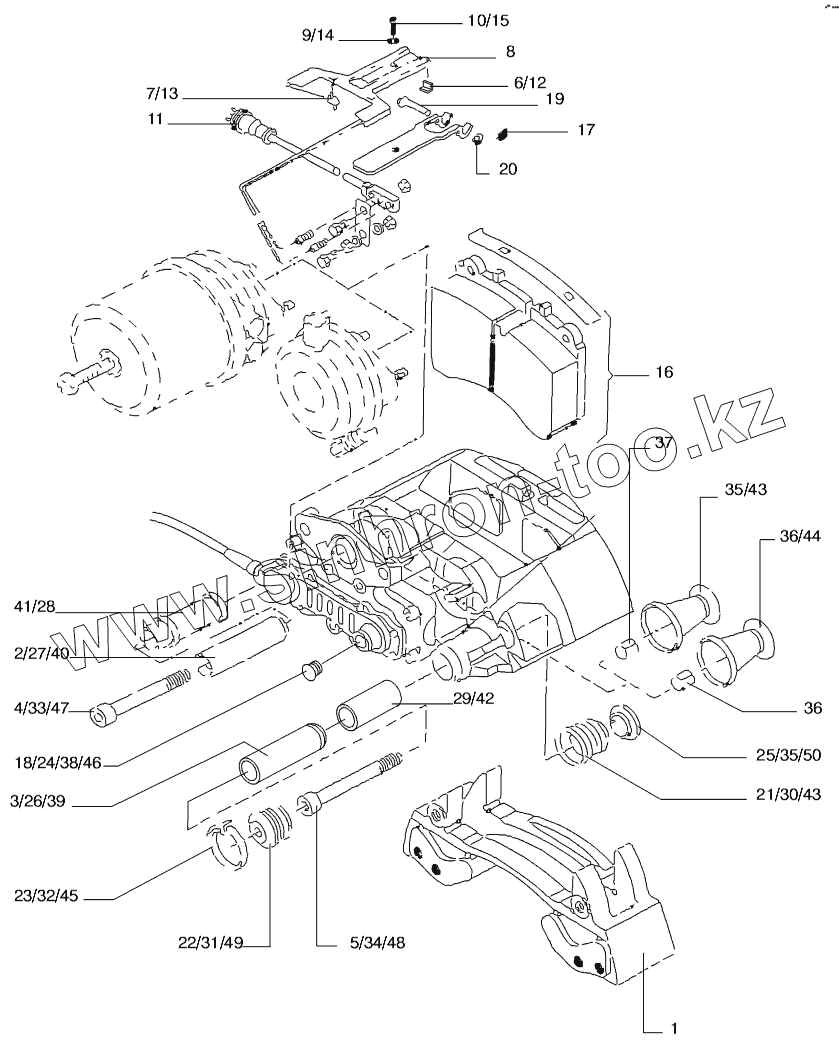
Каталог запасных частей к технике: Neoplan N 516 SHD (MAN) E3. DISK BRAKE TRAILING AXLE
1
2
3
4
5
6
7
8
9
10
11
12
13
14
15
16
17
18
19
20
21
22
23
24
25
26
27
28
29
30
31
32
33
34
35
35
36
36
37
38
39
40
41
42
43
43
44
45
46
47
48
49
50
| Позиция на иллюстрации | Заводской номер детали | Название детали | |
|---|---|---|---|
| 11014054 | 11014054 | CALIPER CPL.L.H | |
| 11014053 | 11014053 | CALIPER CPL.R.H. | |
| 11015460 | 11015460 | CAP CPL. | |
| 11015471 | 11015471 | WEARSENSOR CPL | |
| 11014051 | 11014051 | PRESSURE PIECE CPL. | |
| 11015565 | 11015565 | GUIDE SET CPL. | |
| 11014055 | 11014055 | SEALING KIT CPL. | |
| 11015470 | 11015470 | BRAKE LINING KIT CPL. | |
| 11015472 | 11015472 | WEAR SENOR CPL. | |
| 1 | 11015549 | BRAKE ANCHOR PLATE | |
| 2 | guidebush | guide bush | |
| 3 | guidebush | guide bush | |
| 4 | capscrew | capscrew | |
| 5 | capscrew | capscrew | |
| 6 | wearsensor | wearsensor | |
| 7 | wearsensor | wearsensor | |
| 8 | cableducd | cable ducd | |
| 9 | springwasher | spring washer | |
| 10 | hexagonscrew | hexagon screw | |
| 11 | brakewearindicat. | brake wear indicat. | |
| 12 | wearsensor | wearsensor | |
| 13 | wearsensor | wearsensor | |
| 14 | springwasher | spring washer | |
| 15 | hexagonscrew | hexagon screw | |
| 16 | brakelining | brake lining | |
| 17 | springcotterpin | spring cotter pin | |
| 18 | cap | cap | |
| 19 | pin | pin | |
| 20 | washer | washer | |
| 21 | bellows | bellows | |
| 22 | bellowscap | bellows cap | |
| 23 | sheetclamp | sheet clamp | |
| 24 | cap | cap | |
| 25 | bellows | bellows | |
| 26 | guidebush | guide bush | |
| 27 | guidebush | guide bush | |
| 28 | guidebush | guide bush | |
| 29 | bush | bush | |
| 30 | bellows | bellows | |
| 31 | bellowscap | bellows cap | |
| 32 | sheetclamp | sheet clamp | |
| 33 | capscrew | capscrew | |
| 34 | capscrew | capscrew | |
| 35 | bellows | bellows | |
| 36 | pressurepiece | pressure piece | |
| 37 | drybushing | dry bushing | |
| 38 | cap | cap | |
| 39 | guidebush | guide bush | |
| 40 | guidebush | guide bush | |
| 41 | guidesleeve | guide sleeve | |
| 42 | bush | bush | |
| 43 | bellows | bellows | |
| 44 | pressurepiece | pressure piece | |
| 45 | sheetclamp | sheet clamp | |
| 46 | cap | cap | |
| 47 | capscrew | capscrew | |
| 48 | capscrew | capscrew | |
| 49 | bellowscap | bellows cap | |
| 50 | bellows | bellows |
Содержащиеся в справочниках-каталогах запасные части и детали не предлагаются к продаже, а носят исключительно информационный характер