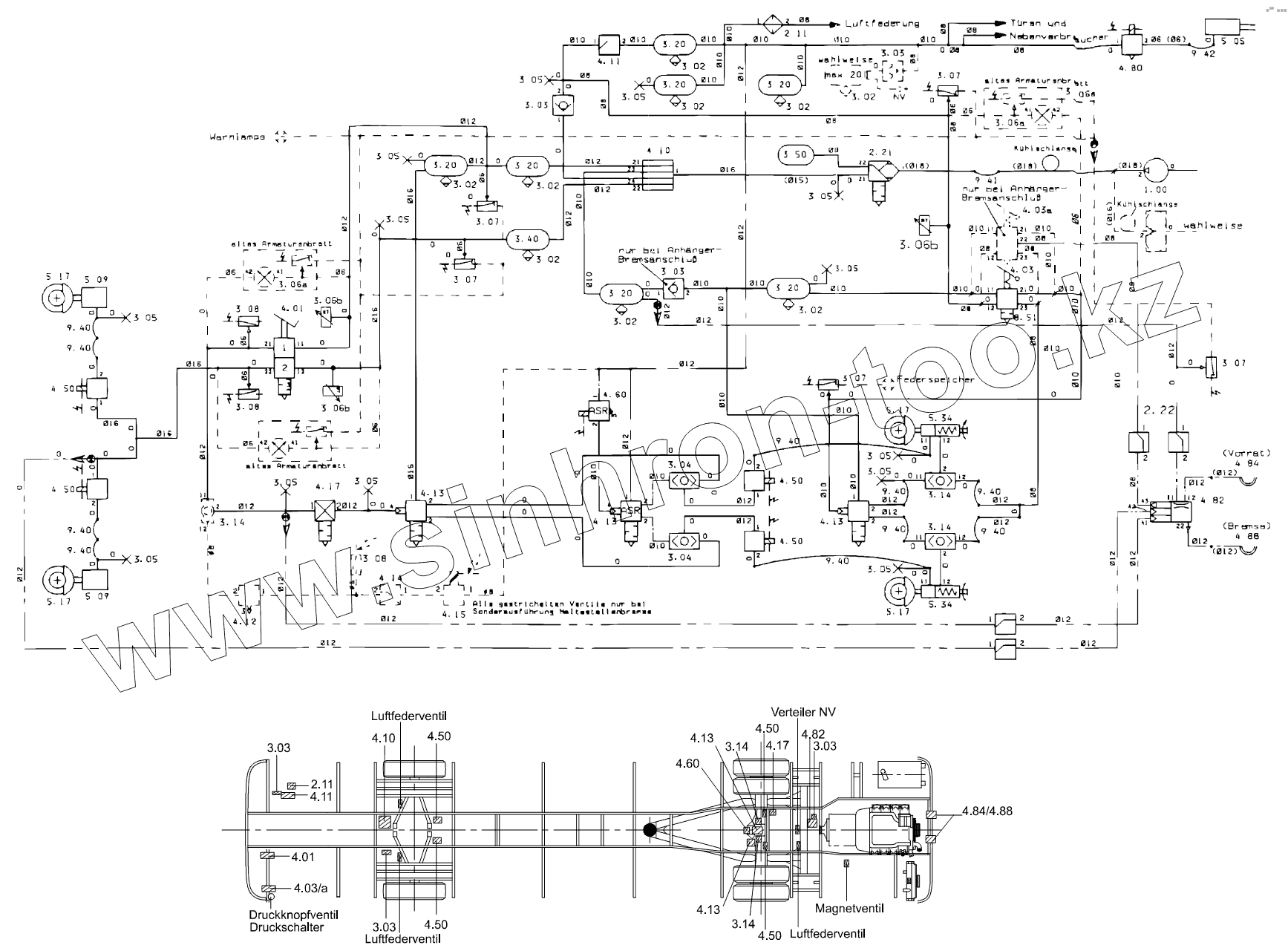
Каталог запасных частей к технике: Neoplan N 516 SHD (MAN) E3. BRAKE SYSTEM
1.00
2.11
2.11
2.21
3.02
3.02
3.02
3.02
3.02
3.02
3.02
3.02
3.02
3.03
3.04
3.04
3.05
3.05
3.05
3.05
3.05
3.05
3.05
3.05
3.05
3.05
3.05
3.05
3.05
3.06a
3.06a
3.06a
3.06b
3.06b
3.06b
3.07
3.08
3.08
3.08
3.14
3.14
3.14
3.14
3.14
3.20
3.20
3.20
3.20
3.20
3.20
3.20
3.40
3.50
4.01
4.01
4.03
4.03
4.10
4.10
4.11
4.11
4.13
4.13
4.13
4.13
4.13
4.17
4.17
4.50
4.50
4.50
4.50
4.50
4.50
4.50
4.50
4.60
4.60
4.80
5.05
5.09
5.09
5.17
5.17
5.17
5.17
5.34
5.34
8.51
9.40
9.40
9.40
9.40
9.40
9.40
9.40
9.40
9.40
9.40
9.41
9.42
2.22
3.03
3.03
3.03
3.03
3.03
3.03
3.07
3.07
3.07
3.07
3.07
4.03a
4.03a
4.82
4.82
4.84
4.84
4.88
4.88
| Позиция на иллюстрации | Заводской номер детали | Название детали | |
|---|---|---|---|
| 1.00 | aircompressor | air compressor | |
| 2.11 | 11017183 | LINE CLEANER | |
| 2.21 | 11017489 | AIR DRYER | |
| 11017491 | 11017491 | AIR DRYER | |
| 3.02 | 11017276 | DRAIN VALVE | |
| 3.03 | 11017249 | NON RETURN VALVE | |
| 3.04 | 11017774 | SCREWING | |
| 3.05 | 11018293 | TEST CONNECTION | |
| 3.06a | pressuregauge | pressure gauge | |
| 3.06b | 11060240 | OIL PRESSURE SENSOR | |
| 3.07 | 11017505 | CONTROL SWITCH | |
| 3.08 | 11017526 | BRAKE LIGHT SWITCH | |
| 3.14 | 11017272 | SHUTTLE VALVE | |
| 3.20 | airtank | air tank | |
| 3.40 | airtank | air tank | |
| 3.50 | airtank | air tank | |
| 4.01 | 11018611 | RUNNING BRAKE | |
| 4.03 | 11017300 | HAND BRAKE VALVE | |
| 4.10 | 11067147 | FOUR CIRCUIT VALVE | |
| 4.11 | 11017209 | OVERFLOW VALVE | |
| 4.13 | 11017202 | RELAY VALVE | |
| 4.17 | 11017231 | PRESSURE CONVERTER | |
| 4.50 | 11018716 | PRESSURE CONTROL VALVE | |
| 4.60 | 11018715 | SOLENOID VALVE | |
| 4.80 | 11017381 | SOLENOID VALVE | |
| 5.05 | indexingcylinder | indexing cylinder exhaust brake | |
| 5.09 | 11015698 | BRAKE CYLINDER | |
| 11015699 | 11015699 | BRAKE CYLINDER | |
| 5.17 | discbrake | disc brake | |
| 5.18 | discbrake | disc brake | |
| 5.34 | 11018612 | BRAKE CYLINDER | |
| 8.51 | muffler | muffler | |
| 9.40 | hose | hose | |
| 9.41 | hose | hose | |
| 9.42 | hose | hose | |
| 2.22 | 11017226 | PRESSURE CONTROL | |
| 3.03 | 11017249 | NON RETURN VALVE | |
| 3.07 | 11017505 | CONTROL SWITCH | |
| 4.03a | 11018603 | HAND BRAKE VALVE | |
| 4.82 | 11018605 | TRAILER CONTROL VALVE | |
| 4.84 | 11018588 | HOSE COUPLING STORAGE | |
| 4.88 | 11018587 | HOSE COUPLING BRAKE |
Содержащиеся в справочниках-каталогах запасные части и детали не предлагаются к продаже, а носят исключительно информационный характер