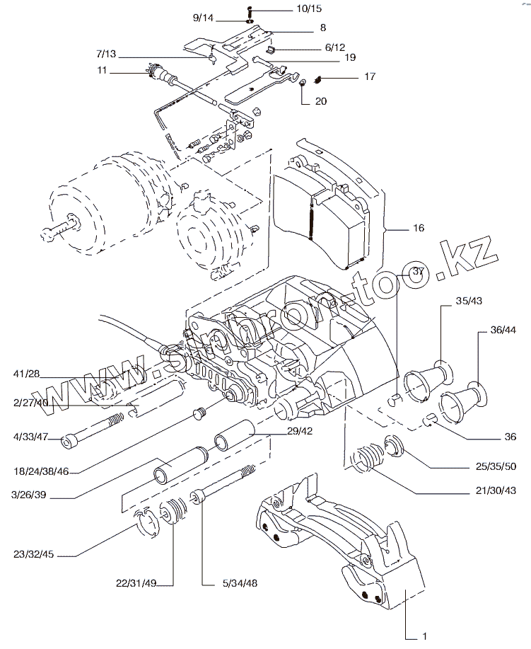
Каталог запасных частей к технике: Neoplan N 516 SHD (MAN) E2. DISK BRAKE TRAILING AXLE
1
2
3
4
5
6
7
8
9
10
11
12
13
14
15
16
17
18
19
20
21
22
23
24
25
26
27
28
29
30
31
32
33
34
35
35
36
36
37
38
39
40
41
42
43
43
44
45
46
47
48
49
50
| Позиция на иллюстрации | Заводской номер детали | Название детали | |
|---|---|---|---|
| 11014054 | 11014054 | CALIPER CPL.L.H | |
| 11014053 | 11014053 | CALIPER CPL.R.H. | |
| 11015460 | 11015460 | CAP CPL. | |
| 11015471 | 11015471 | WEARSENSOR CPL | |
| 11014051 | 11014051 | PRESSURE PIECE CPL. | |
| 11015565 | 11015565 | GUIDE SET CPL. | |
| 11014055 | 11014055 | SEALING KIT CPL. | |
| 11015470 | 11015470 | BRAKE LINING KIT CPL. | |
| 11015472 | 11015472 | WEAR SENOR CPL. | |
| 1 | 11015549 | BRAKE ANCHOR PLATE | |
| 2 | GUIDE BUSH | GUIDE BUSH | |
| 3 | GUIDE BUSH | GUIDE BUSH | |
| 4 | CAPSCREW | CAP SCREW | |
| 5 | CAPSCREW | CAP SCREW | |
| 6 | WEAR SENSOR | WEAR SENSOR | |
| 7 | WEAR SENSOR | WEAR SENSOR | |
| 8 | CABLE DUCD | CABLE DUCD | |
| 9 | SPRING WASHER | SPRING WASHER | |
| 10 | HEXAGON SCREW | HEXAGON SCREW | |
| 11 | BRAKE WEAR INDICAT. | BRAKE WEAR INDICAT. | |
| 12 | WEARSENSOR | WEARSENSOR | |
| 13 | WEAR SENSOR | WEAR SENSOR | |
| 14 | SPRING WASHER | SPRING WASHER | |
| 15 | HEXAGON SCREW | HEXAGON SCREW | |
| 16 | BRAKE LINING | BRAKE LINING | |
| 17 | SPRING COTTER PIN | SPRING COTTER PIN | |
| 18 | CAP | CAP | |
| 19 | PIN | PIN | |
| 20 | screw | screw | |
| 21 | BELLOWS | BELLOWS | |
| 22 | BELLOWS CAP | BELLOWS CAP | |
| 23 | SHEET CLAMP | SHEET CLAMP | |
| 24 | CAP | CAP | |
| 25 | BELLOWS | BELLOWS | |
| 26 | GUIDE BUSH | GUIDE BUSH | |
| 27 | GUIDE BUSH | GUIDE BUSH | |
| 28 | GUIDE BUSH | GUIDE BUSH | |
| 29 | BUSH | BUSH | |
| 30 | BELLOWS | BELLOWS | |
| 31 | BELLOWS CAP | BELLOWS CAP | |
| 32 | SHEET CLAMP | SHEET CLAMP | |
| 33 | CAP SCREW | CAP SCREW | |
| 34 | CAP SCREW | CAP SCREW | |
| 35 | BELLOWS | BELLOWS | |
| 36 | PRESSURE PIECE | PRESSURE PIECE | |
| 37 | DRY BUSHING | DRY BUSHING | |
| 38 | CAP | CAP | |
| 39 | GUIDE BUSH | GUIDE BUSH | |
| 40 | GUIDE BUSH | GUIDE BUSH | |
| 41 | GUIDE SLEEVE | GUIDE SLEEVE | |
| 42 | BUSH | BUSH | |
| 43 | BELLOWS | BELLOWS | |
| 44 | PRESSURE PIECE | PRESSURE PIECE | |
| 45 | SHEET CLAMP | SHEET CLAMP | |
| 46 | CAP | CAP | |
| 47 | CAPSCREW | CAP SCREW | |
| 48 | CAPSCREW | CAP SCREW | |
| 49 | BELLOWS CAP | BELLOWS CAP | |
| 50 | BELLOWS | BELLOWS |
Содержащиеся в справочниках-каталогах запасные части и детали не предлагаются к продаже, а носят исключительно информационный характер