Вернуться на главную
Поиск
Каталоги запчастей к технике
Автобусы
Neoplan
N 516 SHD (MAN) E2
ADD-ON PARTS
Каталог запасных частей к технике: Neoplan N 516 SHD (MAN) E2. ADD-ON PARTS
zoom-in
zoom-out
enlarge
shrink
circle-right
circle-left
file-text2
info
cart
Тип техники
Не выбрано
Легковые автомобили
Грузовые автомобили и прицепы
Автобусы
Сельхозтехника
Спецтехника
Двигатели
Мототехника
Марка
Не выбрано
Golden Dragon
Hyundai
Ikarus
Karosa
King Long
Neoplan
Yutong
ZF
АМАЗ
Богдан
ЗИЛ
КАВЗ
Камский автозавод
ЛАЗ
ЛЗГМП
ЛиАЗ
Нефтекамский автозавод
ПАЗ
УралАЗ
Модель
Не выбрано
N 116 (MAN) E3 (2008)
N 116 (MAN) E3 (вар.) (2008)
N 116 E2 (2000)
N 3316 (DC OM 501 LA) E3 (2002)
N 3316 (MAN D 2866 LOH 29) E3 (2002)
N 3318 U E3 (2008)
N 516 SHD (MAN) E2 (2002)
N 516 SHD (MAN) E3 (2008)
N 516 SHD (MB) E2 (2000)
N 516 SHD (MB) E3 (2000)
N 516 SHD (MB, DC) E2 (2002)
Схема
>
Не выбрано
RESERVE TIRE STORAGE
RESERVE TIRE STORAGE
BACK CROSS BAR WITH COUPLING
BACK CROSS BAR WITH COUPLING AND TOWING BALL
TRACTOR TOWING DEVICE
WINDOW PILLAR LATERAL
PROFILE PARTS GENERAL
SHEETING OUTSIDE
ENGINE ISOLATION
SHEETMETAL DRIVER’S WINDOW
SHEET METAL SLEEPING CABIN
SHEETMETAL INSIDE
SHEETMETAL LUGG. COMPARTMENT
MUD FLAP
MUD FLAP
ENGINE ENCAPSULATION
ISOLATION
SYNTHETIC PARTS OUTSIDE ROOF/FRONT
ADD ON PARTS REAR PART
MOUNTING PARTS WHEEL HOUSE
MOUNTING PARTS WHEEL HOUSE TALL
WHEEL HOUSE REAR
SYNTHETIC PARTS INSIDE
STAIR FRONT
STAIR REAR
BATTERY-POST CAP
SYNTHETIC PARTS INSIDE FRONT
ANGLE COVER
OUTSIDESTRIP
STRIP INSIDE
EDGE PROTECTOR LUGGAGE ROOM
STORAGE FLAP FRONT
LUGGAGE DUMP
LUGGAGE DUMP WITH MONITOR
LUGGAGE DUMP
STRIKER FOR LUGGAGE DUMP
INSIDE COVER AND UPPER DECK FRONT
INTERIOR ROOF
INSIDE COVER MIDDLE
INSIDE COVER MIDDLE
SUN ROOF
PILLAR TRIM
DASHBOARD COMPONENTS
DASH BOARD COMPONENTS
STRIP INSIDE
HANDRAILS
HANDRAILS
FLOOR CAP
WOOD FLOORING
WINDSHIELD-ROLLER
WINDOW SHADE
MIRRORS
FIRE EXTINGUISHER
KITCHEN
KITCHEN WITH FRIDGE
COFFEE - MACHINE
COFFEE - MACHINE TM40 SPARE PARTS
SPARE PARTS FOR COFFEE-PERCOLATOR
SPARE PARTS FOR COFFEE-PERCOLATOR
HOT WATER HEATER
ELECTRIC RESERVOIR HOT WATER
WATER RESERVOIR
HOT AIR OVEN
TOILET
REFRIGERATOR WITH COMPRESSOR
FRADIATOR ASSEMBLY
SKI CARRIER BOX
COVERING FOR DRIVER
CENTRALISED LUBRICATION SYSTEM
ELECTRIC SCOOTER
FRONT FLAP
FRONT FLAP
BUMPERS
WINDSCREEN
REAR WINDOWS
SIDE WINDOWS
SIDE WINDOWS
SIDE WINDOWS
SIDE WINDOWS
WINDOWS
DRIVER WINDOW
WINDOW REPAIR MATERIAL
FLAPS
FLAPS
FLAPS
FLAPS
SERVICE FLAP FRONT RIGHTHANDED
LID FOR DRIVER’S STORAGE SPACE
SERVICE FLAP REAR RIGHT
LUGGAGE-COMPARTMENT FLAPS
SERVICE DOOR REFRIGERATOR
SERVICE DOOR REFRIGERATOR
SERVICE FLAP
SERVICE FLAP
TANK FILLER FLAP
LUGGAGE-COMPARTMENT FLAPS CPL.
FLAP HANDLE
EDGE PROTECTOR SECTION
LUGGAGE COMPARTEMENT LID
FRONT FLAP
FRONT FLAP
ENGINE DOOR
CENTRAL LOCKING SYSTEM
OUTWARD-SWINGING DOOR FRONT LH
OUTWARD-SWINGING DOOR FRONT LH
OUTWARD-SWINGING DOOR REAR LH
OUTWARD-SWINGING DOOR REAR LH
ROTARY COLUMN FRONT
ROTARY COLUMN REAR
SPINDLE DRIVE LH
OUTWARD-SWINGING DOOR FRONT RH
OUTWARD-SWINGING DOOR FRONT RH
OUTWARD-SWINGING DOOR FRONT RH
ROTARY COLUMN RH
ROTARY COLUMN RH
SPINDLE DRIVE RH
SPINDLE DRIVE RH
DOOR REAR RH
DOOR REAR RH
DOOR CONTROL UNIT
DOOR CONTROL UNIT
EMERGENCY LOOK
EMERGENCY LOOK COVERING
OUTSIDE HINGED DOOR LATCH
EMERGENCY DOOR LOCKING SYSTEM
DRIVER’S SEAT ISRI
DRIVER’S SEAT RECARO
FRONT PASSENGER’S SEAT
SEATING PARTS
SEAT RAIL
HEATING CIRCULATION
INDEPENDENT CAR HEATING
AIR - CONDITIONING - FRONTBOX
TEDDY-CIRCULATING-AIR HEATING
RADIATORS
FILTER AIR CONDITIONING
PARTS FOR CLIMATIC CONTROL
ADD-ON PARTS
ADD-ON PARTS
ENGINE SUSPENSION MAN
ALTERNATOR
ALTERNATOR BRACKET
ALTERNATOR BRACKET
GENERATOR AERATION
STARTER
COMPRESSOR SUPPORT
COMPRESSOR SUPPORT
AIRLINE INSTALLATION
VANE PUMP
V-BELT DRIVE
V-BELT DRIVE
FAN BELT DRIVE
ACCELERATOR PEDAL
ACCELERATOR PEDAL
ACCELERATOR PEDAL
ENGINE BRAKE
3/2 DIRECTIONAL CONTROL VALVE
3/2 DIRECTIONAL CONTROL VALVE
FUEL FILER
DIESEL FUEL LINE HEATER
CHANGE OVER COCK
FUEL TANK
AUXILIARY FUELTANK
EXHAUST SYSTEM
AIR FILTER SYSTEM
AIR FILTER SYSTEM
RADIATOR
RADIATOR
WATER CIRCULATION
WATER CIRCULATION
AIR CIRCULATION
FAN BELT DRIVE
FAN BELT DRIVE
RETARDER COOLING
RETARDER COOLING
RETARDER COOLING
COUPLING WITH PEDAL WITHOUT AVS
COUPLING WITH PEDAL WITHOUT AVS
COUPLING WITH PEDAL WITH AVS
COUPLING WITH PEDAL WITH AVS
COUPLING WITH PEDAL
CLUTCH ELEMENTS
ASSEMBLY CLUTCH
BRACKET
TRANSMISSION PARTS
SUPPORT
SELECTOR SHAFT AND PARTS
GEARSCHIFT LEAVER
OIL COOLING (TRANSMISSION)
TELMA-COVERING
TRANSMISSION SUPPORT
TRANSMISSION SUPPORT
TRANSMISSION SUPPORT
JOINT SHAFT
REAR AXLE
REAR AXLE PARTS
REAR AXLE PARTS
REAR AXLE PARTS
REAR AXLE PARTS
REAR AXLE DISK BRAKE
REAR AXLE DISK BRAKE
REAR AXLE SUBFRAME
REAR AXLE SUBFRAME
FRONT AXLE
FRONT AXLE PARTS
FRONT AXLE PARTS
DISK BRAKE FRONT AXLE
DISK BRAKE FRONT AXLE
STABILISATOR
DISK BRAKE TRAILING AXLE
DISK BRAKE TRAILING AXLE
TRAILING AXLE
TRAILING AXLE
TRAILING AXLE
CARRIER FOR ARRESTING CYLINDER
CASTER AXLE PARTS
CASTER AXLE PARTS
AIR BAGS AND AIR SPRING DISK
AIR BAGS AND AIR SPRING DISK
SHOCK ABSORBER
SHOCK ABSORBER
AIR SUSPENSION
AIR SUSPENSION
3RD AXLE RELIEVE
RAISE AND LOWER
WHEELS AND TYRES
WHEELS AND TYRES ACCESSORIES
WHEEL CAP STARLINER
WHEEL CAP
BRAKE SYSTEM
BRAKE SYSTEM
AIR DRYER
AIR TANK
RUNNING BRAKE
RUNNING BRAKE
HAND BRAKE VALVE
VALVE TRAILING AXLE
VALVE TRAILING AXLE
VALVE SUPPORT TRAILING AXLE
CONSOLE FOR TEST CONNECTION
BRAKE SYSTEM CONNECTION
BRAKE HOSE FRONT AXLE
STEARING WHEEL AND COVERING
STEERING MECHANICS FRONT AXLE
STEERING MECHANICS FRONT AXLE
STEERING MECHANICS
HYDRAULIC OIL RESERVOIR
STEERING HYDRAULICS
STEERING HYDRAULICS
STEERING PARTS
BEVEL BOX
SERVOCOMTRONIC SPARE PARTS LIST
BATTERY MOUNTING
BATTERY MOUNTING
MAIN SWITCHBOARD
E-SWITCH CASE REAR
E-SWITCH CASE REAR
E-SWITCH CASE REAR
SWITCH BOX
OUTSIDE LIGHTING
OUTSIDE LIGHTING
INSIDE LIGHTING
ENTRANCE ILLUMINATION
LIGHTING UNIT FOR REAR SEATS
LIGHTING INSIDE FOR INFORMATION
WIPER SYSTEM BOTTOM
WIPERS-WASHER SYSTEM LOCKING SYSTEM
HEADLIGHT WASHER SYSTEM
WIPER SYSTEM TOP
TAB HOUSING
JUNIOR-POWER-TIMER HOUSING
PLUG HOUSING
FLAT SLEEVE HOUSING
FLAT PLUG HOUSING
AMP CYLINDRICAL TYPE CONNECTION
CABLE CORD
COMPRESSED AIR HORN
HORN
BACK UP HORN
VOLTAGE TRANSFORMER
VOLTAGE TRANSFORMER
BATTERY
VENTILATOR
BATTERY MAIN SWITCH
BATTERY MAIN SWITCH PNEUM
ACCIDENT -DATA RECORDER
RADIO, CD - PLAYER
LOUDSPEAKER
BASS SPEAKER
CONTROL CAMERA
BACKUP CAMERA
ANTENNA
ALARM SYSTEM
VIDEO SYSTEM
MONITOR
MONITOR TFT-LCD 10,4
MONITOR TFT-LCD 12,1
MONITOR
MICROPHONE
NAVIGATION SYSTEM
DASH BOARD INSTRUMENTS
INSTRUMENTS FOR DASH BOARD LEFT
INTRUMENTS FOR DASH BOARD RIGHTH
DRIVER’S INSTRUMENTS
SWITCH
SWITCH SYMBOLS DASH BOARD
TOOLBOX
ACCESSORIE
TOW ROD
SAFETY SIGNS
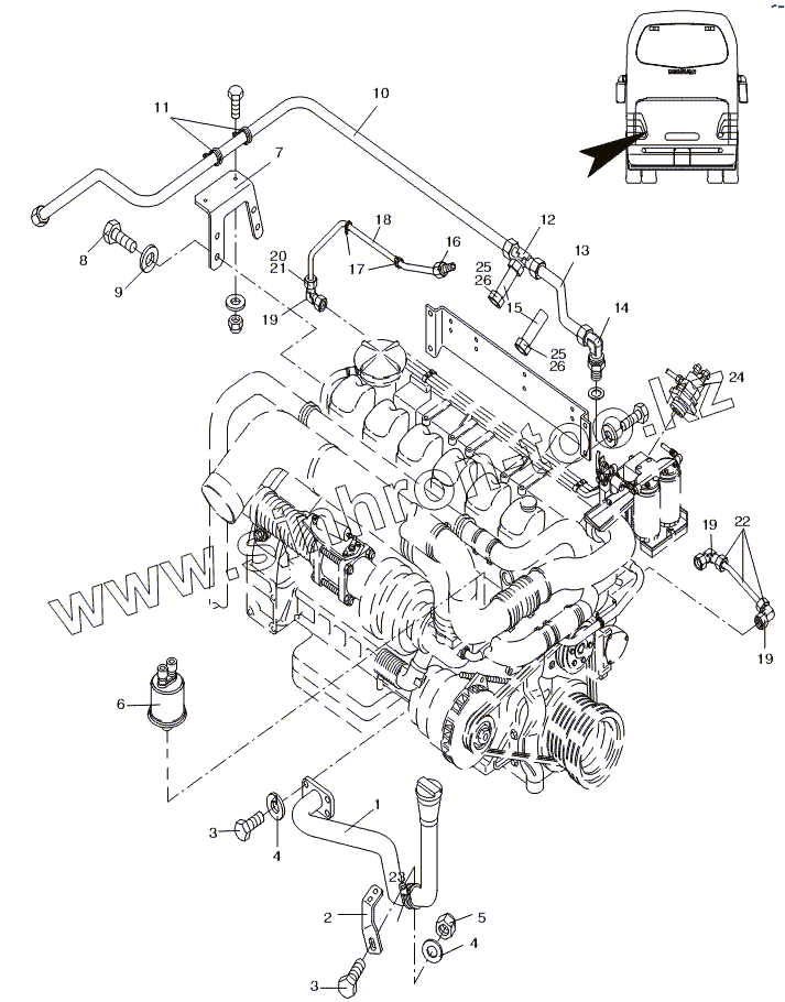
1
2
2
3
3
4
4
5
6
7
8
9
10
11
12
12
13
13
14
15
16
17
18
19
19
19
20
21
22
23
24
25
25
26
26
Позиция на иллюстрации
Заводской номер детали
Название детали
1
11003024
OIL FILLER
2
11003025
BRACKET
3
11055517
SCREW
4
11054594
WASHER
5
11055815
NUT
6
11002677
OIL PRESSURE SENDER
7
11068304
PNEUMATIC LINE HOLDER
8
11055588
SCREW DIN 933 M10x80 8.8
9
11054600
WASHER
10
11068400
PIPE FOR PNEUMATIC TENSION BLOWER DRIVE
11
11053105
HOSE CLAMP
12
11018149
SCREWING K 44/57
12
11010955
T-CONNECTOR 15-12/L 18
13
11071613
AIR COMPRESSOR TUBE N 516 WITH MAN
13
11005161
AIR TUBE-COMPRESSOR MAN
14
11017861
ANGLE-PLUG-TYPE NECK 430/61
15
11016855
BRAKE LINE TUBE 18x2
16
11017746
SCREWING K41/6
17
11053099
RUBER HORSE CLAMP
18
11060417
FUEL PIPE RETURN
19
11018011
ANGLE SCREWING
20
11018232
UNION NUT M10
21
11018255
RING 10MM
22
11005162
PIPE
23
11053113
RUBBER PIPE CLAMP
24
11003770
FLAME CANDLE
25
11018256
RING 12MM
26
11018244
UNION NUT M18
Содержащиеся в справочниках-каталогах запасные части и детали не предлагаются к продаже, а носят исключительно информационный характер
Дополнительная информация
×
Название:
Номер:
Примечание: