Вернуться на главную
Поиск
Каталоги запчастей к технике
Автобусы
Neoplan
N 3318 U E3
TRAVERSE
Каталог запасных частей к технике: Neoplan N 3318 U E3. TRAVERSE
zoom-in
zoom-out
enlarge
shrink
circle-right
circle-left
file-text2
info
cart
Тип техники
Не выбрано
Легковые автомобили
Грузовые автомобили и прицепы
Автобусы
Сельхозтехника
Спецтехника
Двигатели
Мототехника
Марка
Не выбрано
Golden Dragon
Hyundai
Ikarus
Karosa
King Long
Neoplan
Yutong
ZF
АМАЗ
Богдан
ЗИЛ
КАВЗ
Камский автозавод
ЛАЗ
ЛЗГМП
ЛиАЗ
Нефтекамский автозавод
ПАЗ
УралАЗ
Модель
Не выбрано
N 116 (MAN) E3 (2008)
N 116 (MAN) E3 (вар.) (2008)
N 116 E2 (2000)
N 3316 (DC OM 501 LA) E3 (2002)
N 3316 (MAN D 2866 LOH 29) E3 (2002)
N 3318 U E3 (2008)
N 516 SHD (MAN) E2 (2002)
N 516 SHD (MAN) E3 (2008)
N 516 SHD (MB) E2 (2000)
N 516 SHD (MB) E3 (2000)
N 516 SHD (MB, DC) E2 (2002)
Схема
>
Не выбрано
ENGINE
ADD - ON PARTS
ENGINE SUSPENSION
ALTERNATOR
COMPRESSOR SUPPORT
POWER - STEERING PUMP
V - BELT DRIVE
ACCELERATOR
CONTROL UNIT
ENGINE BRAKE
FUEL FILTER
EXHAUST SYSTEM
AIR FILTER SYSTEM
RADIATOR
COOLER
COOLER
WATER RESERVOIR
WATER CIRCULATION
AIR CIRCULATION
CLUTCH PEDAL
CLUTCH PEDAL
ASSEMBLY CLUTCH
ASSEMBLY CLUTCH
ASSEMBLY CLUTCH
CLUTCH PARTS
GEARBOX
SELECTOR SHAFT AND PARTS
OIL COOLER
PULSE SENSOR
GEARBOX CARRIER/MOUNTING
JOINT SHAFT
REAR AXLE
REAR AXLE
REAR AXLE
REAR AXLE
REAR AXLE
DISK BRAKE
DISK BRAKE
FRONT AXLE PARTS
FRONT AXLE PARTS
DISK BRAKE
3RD AXLE PARTS
3RD AXLE PARTS
3RD AXLE PARTS
DISK BRAKE 3RD AXLE
DISK BRAKE 3RD AXLE
AIR BAGS AND AIR SPRING DISK
AIR BAGS AND AIR SPRING DISK
SHOCK ABSORBER AND MOUNT
SHOCK ABSORBER AND MOUNT
SHOCK ABSORBER AND MOUNT
AIR SUSPENSION
AIR SUSPENSION
AIR SUSPENSION
AIR SUSPENSION
AIR SUSPENSION
AIR SUSPENSION
AIR SUSPENSION
AIR SUSPENSION
AIR SUSPENSION
WHEELS AND TYRES
WHEELS AND TYRES
WHEELS AND TYRES
WHEEL CAPS
BRAKE SYSTEM
BRAKE SYSTEM
BRAKE SYSTEM
BRAKE SYSTEM
BRAKE SYSTEM
BRAKE SYSTEM
BRAKE SYSTEM
PLACEMENT FOR AIR TANK
AIR RESERVOIR
AIR RESERVOIR
AIR RESERVOIR
AIR RESERVOIR
AIR RESERVOIR
AIR RESERVOIR
AIR RESERVOIR
AIR RESERVOIR
BRAKE VALVE
BRAKE VALVE
STEARING WHEEL AND COVERING
STEERING MECHANICS
STEERING MECHANICS
STEERING HYDRAULICS
STEERING PARTS
STEERING PARTS
STEERING PARTS
ADD - ON PARTS
TRAVERSE
ADD - ON PARTS
ADD - ON PARTS
ADD - ON PARTS
MUD FLAP
MOTOR ENCAPSULATION
ISOLATION
ISOLATION
ISOLATION
SYNTHETIC PARTS OUTSIDE
PARTS OUTSIDEPIECES
SYNTHETIC PARTS OUTSIDE
SYNTHETIC PARTS OUTSIDE
SYNTHETIC PARTS INSIDE
SYNTHETIC PARTS INSIDE
SYNTHETIC PARTS INSIDE
SYNTHETIC PARTS INSIDE
SYNTHETIC PARTS INSIDE
SYNTHETIC PARTS INSIDE
SYNTHETIC PARTS INSIDE
HEATING CIRCULATION
HEATING CIRCULATION
INDEPENDENT CAR HEATING
FRONTBOX
TEDDY - CIRCULATING - AIR HEATING
CONVECTOR/COVERING
VENTILATION
VENTILATION
ROOF VENTILATORS
AIR CONDITIONER
AIRCONDITIONER
AIR CONDITIONER
AIR CONDITIONER
HEATING CONTROL
LUGGAGE DUMP
LUGAGE DUMP
INSIDE COVER
INSIDE COVER
INSIDE COVER
SUNROOFS
SUN ROOF - DETAIL PARTS
SUN ROOF - DETAIL PARTS
PILLAR TRIM PANEL
DASHBOARD PARTS
DASHBOARD PARTS
UPPDER DECK FRONT
BARRIER, HANDRAILS
BARRIER, HANDRAILS
BARRIER, HANDRAILS
BARRIER, HANDRAILS
BARRIER, HANDRAILS
FLOOR CAP, WOOD FLOORING
FLOOR CAP, WOOD FLOORING
STORAGE BOX
SUN SHADES
SUN SHADES
SUN SHADES
SUN SHADES
MIRROR
MIRROR
MIRROR
MIRROR
PAYTABLES
DESTINATION BOX
DESTINATION BOX
SAFETY EQUIPMENT
SAFETY EQUIPMENT
TOILET
EXTRA ACCESSORIES
EXTRA ACCESSORIES
BUMPERS
WINDOWS
WINDOWS
WINDOWS
WINDOW ACCESSORIES
FLAPS
FLAPS
SERVICE DOORS
SERVICE DOORS
SERVICE DOORS
SERVICE FLAP
SERVICE FLAP
SERVICE DOORS
SERVICE DOORS
FLAP ACCESSORIES
FLAP ACCESSORIES
FLAP ACCESSORIES
ENGINE DOOR
ENGINE DOOR
CENTRAL LOCKING SYSTEM
DOORS
DOORS
OUTWARD SWINGING DOOR
DOORS
DOORS
DOORS
DOORS
DOOR CONTROL, EMERGENCY EXIT
DOOR CONTROL, EMERGENCY EXIT
DOOR CONTROL, EMERGENCY EXIT
DOOR CONTROL, EMERGENCY EXIT
DRIVER’S SEAT
CO - DRIVER’S SEAT
PASSENGERS SEAT
SEAT RAIL
TOOLS
ACCESSORIES
ACCESSORIES
DRIVER’S INSTRUMENTS
DRIVER’S INSTRUMENTS
DRIVER’S INSTRUMENTS
DRIVER’S INSTRUMENTS
EXTRA SWITCH PANELS
EXTRA SWITCH PANELS
EXTRA SWITCH PANELS
EXTRA SWITCH PANELS
EXTRA SWITCH PANEL
EXTRA SWITCH PANELS
EXTRA SWITCH PANELS
LIGHTING OUTSIDE
INSIDE LIGHTING
INSIDE LIGHTING
INSIDE LIGHTING
WIPERS WASHER SYSTEM
CABLE STRINGS
HORNS,SIGNALLING DEVICE
HORNS,SIGNALLING DEVICE
BATTERIES
BATTERIES
BEHR - FAN
RADIO, CD - PLAYER
LOUDSPEAKER
LOUDSPEAKER
LOUDSPEAKER
CONTROL CAMERA
ANTENNA
VIDEO AND TV SYSTEM
MICROPHONE
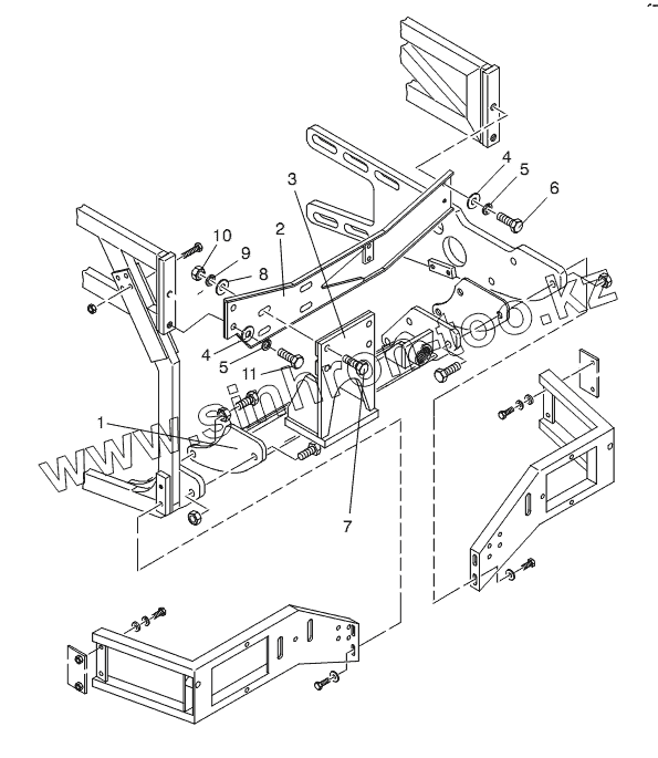
1
2
3
4
4
5
5
6
7
8
9
10
11
Позиция на иллюстрации
Заводской номер детали
Название детали
1
traverse
traverse
1.1
11078219
traverse
1.2
11078220
traverse
2
11022982
traverse engine
3
11079451
engine bracket
4
11054688
spring washer
5
11057251
washer
6
11066072
hexagon screw
7
11071906
hexagon screw
8
11054685
SPRING RING M14
9
11054605
WASHER
10
11055830
hexagon nut
11
11068973
hexagon screw
Содержащиеся в справочниках-каталогах запасные части и детали не предлагаются к продаже, а носят исключительно информационный характер
Дополнительная информация
×
Название:
Номер:
Примечание: