Каталог запасных частей к технике: Neoplan N 3318 U E3. DOORS
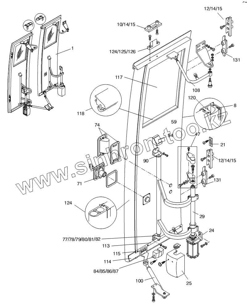
1
8
10
12
12
14
14
14
15
15
15
21
25
29
47
59
71
74
77
78
79
80
81
82
84
85
86
87
90
94
100
108
113
114
115
117
118
131
131
| Позиция на иллюстрации | Заводской номер детали | Название детали | |
|---|---|---|---|
| 11047200 | 11047200 | OUTWARD SWINGING DOOR | |
| 1 | 11065727 | DOOR WING | |
| 8 | 11069200 | RUBBER FRAME | |
| 10 | 11082036 | LOCK KEY UPPER | |
| 12 | 14002095 | LOCK KEY | |
| 14 | 14001409 | screw | |
| 15 | 14001408 | disc | |
| 21 | 14001407 | LOCK SHEET | |
| 25 | 14012414 | COVER | |
| 29 | 14001404 | pirot column | |
| 47 | 14011303 | HOLDER CPL. | |
| 59 | 11071710 | DOOR PANEL | |
| 71 | 11059672 | INTERLOCK | |
| 74 | 11047402 | doorhandle plate cpl. | |
| 77 | 14001350 | pirot column | |
| 78 | 14001351 | base | |
| 79 | 14002089 | screw | |
| 80 | 14001388 | disc | |
| 81 | 14001390 | disc | |
| 82 | 14001395 | bearing bolt | |
| 84 | 14001392 | cap | |
| 85 | 14001436 | holder | |
| 86 | 14001437 | clip | |
| 87 | 14001348 | screw | |
| 90 | 11046457 | DOOR-STORE | |
| 94 | 11047401 | CAP | |
| 100 | 14009933 | STEERING LINKAGE CPL. | |
| 108 | 14008494 | LEADERSHIP-POOR | |
| 113 | 14011796 | HOLDING STRIP | |
| 114 | 14001451 | RUBBER | |
| 115 | 14001348 | screw | |
| 117 | WINDOWS | WINDOWS | |
| 118 | 14001394 | RUBBER PROFIL | |
| 131 | 14001435 | lock key upper |
Содержащиеся в справочниках-каталогах запасные части и детали не предлагаются к продаже, а носят исключительно информационный характер