Вернуться на главную
Поиск
Каталоги запчастей к технике
Автобусы
Neoplan
N 3316 (MAN D 2866 LOH 29) E3
STEERING MECHANICS
Каталог запасных частей к технике: Neoplan N 3316 (MAN D 2866 LOH 29) E3. STEERING MECHANICS
zoom-in
zoom-out
enlarge
shrink
circle-right
circle-left
file-text2
info
cart
Тип техники
Не выбрано
Легковые автомобили
Грузовые автомобили и прицепы
Автобусы
Сельхозтехника
Спецтехника
Двигатели
Мототехника
Марка
Не выбрано
Golden Dragon
Hyundai
Ikarus
Karosa
King Long
Neoplan
Yutong
ZF
АМАЗ
Богдан
ЗИЛ
КАВЗ
Камский автозавод
ЛАЗ
ЛЗГМП
ЛиАЗ
Нефтекамский автозавод
ПАЗ
УралАЗ
Модель
Не выбрано
N 116 (MAN) E3 (2008)
N 116 (MAN) E3 (вар.) (2008)
N 116 E2 (2000)
N 3316 (DC OM 501 LA) E3 (2002)
N 3316 (MAN D 2866 LOH 29) E3 (2002)
N 3318 U E3 (2008)
N 516 SHD (MAN) E2 (2002)
N 516 SHD (MAN) E3 (2008)
N 516 SHD (MB) E2 (2000)
N 516 SHD (MB) E3 (2000)
N 516 SHD (MB, DC) E2 (2002)
Схема
>
Не выбрано
ENGINE
ADD - ON PARTS
ENGINE SUSPENSION
ALTERNATOR BRACKET
ALTERNATOR BRACKET
ALTERNATOR
ALTERNATOR
GENERATOR AERATION
STARTER
GENERAL PICTURE COMPRESSOR
COMPRESSOR SUPPORT
COMPRESSOR SUPPORT
V - BELT PRESS
POWER - STEERING PUMP
POWER - STEERING PUMP
V - BELT DRIVE
ACCELERATOR
CONTROL UNIT
ENGINE BRAKE
ENGINE BRAKE
FUEL FILTER
FUEL SYSTEM
FUEL TANK
FUEL TANK
FUEL TANK
RESERVE TANK
FUEL TANK
EXHAUST SYSTEM
AIR FILTER SYSTEM
AIR FILTER SYSTEM
COOLER
RADIATOR
RADIATOR
COOLER
RADIATOR
RADIATOR
WATER RESERVOIR
WATER CIRCULATION
AIR CIRCULATION
RETARDER COOLING
CLUTCH PEDAL
CLUTCH PEDAL
ASSEMBLY CLUTCH
ASSEMBLY CLUTCH
CLUTCH PARTS
GEARBOX
GEARBOX
GEARBOX
GEARBOX
SELECTOR SHAFT AND PARTS
SELECTOR PARTS
PULSE SENSOR
RETARDER TELMA
RETARDER VOITH
GEARBOX CARRIER/MOUNTING
GEARBOX CARRIER/MOUNTING
TRANSMISSION SUPPORT
TRANSMISSION SUPPORT
TRANSMISSION SUPPORT
JOINT SHAFT
REAR AXLE
REAR AXLE PARTS
REAR AXLE PARTS
REAR AXLE PARTS CASING
REAR AXLE PARTS
REAR AXLE DISK BRAKE
REAR AXLE DISK BRAKE
REAR AXLE SUBFRAME
REAR AXLE SUBFRAME
REAR AXLE SUBFRAME
FRONT AXLE
FRONT AXLE
FRONT AXLE PARTS
FRONT AXLE PARTS
DISK BRAKE FRONT AXLE
DISK BRAKE FRONT AXLE
STABILIZER
TRAILING AXLE
AIR BAGS AND AIR SPRING DISK
AIR BAGS AND AIR SPRING DISK
AIR BAGS AND AIR SPRING DISK
AIR BAGS AND AIR SPRING DISK
SHOCK ABSORBER AND MOUNT
SHOCK ABSORBER AND MOUNT
SHOCK ABSORBER AND MOUNT
AIR SUSPENSION
AIR SUSPENSION
AIR SUSPENSION
AIR SUSPENSION
AIR SUSPENSION
AIR SUSPENSION
AIR SUSPENSION
AIR SUSPENSION
AIR SUSPENSION
AIR SUSPENSION
AIR SUSPENSION
AIR SUSPENSION
AIR SUSPENSION
AIR SUSPENSION
AIR SUSPENSION
AIR DRYER
BRAKE SYSTEM
BRAKE SYSTEM
TEST CONNECTION
TEST CONNECTION
BRAKE SYSTEM
BRAKE SYSTEM
BRAKE SYSTEM
BRAKE SYSTEM
BRAKE SYSTEM
BRAKE SYSTEM
BRAKE SYSTEM
BRAKE SYSTEM
BRAKE SYSTEM
BRAKE SYSTEM
BRAKE SYSTEM
BRAKE SYSTEM
BRAKE SYSTEM
BRAKE SYSTEM
BRAKE SYSTEM
BRAKE SYSTEM
BRAKE SYSTEM
RUNNING BRAKE
RUNNING BRAKE
RUNNING BRAKE
RUNNING BRAKE
RUNNING BRAKE
RUNNING BRAKE
RUNNING BRAKE
BRAKE VALVE
PLACEMENT FOR AIR TANK
PLACEMENT FOR AIR TANK
PLACEMENT FOR AIR TANK
PLACEMENT FOR AIR TANK
PLACEMENT FOR AIR TANK
PLACEMENT FOR AIR TANK
PLACEMENT FOR AIR TANK
PLACEMENT FOR AIR TANK
PLACEMENT FOR AIR TANK
PLACEMENT FOR AIR TANK
PLACEMENT FOR AIR TANK
PLACEMENT FOR AIR TANK
PLACEMENT FOR AIR TANK
STEERING HYDRAULICS
STEARING WHEEL AND COVERING
STEARING WHEEL AND COVERING
STEERING MECHANICS FRONT AXLE
STEERING MECHANICS FRONT AXLE
STEERING MECHANICS FRONT AXLE
STEERING MECHANICS FRONT AXLE
STEERING MECHANICS
STEERING PARTS
WHEELS AND TYRES
WHEELS AND TYRES
WHEELS AND TYRES
WHEELS AND TYRES
WHEELS AND TYRES
WHEELS AND TYRES
WHEEL CAPS
WHEEL CAPS
BATTERY TRAY
BACK CROSS BAR
BACK CROSS BAR
BACK CROSS BAR
BACK CROSS BAR
PROFILE PARTS
ANCILLARY PART
DASH BOARD
DASH BOARD
DRIVER’S INSTRUMENTS
DRIVER’S INSTRUMENTS
DRIVER’S INSTRUMENTS
DASH BOARD
EXTRA SWITCH PANELS
EXTRA SWITCH PANELS
EXTRA SWITCH PANELS
EXTRA SWITCH PANELS
EXTRA SWITCH PANELS
EXTRA SWITCH PANELS
EXTRA SWITCH PANELS
EXTRA SWITCH PANELS
EXTRA SWITCH PANELS
EXTRA SWITCH PANELS
EXTRA SWITCH PANELS
EXTRA SWITCH PANELS
EXTRA SWITCH PANELS
EXTRA SWITCH PANELS
EXTRA SWITCH PANELS
EXTRA SWITCH PANELS
EXTRA SWITCH PANELS
EXTRA SWITCH PANELS
EXTRA SWITCH PANELS
EXTRA SWITCH PANELS
EXTRA SWITCH PANELS
LIGHTING OUTSIDE
LIGHTING OUTSIDE
INSIDE LIGHTING
INSIDE LIGHTING
LIGHTING INSIDE
WIPERS - WASHER SYSTEM
CABLE STRINGS
CABLE STRINGS
COMPRESSED AIR HORN
BATTERY
BATTERY
BATTERY
BATTERY
BATTERY
BEHR - QUIRL
EXTRA ACCESSORIES
RADIO, CD - PLAYER
RADIO, CD - PLAYER
LOUDSPEAKER
LOUDSPEAKER
LOUDSPEAKER
LOUDSPEAKER
CONTROL CAMERA
BACKUP CAMERA
ANTENNA
ALERT SYSTEM
VIDEO & TV SYSTEM
VIDEO & TV SYSTEM
MICROPHONE
MICROPHONE
EXTRA ACCESSORIES
SHEET METAL OUTSIDE
SHEET METAL OUTSIDE
MUD FLAP
MUD FLAP
MUD FLAP
MUD FLAP
MUD FLAP
MUD FLAP
MUD FLAP
SHEETMETAL DRIVER
MOTOR ENCAPSULATION
ISOLATION
SYNTHETIC PARTS OUTSIDE
SYNTHETIC PARTS OUTSIDE
SYNTHETIC PARTS OUTSIDE
SYNTHETIC PARTS INSIDE
SYNTHETIC PARTS INSIDE
SYNTHETIC PARTS INSIDE
SYNTHETIC PARTS INSIDE
SYNTHETIC PARTS INSIDE
SYNTHETIC PARTS INSIDE
SYNTHETIC PARTS INSIDE
SYNTHETIC PARTS INSIDE
SYNTHETIC PARTS INSIDE
SYNTHETIC PARTS INSIDE
SYNTHETIC PARTS INSIDE
HEATING CIRCULATION
WATER HEATING DEVICE
CIRCULATING PUMP
FRONTBOX
FRONTBOX
HEATING CIRCULATION
TEDDY - CIRCULATING - AIR HEATING
CONVECTOR / COVERING
CONVECTOR / COVERING
VENTILATION
VENTILATION
ROOF VENTILATORS
AIR CONDITIONER
AIR CONDITIONING SYSTEM
AIR CONDITIONER
INSIDE COVER
HEATING CONTROL
HEATING CONTROL
STRIPS OUTDOOR
LUGGAGE DUMP
LUGGAGE DUMP
INSIDE COVER
INSIDE COVER
INSIDE COVER
INSIDE COVER
INSIDE COVER
SUN ROOF - DETAIL PARTS
SUN ROOF - DETAIL PARTS
SUN ROOF - DETAIL PARTS
PILLAR TRIM PANEL
PILLAR TRIM PANEL
PILLAR TRIM PANEL
DASH BOARD/LEFT
DASH BOARD
DASH BOARD/RIGHT
DASH BOARD
UPPDER DECK FRONT
UPPDER DECK FRONT
BARRIER
BARRIER
BARRIER
BARRIER
BARRIER
BARRIER, HANDRAILS
BARRIER, HANDRAILS
FLOOR CAP
FLOOR CAP
FLOOR CAP
FLOOR CAP
FLOOR CAP
FLOOR CAP
FLOOR CAP
FLOOR CAP
BOTTOM COVER
STORAGE BOX
WINDSHIELD ROLLER BLIND
WINDSHIELD ROLLER BLIND
SIDE WINDOW ROLLER BLIND
SUN SHADES
OUTSIDE MIRROR LEFT
OUTSIDE MIRROR RIGHT
MIRROR RIGHT
OUTSIDE MIRROR LEFT
INSIDE MIRROR
PAYTABLES
DESTINATION BOX
EMERGENCY HAMMER
FIRE EXTINGUISHER
KITCHEN
TOILET - DETAIL PARTS
TOILET - DETAIL PARTS
TOILET - DETAIL PARTS
TOILET
WATER TANK
SKIING TRUNK
SAFE
DRIVER’S SLEEPING CABIN
DRIVER’S SLEEPING CABIN
DRIVER’S SLEEPING CABIN
CENTR. LUBRICATION SYSTEM
EXTRA ACCESSORIES
EXTRA ACCESSORIES
EXTRA ACCESSORIES
EXTRA ACCESSORIES
EXTRA ACCESSORIES
SPECIAL EQUIPMENT
BUMPERS
BUMPERS
WINDOWS
WINDOWS
WINDOWS
WINDOWS
WINDOWS
WINDOWS
WINDOWS
WINDOWS
WINDOWS
WINDOWS
WINDOWS
WINDOWS
WINDOWS
WINDOWS
WINDOW ACCESSORIES
FLAP
FLAP
FLAP
FLAP
FLAP
FLAP
FLAP
FLAP
LUGGAGE - COMPARTMENT LID
SERVICE - TAB
SERVICE - TAB
SERVICE - TAB
LUGGAGE - COMPARTMENT LID
LUGGAGE - COMPARTMENT LID
LUGGAGE - COMPARTMENT LID
SERVICE - TAB
SERVICE - TAB
SERVICE - TAB
SERVICE - TAB
FLAP ACCESSORIES
FLAP ACCESSORIES
FLAP ACCESSORIES
FLAP ACCESSORIES
TANK - WORK OUT
TANK - WORK OUT
ENGINE ROOM FLAP
CENTRAL LOCKING SYSTEM
DOORS
DOORS
DOORS
DOORS
OUTWARD SWINGING DOOR FRONT
OUTWARD SWINGING DOOR
OUTWARD SWINGING DOOR
OUTWARD SWINGING DOOR
OUTWARD SWINGING DOOR
OUTWARD SWINGING DOOR FRONT
OUTWARD SWINGING DOOR FRONT
OUTWARD SWINGING DOOR
OUTWARD SWINGING DOOR
DOORS
DOOR
DOOR
DOOR CONTROL UNIT
DOOR CONTROL UNIT
DOOR CONTROL UNIT
DOOR CONTROL UNIT
DOOR CONTROL UNIT
DOOR CONTROL UNIT
DOOR CONTROL UNIT
EMERGENCY LOOK
EMERGENCY LOOK
EMERGENCY LOOK
DOOR ACCESSORIES
DRIVER’S SEAT RECARO
DRIVER’S SEAT ISRI
DRIVER’S SEAT ISRI
CO - DRIVER SEAT
CO - DRIVER’S SEAT
SEATING PARTS
SEAT RAIL
TOOLS
ACCESSORIES
ACCESSORIES
TOW ROD
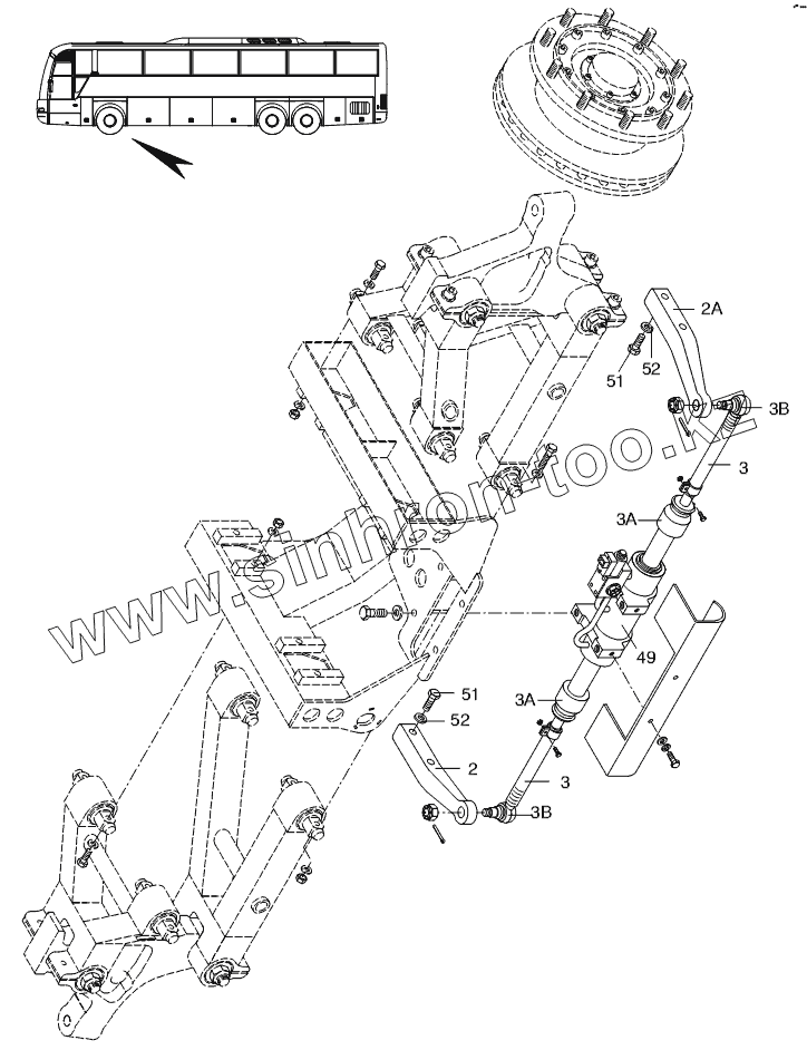
2
2a
3
3
3a
3a
3b
3b
49
51
51
52
52
Позиция на иллюстрации
Заводской номер детали
Название детали
2
11016310
AXLE CENTER HOUSING
2a
11020176
LOCKING LEVER RIGHT
3
11019664
STEERING TIE 0,40X5,7X610
3a
11015886
AXIAL-JOINT
3b
ball
ball joint
49
cylinder
slave cylinder
51
11056137
HEXAGON SCREW
52
11054567
TAB WASHER
Содержащиеся в справочниках-каталогах запасные части и детали не предлагаются к продаже, а носят исключительно информационный характер
Дополнительная информация
×
Название:
Номер:
Примечание: