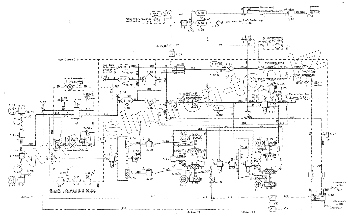
Каталог запасных частей к технике: Neoplan N 116 E2. BRAKE SYSTEM
1.00
2.11
2.21
3.03
3.03
3.03
3.04
3.04
3.05
3.05
3.05
3.05
3.05
3.05
3.05
3.05
3.05
3.05
3.05
3.05
3.05
3.05
3.05
3.06A
3.06A
3.06A
3.06B
3.06B
3.06B
3.14
3.14
3.14
3.14
3.14
3.40
3.40
3.40
3.40
3.40
3.50
4.01
4.03
4.10
4.11
4.13
4.13
4.13
4.18
4.50
4.50
4.50
4.50
4.50
4.60
5.05
5.09
5.09
5.17
5.17
5.17
5.17
5.17
5.17
5.33
5.33
5.35
5.35
8.51
8.51
9.40
9.40
9.40
9.40
9.40
9.40
9.40
9.40
9.40
9.40
9.40
9.40
9.40
9.40
9.40
9.40
9.41
9.42
2.22
2.22
3.02
3.02
3.02
3.02
3.02
3.02
3.02
3.02
3.02
3.07
3.07
3.07
3.20
3.20
3.20
4.03А
4.82
4.84
4.88
3.08
3.08
3.08
4.12
4.12
4.14
4.80
4.80
| Позиция на иллюстрации | Заводской номер детали | Название детали | |
|---|---|---|---|
| 1.00 | AIR COMPRESSOR | AIR COMPRESSOR | |
| 2.11 | 1102.107.00 | LINE CLEANER | |
| 2.21 | 110.2748.50 | AIR DRYER | |
| 3.02 | 1102.271.00 | DRAIN VALVE | |
| 3.03 | 1102.23100.99 | NON RETURN VALVE | |
| 3.04 | 1102.26200.99 | TWO-WAY-VALVE | |
| 3.05 | 1104.742.00 | TEST CONNECTION | |
| 3.06A | 151 010 009 36 | DOUBLE MANOMETER WITH PRESSURE SWITCH | |
| 3.06B | 0114.109.00 | PRESSURE SWITCH | |
| 3.07 | 1102.779.00 | CHECK SWITCH | |
| 3.08 | 1102.800.00 | STOP SWITCH | |
| 3.14 | 1102.26100.99 | TWO-WAY-VALVE | |
| 3.20 | 1101.574.00 | AIR TANK | |
| 3.20 | 1102.575.00 | AIR RESERVOIRE WITH HOLDER | |
| 3.40 | 1102.579.00 | AIR RESERVOIRE WITH HOLDER | |
| 3.50 | 1101.500.00 | AIR DRYER | |
| 4.01 | 1102.106.10 | PEDAL-OPERATED BRAKE VALVE | |
| 4.03 | 1102.301.00 | HAND BRAKE VALVE | |
| 4.10 | 1102.251.00 | FOUR CIRCUIT VALVE | |
| 4.11 | 1102.484.00 | OVERFLOW VALVE | |
| 4.12 | 1102.145.00 | QUICK RELAY VALVE | |
| 4.13 | 1102.144.00 | RELAY VALVE | |
| 4.18 | 1102.190.00 | PRESSURE CONVERTER | |
| 4.50 | 1122.627.00 | PRESSURECONTROL VALVE | |
| 4.60 | 1122.626.00 | SOLENOID VALVE | |
| 4.80 | 1102.540.09 | 3/2-WAY-VALVE | |
| 5.05 | BRAKE CYLINDER | BRAKE CYLINDER TERMINATING DATE | |
| 5.09 | 0822.010.00 | BRAKE CYLINDER | |
| 5.09 | 0822.010.10 | BRAKE CYLINDER | |
| 5.17 | 082031140 | DISC BRAKE | |
| 5.33 | 0722.017.00 | BRAKE CYLINDER | |
| 5.35 | 1122.043.00 | BRAKE CYLINDER | |
| 8.51 | 1102.470.00 | MUFFLER | |
| 9.40 | 1101.108.00 | BRAKE HOSE | |
| 9.41 | 1101.371.00 | HYDRAULIC HOSE | |
| 9.42 | 1101.250.10 | TEFLON HOSE WITH HEAT PROTECTION | |
| 2.22 | 1102.185.00 | PRESSURE REGULATOR | |
| 3.02 | 1102.271.00 | DRAIN VALVE | |
| 3.03 | 1102.231.00 | NON RETURN VALVE | |
| 3.07 | 1102.779.00 | CHECK SWITCH | |
| 3.20 | AIR RESERVOIR | AIR RESERVOIR | |
| 4.03А | 1122.030.00 | HAND BRAKE VALVE | |
| 4.82 | 1102.032.00 | TRAILER CONTROL VALVE | |
| 4.84 | 1122.004.00 | COUPLING HEAD | |
| 4.88 | 1122.003.00 | COUPLING HEAD | |
| 3.08 | 1102.800.00 | STOP SWITCH | |
| 3.14 | 1102.261.00 | TWO-WAY-VALVE | |
| 4.12 | 1102.145.00 | QUICK RELAY VALVE | |
| 4.14 | 1102.184.00 | PRESSURE REDUCING VALVE | |
| 4.80 | 1102.540.09 | 3/2-WAY-VALVE |
Содержащиеся в справочниках-каталогах запасные части и детали не предлагаются к продаже, а носят исключительно информационный характер