Каталог запасных частей к технике: Neoplan N 116 (MAN) E3 (вар.). HYDROSTATIC DRIVE
1
2
3
4
5
5
5
6
6
6
6
6
6
7
8
8
9
9
10
10
10
11
12
13
13
14
14
15
15
15
15
16
16
16
16
17
18
19
20
21
21
21
21
21
21
21
21
22
22
22
22
22
22
22
22
23
23
24
24
25
26
27
27
28
28
29
30
31
31
31
31
31
31
31
31
32
33
34
34
34
35
36
37
37
38
38
39
39
39
40
41
42
42
42
43
43
43
44
44
44
44
45
46
46
46
47
48
49
49
50
50
54
55
55
55
55
56
57
58
58
59
60
61
62
63
64
65
66
67
68
69
70
70
71
72
74
75
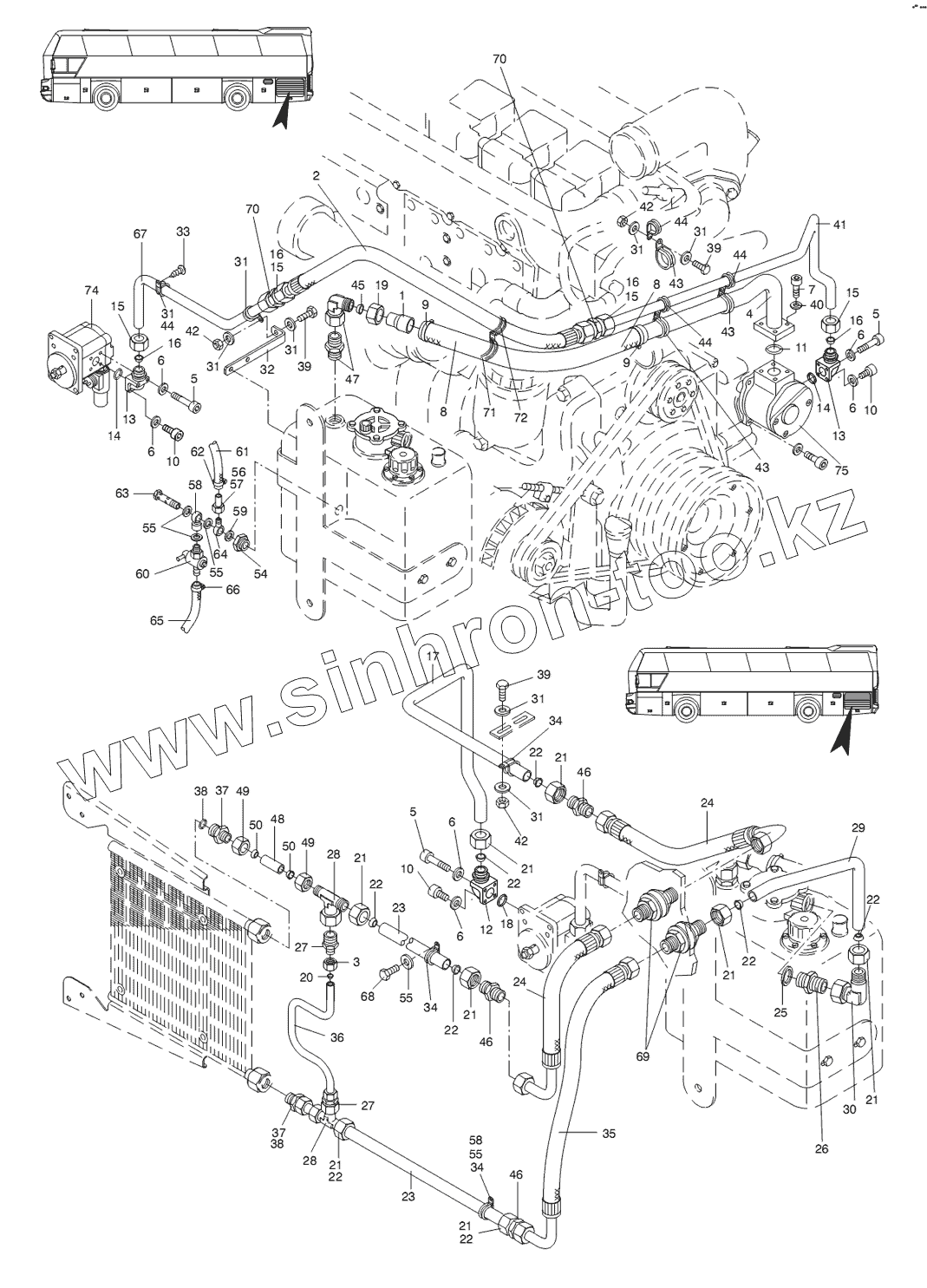
| Позиция на иллюстрации | Заводской номер детали | Название детали | |
|---|---|---|---|
| drawing | drawing | hydraulic drawing | |
| 1 | 11082180 | reducing tube | |
| 2 | 11082174 | hose line | |
| 3 | 11003878 | union nut | |
| 4 | 11057769 | suction line | |
| 5 | 11001428 | fillister-head screw | |
| 6 | 11003945 | locking screw | |
| 7 | 11054815 | SCREW | |
| 8 | 11004187 | hose | |
| 9 | 11032368 | hose clamp | |
| 10 | 11001404 | screw | |
| 11 | 11082268 | o-ring | |
| 12 | 11001416 | angle flange | |
| 13 | 11001429 | angle flange | |
| 14 | 11001430 | o-ring | |
| 15 | 11082279 | union nut | |
| 16 | 11082276 | cutting ring | |
| 17 | 11082179 | return line | |
| 18 | 11010628 | o-ring | |
| 19 | 11082278 | union nut | |
| 20 | 11082273 | cutting ring | |
| 21 | 11082281 | union nut | |
| 22 | 11082274 | cutting ring | |
| 23 | 11016858 | HYDRAULIC PIPE | |
| 24 | 11082173 | hose line | |
| 25 | 11082264 | sealing ring | |
| 26 | 11000866 | screw neck | |
| 27 | 11082286 | screw neck | |
| 28 | 11082287 | screwing | |
| 29 | 11082178 | return line | |
| 30 | 11082283 | screwing | |
| 31 | 14007986 | disk | |
| 32 | 11082177 | angle piece | |
| 33 | 11056743 | SCREW | |
| 34 | 11082271 | attachment clamp | |
| 35 | 11082172 | hose line | |
| 36 | 13019677 | pipe | |
| 37 | 11082285 | screw neck | |
| 38 | 11082266 | o-ring | |
| 39 | 11082254 | hexagon screw | |
| 40 | 11082263 | tab washer | |
| 41 | 11082176 | pressure line | |
| 42 | 11082260 | hexagoon screw | |
| 43 | 11082272 | attachment clamp | |
| 44 | 11053108 | TUBE CLAMP | |
| 45 | 11082275 | CUTTING RING | |
| 46 | 11082282 | SCREW NECK | |
| 47 | 11082284 | SCREW NECK | |
| 48 | 11016854 | brake pipe tube | |
| 49 | 11017712 | UNION NUT | |
| 50 | 11018259 | CUTTING RING | |
| 51 | 14004656 | NIPPLE | |
| 52 | 14004657 | HOLLOW SCREW | |
| 53 | 11082267 | SEALING RING | |
| 54 | 14004655 | SCREW NECK | |
| 55 | 11082262 | DISK | |
| 56 | 13019683 | SCREWING | |
| 57 | 11082280 | UNION NUT | |
| 58 | 11003821 | RING PIECE | |
| 59 | 11005920 | SEALING RING | |
| 60 | 12004123 | DRAIN COCK | |
| 61 | 11082321 | HOSE | |
| 62 | 11082269 | HOSE CLAMP | |
| 63 | 14004659 | DOUBLE HOLLOW SCREW | |
| 64 | 14004658 | RING PIECE | |
| 65 | 13019673 | HOSE | |
| 66 | 11082269 | HOSE CLAMP | |
| 67 | 11082175 | PRESSURE LINE | |
| 68 | 11055514 | SCREW | |
| 69 | 11017831 | SCREWING | |
| 70 | 11017773 | SCREWING | |
| 71 | 11053119 | CLAMP | |
| 72 | 11053111 | RUBBER PIPE CLAMB | |
| 73 | 11053112 | HOSE CLAMP | |
| 74 | 11083212 | HYDRAULIC MOTOR | |
| 75 | 11060432 | HYDRAULIC PUMP |
Содержащиеся в справочниках-каталогах запасные части и детали не предлагаются к продаже, а носят исключительно информационный характер