Вернуться на главную
Поиск
Каталоги запчастей к технике
Автобусы
Neoplan
N 116 (MAN) E3 (вар.)
GEARBOX CARRIER/ MOUNTING
Каталог запасных частей к технике: Neoplan N 116 (MAN) E3 (вар.). GEARBOX CARRIER/ MOUNTING
zoom-in
zoom-out
enlarge
shrink
circle-right
circle-left
file-text2
info
cart
Тип техники
Не выбрано
Легковые автомобили
Грузовые автомобили и прицепы
Автобусы
Сельхозтехника
Спецтехника
Двигатели
Мототехника
Марка
Не выбрано
Golden Dragon
Hyundai
Ikarus
Karosa
King Long
Neoplan
Yutong
ZF
АМАЗ
Богдан
ЗИЛ
КАВЗ
Камский автозавод
ЛАЗ
ЛЗГМП
ЛиАЗ
Нефтекамский автозавод
ПАЗ
УралАЗ
Модель
Не выбрано
N 116 (MAN) E3 (2008)
N 116 (MAN) E3 (вар.) (2008)
N 116 E2 (2000)
N 3316 (DC OM 501 LA) E3 (2002)
N 3316 (MAN D 2866 LOH 29) E3 (2002)
N 3318 U E3 (2008)
N 516 SHD (MAN) E2 (2002)
N 516 SHD (MAN) E3 (2008)
N 516 SHD (MB) E2 (2000)
N 516 SHD (MB) E3 (2000)
N 516 SHD (MB, DC) E2 (2002)
Схема
>
Не выбрано
ENGINE
ENGINE
GENERAL ENGINE PARTS
GENERAL ENGINE PARTS
GENERAL ENGINE PARTS
GENERAL ENGINE PARTS
GENERAL ENGINE PARTS
ENGINE MOUNTINGS
ALTERNATOR
ALTERNATOR
ALTERNATOR
ALTERNATOR
ALTERNATOR
ALTERNATOR
ALTERNATOR
STARTER
COMPRESSOR
COMPRESSOR
COMPRESSOR
COMPRESSOR
COMPRESSOR
COMPRESSOR
COMPRESSOR
STEERING SYSTEM PUMP
STEERING SYSTEM PUMP
BELT PULLEYS, DRIVE BELTS
BELT PULLEYS, DRIVE BELTS
ENGINE CONTROLS
ENGINE CONTROLS
ENGINE CONTROLS
ENGINE BRAKE
FUEL FILTER
FUEL SYSTEM
FUEL SYSTEM
FUEL TANK, FUEL OIL TANK
FUEL TANK, FUEL OIL TANK
EXHAUST SYSTEM
EXHAUST SYSTEM
AIR FILTER
AIR FILTER
AIR FILTER
RADIATOR
RADIATOR
RADIATOR
RADIATOR
WATER RESERVOIR
WATER PIPING
WATER PIPING
AIR CIRCULATION
AIR CIRCULATION
AIR CIRCULATION
RETARDER COOLING
RETARDER COOLING
RETARDER COOLING
RETARDER COOLING
HYDROSTATIC DRIVE
HYDROSTATIC DRIVE
CLUTCH PEDAL
CLUTCH PLATE
CLUTCH PARTS
GEARBOX
GEARBOX
GEARBOX
GEARBOX
GEARBOX
GEARBOX PARTS
GEARBOX PARTS
GEARBOX PARTS
SELECTOR SHAFT AND PARTS
SELECTOR SHAFT AND PARTS
SELECTOR SHAFT AND PARTS
SELECTOR SHAFT AND PARTS
OIL COOLER
OIL COOLER
TACHO DRIVE
RETARDER TELMA
RETARDER - TELMA
RETARDER - VOITH
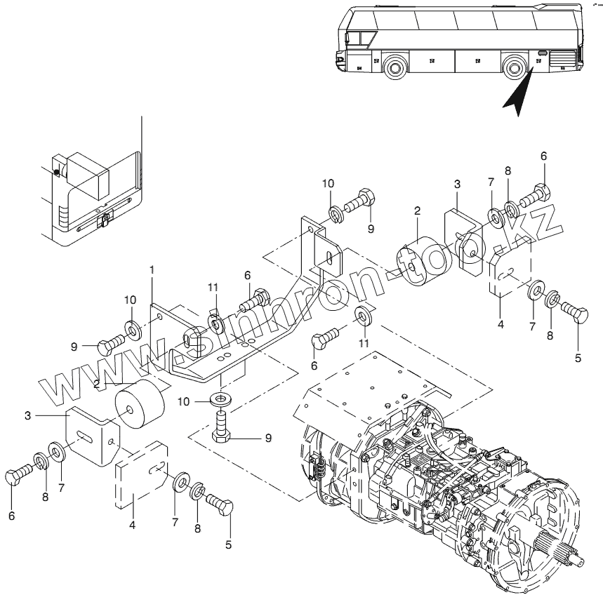
GEARBOX CARRIER/ MOUNTING
GEARBOX CARRIER/ MOUNTING
GEARBOX CARRIER/ MOUNTING
GEARBOX CARRIER/ MOUNTING
GEARBOX CARRIER/ MOUNTING
GEARBOX CARRIER/ MOUNTING
DRIVE SHAFT
REAR AXLE
REAR AXLE
REAR AXLE PARTS
REAR AXLE PARTS
REAR AXLE PARTS
REAR AXLE PARTS
DISC BRAKE
DISC BRAKE
A - FRAME
A - FRAME
FRONT AXLE PARTS
FRONT AXLE PARTS
FRONT AXLE PARTS
FRONT AXLE PARTS
FRONT AXLE PARTS
DISK BRAKE
DISK BRAKE
STABILIZER
3RD AXLE PARTS
3RD AXLE PARTS
3RD AXLE PARTS
3RD AXLE PARTS
AIR BAGS
AIR BAGS
AIR BAGS
SHOCK ABSORBER
SHOCK ABSORBER
SHOCK ABSORBER
AIR SUSPENSION
AIR SUSPENSION
3RD AXLE RELIEVE
RAISE AND LOWER SYSTEM
RAISE AND LOWER SYSTEM
RAISE AND LOWER SYSTEM
RAISE AND LOWER SYSTEM
RAIS AND LOWER SYSTEM
RAIS AND LOWER SYSTEM
RAIS AND LOWER SYSTEM
RAISE AND LOWER SYSTEM
AIR DRYER
AIR DRYER
ABS/ASR
ABS/ASR
AIR RESERVOIR
AIR RESERVOIR
AIR RESERVOIR
AIR RESERVOIR
AIR RESERVOIR
AIR RESERVOIR
AIR RESERVOIR
BRAKE VALVE ZF - AXLE
BRAKE VALVE ZF - AXLE
BRAKE VALVE ZF - AXLE
BRAKE VALVE ZF - AXLE
BRAKE VALVE ZF - AXLE
BRAKE VALVE ZF - AXLE
BRAKE VALVE ZF - AXLE
BRAKE VALVE ZF - AXLE
BRAKE VALVE ZF - AXLE
BRAKE VALVE ZF - AXLE
BRAKE VALVE ZF - AXLE
BRAKE VALVE ZF - AXLE
BRAKE VALVE ZF - AXLE
CONNECTORS
BRAKE SYSTEM CONNECTION
AIR PIPES
AIR PIPES
AIR PIPES
AIR PIPES
RETARDER CONTROL TELMA
STEERING WHEEL
STEERING MECHANICS
STEERING HYDRAULICS
STEERING HYDRAULICS
STEERING HYDRAULICS
STEERING PARTS
STEERING PARTS
STEERING PARTS
STEERING PARTS
STEERING PARTS
TYRES
TYRES
TYRES
TYRES
WHEEL CAPS
WHEEL CAPS
WHEEL CAPS
WHEEL CAPS
WHEEL CAPS
WHEEL CAPS
SKELETON
BATTERY CARRIER
BATTERY CARRIER
RESERVE TYRE STORAGE
FRONT/ REAR TRAVERSE
PROFILE PARTS
ADD - ON PARTS
DRIVER’S INSTRUMENTS
DRIVER’S INSTRUMENTS
SYMBOLS AND SWITCHES
SYMBOLS AND SWITCHES
MAIN SWITCHBOARD
EXTRA SWITCH PANELS
EXTRA SWITCH PANELS
EXTRA SWITCH PANELS
EXTRA SWITCH PANELS
EXTRA SWITCH PANELS
EXTRA SWITCH PANELS
EXTRA SWITCH PANELS
EXTRA SWITCH PANELS
EXTRA SWITCH PANELS
EXTRA SWITCH PANELS
EXTRA SWITCH PANELS
EXTRA SWITCH PANELS
LIGHTING OUTSIDE
LIGHTING OUTSIDE
LIGHTING OUTSIDE
LIGHTING OUTSIDE
LIGHTING INSIDE
LIGHTING INSIDE
WIPERS AND HEADLIGHT - WASHER SYSTEM
WIPERS AND HEADLIGHT - WASHER SYSTEM
PLUGS
PLUGS
PLUGS
PLUGS
PLUGS
PLUGS
PLUGS
PLUGS
PLUGS
CABLE HARNESS
HORNS, SIGNALLING DEVICE
HORNS, SIGNALLING DEVICE
HORNS, SIGNALLING DEVICE
VOLTAGE CONVERTER
BATTERIES
BATTERIES
BEHR - QUIRL
BATTERY ISOLATING LINK
BATTERY ISOLATING LINK
PLUG SOCKET
ACCIDENT - DATA RECORDER
FIRE DETECTOR
RADIO
LOUDSPEAKER
LOUDSPEAKER
CONTROL AND BACKUP CAMERA
CONTROL AND BACKUP CAMERA
ANTENNA
ANTENNA
ALERT SYSTEM
VIDEO/ TV SYSTEM
VIDEO/ TV SYSTEM
VIDEO/ TV SYSTEM
VIDEO/ TV SYSTEM
VIDEO/ TV SYSTEM
VIDEO/ TV SYSTEM
VIDEO/ TV SYSTEM
VIDEO/ TV SYSTEM
MICROPHONE
MICROPHONE
MICROPHONE
NAVIGATION SYSTEM
SHEETMETAL OUTSIDE
SHEETMETAL INSIDE
SHEETMETAL DRIVER, MUD FLAP
SHEETMETAL DRIVER, MUD FLAP
MOTOR ENCAPSULATION
ISOLATION
ISOLATION
SYNTHETIC PARTS OUTSIDE
SYNTHETIC PARTS OUTSIDE
SYNTHETIC PARTS OUTSIDE
SYNTHETIC PARTS OUTSIDE
SYNTHETIC PARTS OUTSIDE
SYNTHETIC PARTS OUTSIDE
SYNTHETIC PARTS OUTSIDE
SYNTHETIC PARTS OUTSIDE
SYNTHETIC PARTS OUTSIDE
SYNTHETIC PARTS INSIDE
SYNTHETIC PARTS INSIDE
SYNTHETIC PARTS INSIDE
HEATING CIRCULATION
AUXILIARY HEATING
AUXILIARY HEATING
FRONTBOX
FRONTBOX
EXTRA HEATING APPARTUS
EXTRA HEATING APPARTUS
EXTRA HEATING APPARTUS
RADIATORS
VENTILATION
AIR CONDITIONER
HEATING, VENTILATION AND AIR CONDITIONING CONTROL
POLLEN FILTER
EXTERIOR MOULDING
INTERIOR MOULDING
INTERIOR MOULDING
AIR CHANNELS, LUGGAGE DUMP
INTERIOR ROOF
SUNROOFS
WINDOW FRAME COVER
DASHBORD PARTS
DASHBORD PARTS
DASHBORD PARTS
DASHBORD PARTS
UPPER DECK FRONT
UPPER DECK REAR
HANDRAILS
HANDRAILS
HANDRAILS
FLOOR CAP, WOOD FLOORING
WOOD FLOORING
SHELF
SHELF
SUN SHADES
SUN SHADES
MIRRORS
MIRRORS
MIRRORS
MIRRORS
TABLES
SAFETY EQUIPMENT
SAFETY EQUIPMENT
SAFETY EQUIPMENT
KITCHEN
KITCHEN
KITCHEN
KITCHEN
KITCHEN
KITCHEN
KITCHEN
KITCHEN
TOILET
REFRIGERATOR
REFRIGERATOR
REFRIGERATOR
REFRIGERATOR
REFRIGERATOR
SKIING TRUNK
DRIVER SLEEPING CABIN
CENTR. LUBRICATION SYSTEM
CENTR. LUBRICATION SYSTEM
HAND - DRIER
CUP - DISPENSER
BUMPER FRONT AND REAR
BUMPER FRONT AND REAR
BUMPER FRONT AND REAR
WINDSCREEN
WINDSCREEN
REAR WINDOW
REAR WINDOW
SIDE WINDOWS
SIDE WINDOWS
SIDE WINDOWS
SIDE WINDOWS
DOOR WINDOWS
DOOR WINDOWS
WINDOW REPAIR MATERIAL
SERVICE DOORS
SERVICE DOORS
SERVICE DOORS
SERVICE DOORS
SERVICE DOORS
SERVICE DOORS
SERVICE DOORS
SERVICE DOORS
SERVICE DOORS
SERVICE DOORS
SERVICE DOORS
SERVICE DOORS
SERVICE DOORS
SERVICE DOORS
SERVICE DOORS
SERVICE DOORS
SERVICE DOORS
SERVICE DOORS
SERVICE DOORS
SERVICE DOORS
SERVICE DOORS
SERVICE DOORS
SERVICE DOORS
SERVICE DOORS
EINGINE DOOR
CENTRAL LOCKING SYSTEM
DOORS
DOORS
DOORS
DOORS
DOORS
DOORS
DOORS
DOORS
DOOR CONTROL, EMERGENCY EXIT
DOOR CONTROL, EMERGENCY EXIT
DRIVER‘S SEAT
DRIVER‘S SEAT
CO - DRIVERS SEAT
CO - DRIVERS SEAT
PASSENGERS SEAT
PASSENGERS SEAT VOGEL
PASSENGERS SEAT
PASSENGERS SEAT KIEL
PASSENGER COUCH’S
SAFETY BELTS
SAFETY BELTS
SAFETY BELTS
SEAT LINES
SEAT LINES
ACCESSORIES
ACCESSORIES
TOW ROD
SAFETY SIGNS
SAFETY SIGNS
SAFETY SIGNS
SAFETY SIGNS
SAFETY SIGNS
1
2
2
3
3
4
4
5
5
6
6
6
6
7
7
7
7
8
8
8
8
9
9
9
10
10
10
11
11
Позиция на иллюстрации
Заводской номер детали
Название детали
1
11074440
SUPPORT
2
11004558
RUBBER BEARING
3
11012316
CORNIERE 8S180
4
11012315
FASTENING PLATE
5
11055698
SCREW
6
11056190
SCREW
7
11054607
WASHER
8
11054688
spring washer
9
11056174
HEXAGON SCREW
10
11054571
WASHER
11
11054561
TAB WASHER
Содержащиеся в справочниках-каталогах запасные части и детали не предлагаются к продаже, а носят исключительно информационный характер
Дополнительная информация
×
Название:
Номер:
Примечание: