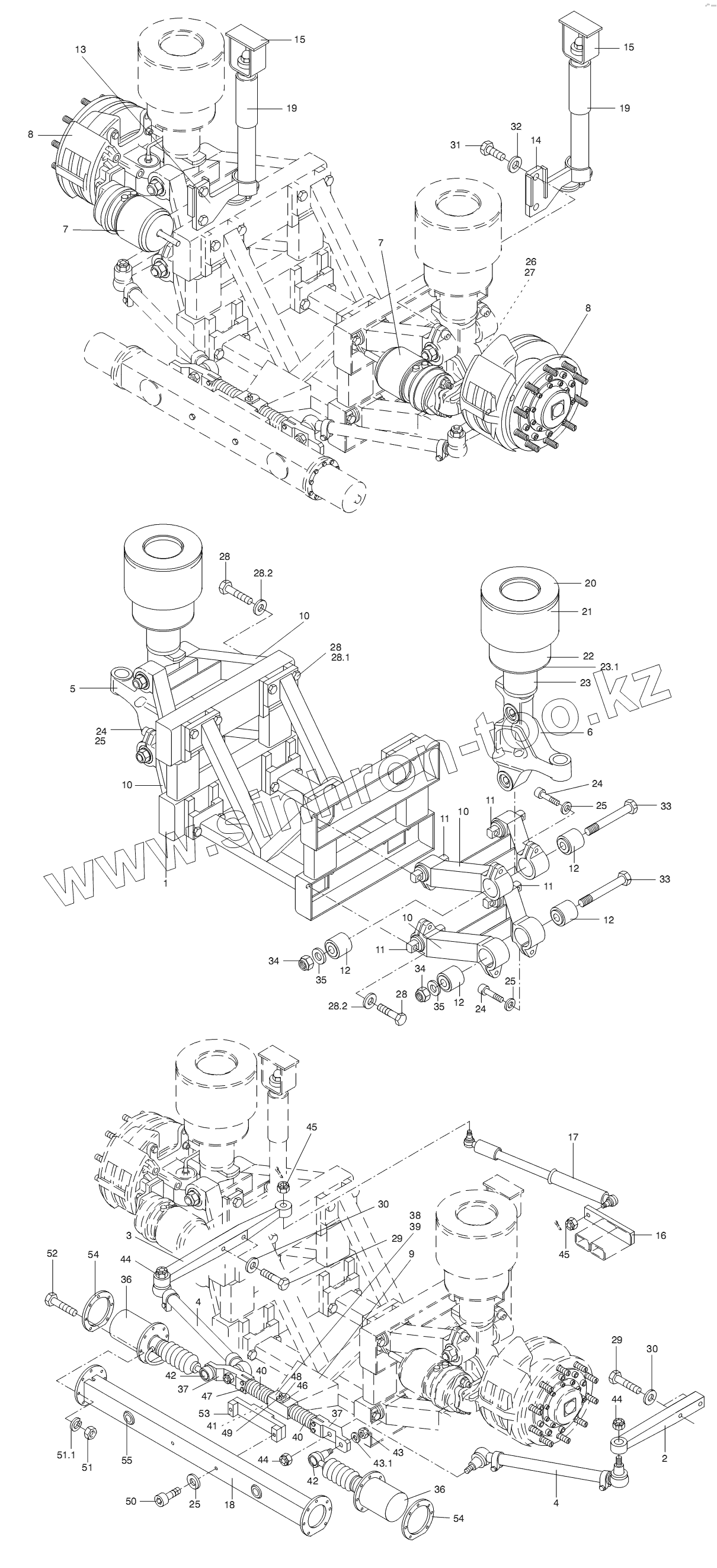
Каталог запасных частей к технике: Neoplan N 116 (MAN) E3 (вар.). 3RD AXLE PARTS
1
2
3
4
4
5
6
7
7
8
8
8
9
10
10
10
10
11
11
11
11
12
12
12
12
13
14
15
15
16
17
18
19
19
20
21
22
23
24
24
24
25
25
25
26
27
28
28
28
29
29
30
30
31
32
33
33
34
34
35
35
36
36
37
37
38
39
40
40
41
42
42
43
44
44
44
45
45
46
47
48
49
50
51
52
53
54
54
55
231
281
282
282
431
511
| Позиция на иллюстрации | Заводской номер детали | Название детали | |
|---|---|---|---|
| 11014706 | 11014706 | TUNNEL TRAILING AXLE | |
| 11016403 | 11016403 | HOLLOW RUBBER SPRING | |
| 1 | 11016128 | AXLE CENTER HOUSING | |
| 2 | 11020186 | LOCKING LEVER LEFT | |
| 3 | 11020188 | LOCKING LEVER RIGHT | |
| 4 | 11019664 | STEERING TIE 0,40X5,7X610 | |
| 5 | 11015832 | AXLE BRACKET | |
| 6 | 11015833 | AXLE BRACKET | |
| 7 | 11014289 | COMBINED CYLINDER | |
| 8 | 11015387 | WHEEL HEAD | |
| 9 | PROFILE | PROFILE | |
| 10 | 11015804 | TRAPEZOIAL LINK BOTTOM | |
| 11 | 11015009 | BRUCKET SILENT BLOCK | |
| 12 | 11015687 | BRUCKET SILENT BLOCK | |
| 13 | 11016759 | HOLDER BOTTOM | |
| 14 | 11016760 | HOLDER BOTTOM | |
| 15 | 11016754 | HOLDER ABOVE | |
| 16 | 11016069 | CONE PLATE | |
| 17 | 11019705 | STABILUS STEERING SHOCK ABSORVER | |
| 18 | 11014544 | ARRESTING CYLINDER CARRIER | |
| 19 | SHOCKABSORBER | SHOCK ABSORBER | |
| 20 | 11016330 | BASE PLATE FOR SUSPENSION | |
| 21 | 11016345 | AIR SPRING BELLOWS | |
| 22 | 11016375 | PLUNGER FOR AIR SPRING | |
| 23 | 11016570 | AIR SPRING DISK | |
| 24 | 11054926 | SCREW M16X45MM | |
| 25 | 11054718 | SPRING WASHER M16 | |
| 26 | 11054968 | STOP SCREW DIN 479 M16X1,5X50-12.9 | |
| 27 | 11055890 | HEXAGON NUT | |
| 28 | 11055744 | HEXAGON SCREW | |
| 29 | 11056137 | HEXAGON SCREW | |
| 30 | 11054567 | TAB WASHER | |
| 31 | 11056225 | HEXAGON SCREW | |
| 32 | 11054562 | TAB WASHER DIN 25201 26,0X39,0X3,7 | |
| 33 | 11015688 | TENSIONING SCREW | |
| 34 | 11056426 | NUT | |
| 35 | 11054726 | SPRING WASHER | |
| 36 | 11014291 | CYLINDER | |
| 37 | 11014545 | CONEPART FOR SLIDING UNIT | |
| 38 | 11014550 | SLIDING UNIT FOR TRAILING AXLE | |
| 39 | 11014546 | BOX WITH BUSH | |
| 40 | 11015359 | BELLOWS FOR PUSH UNIT | |
| 41 | 11015360 | BUSH | |
| 42 | 11015161 | BALL AND SOCKET JOINT- INTRNATIONAL THREAD | |
| 43 | 11056452 | HEXAGON SELFLOCKING NUT | |
| 44 | 11063757 | NUT | |
| 45 | 11055960 | FLAT CASTLENUT | |
| 46 | 11015362 | SLIDING BLOCK | |
| 47 | 11054873 | HEXAGON SOCKET SCREW | |
| 48 | 11054812 | SCREW M8X20 | |
| 49 | 11045480 | LUBRICATING NIPPLE | |
| 50 | 11054946 | SCREW | |
| 51 | 11056443 | NUT | |
| 52 | 11055524 | SCREW | |
| 53 | 11014554 | PLATE | |
| 54 | 11014552 | CLAMPING RING | |
| 55 | 11041021 | RUBBER SEAL | |
| 231 | 11016615 | ISOLATION DISK | |
| 281 | 11054691 | SPRING RING | |
| 282 | 11054563 | WASHER | |
| 431 | 11054682 | SPRING RING | |
| 511 | 11054679 | SPRING RING |
Содержащиеся в справочниках-каталогах запасные части и детали не предлагаются к продаже, а носят исключительно информационный характер