Каталог запасных частей к технике: Neoplan N 116 (MAN) E3. VALVE TRAILING AXLE
1
2
2
3
3
3
4
4
4
5
5
5
5
6
6
6
6
6
6
6
7
7
7
7
7
8
9
10
11
11
11
12
13
13
14
14
15
16
17
18
18
19
19
20
20
20
20
20
20
20
20
21
21
22
22
23
24
25
26
27
28
29
29
29
29
29
29
29
29
30
30
30
30
31
31
31
32
33
34
35
36
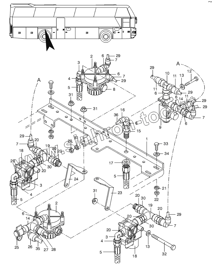
| Позиция на иллюстрации | Заводской номер детали | Название детали | |
|---|---|---|---|
| 1 | 11018582 | BRACKET | |
| 2 | 11017202 | RELAY VALVE | |
| 3 | 11019015 | 90-ELBOW WITH BULKHEAD | |
| 4 | 11019205 | U-PIECE | |
| 5 | 11016899 | BRAKE HOSE | |
| 6 | 11018998 | QUICK CONNECTOR | |
| 7 | 11019199 | CONNECTOR | |
| 8 | 11019003 | PLUG | |
| 9 | 11018715 | SOLENOID VALVE | |
| 10 | 11019011 | T-PIECE | |
| 11 | 11018950 | CONNECTOR | |
| 12 | 11055037 | HEXAGON SCREW | |
| 13 | 11054594 | WASHER | |
| 14 | 11058556 | L-PICE | |
| 15 | 11019098 | SLEEVE M18X1,5 | |
| 16 | 11018993 | CONNECTOR | |
| 17 | 11018247 | check nut | |
| 18 | 11018716 | PRESSURE CONTROL VALVE | |
| 19 | 11017247 | SWITCHING VALVE | |
| 20 | 11019029 | COUNTER NUT | |
| 21 | 11054679 | SPRING RING | |
| 22 | 11055815 | NUT | |
| 23 | 11018753 | BRACKET LEFT | |
| 24 | 11018752 | BRACKET RIGHT | |
| 25 | 11019034 | TEST CONNECTION | |
| 26 | 11019202 | QUICK CONNECTOR | |
| 27 | 11018999 | QUICK CONNECTOR | |
| 28 | 11018953 | SCREW NECK | |
| 29 | 11016879 | POLY BRAKE AIR LINE | |
| 30 | 11019021 | SLEEVE | |
| 31 | 11057231 | NUT | |
| 32 | 11055044 | SCREW | |
| 33 | 11055514 | SCREW | |
| 34 | 11054751 | MEDIUM WASHER | |
| 35 | 11016891 | hose | |
| 36 | 11016874 | HOSE |
Содержащиеся в справочниках-каталогах запасные части и детали не предлагаются к продаже, а носят исключительно информационный характер