Вернуться на главную
Поиск
Каталоги запчастей к технике
Автобусы
Neoplan
N 116 (MAN) E3
RAISE AND LOWER SYSTEM
Каталог запасных частей к технике: Neoplan N 116 (MAN) E3. RAISE AND LOWER SYSTEM
zoom-in
zoom-out
enlarge
shrink
circle-right
circle-left
file-text2
info
cart
Тип техники
Не выбрано
Легковые автомобили
Грузовые автомобили и прицепы
Автобусы
Сельхозтехника
Спецтехника
Двигатели
Мототехника
Марка
Не выбрано
Golden Dragon
Hyundai
Ikarus
Karosa
King Long
Neoplan
Yutong
ZF
АМАЗ
Богдан
ЗИЛ
КАВЗ
Камский автозавод
ЛАЗ
ЛЗГМП
ЛиАЗ
Нефтекамский автозавод
ПАЗ
УралАЗ
Модель
Не выбрано
N 116 (MAN) E3 (2008)
N 116 (MAN) E3 (вар.) (2008)
N 116 E2 (2000)
N 3316 (DC OM 501 LA) E3 (2002)
N 3316 (MAN D 2866 LOH 29) E3 (2002)
N 3318 U E3 (2008)
N 516 SHD (MAN) E2 (2002)
N 516 SHD (MAN) E3 (2008)
N 516 SHD (MB) E2 (2000)
N 516 SHD (MB) E3 (2000)
N 516 SHD (MB, DC) E2 (2002)
Схема
>
Не выбрано
ENGINE
ENGINE
ADD-ON PARTS
ADD-ON PARTS
ENGINE PARTS
ENGINE PARTS
ENGINE SUSPENSION
ALTERNATOR BRACKET
ALTERNATOR
ALTERNATOR BRACKET LEFT
ALTERNATOR BRACKET LEFT
ALTERNATOR
GENERATOR AERATION
GENERATOR AERATION
STARTER
GENERAL PICTURE COMPRESSOR
COMPRESSOR SUPPORT
COMPRESSOR SUPPORT
SPARE PARTS COMPRESSOR
V-BELT PRESS
AIR COMPRESSOR
AIR COMPRESSOR
POWER-STEERING PUMP
POWER-STEERING PUMP
V-BELT DRIVE
V-BELT DRIVE
ACCELERATOR
CONTROL UNIT
ENGINE BRAKE
FUEL FILTER
FUEL FILTER
FUEL FILTER
FUEL SYSTEM
FUEL SYSTEM
FUEL SYSTEM
FUEL TANK
EXHAUST SYSTEM
SILENCER HEAT SHIELD
AIR FILTER SYSTEM
AIR FILTER SYSTEM
AIR FILTER SYSTEM
RADIATOR
RADIATOR
RADIATOR
RADIATOR
RADIATOR
MOUNTING OF RADIATOR, BRACKET, CLUTCH
WATER RESERVOIR
WATER CIRCULATION
WATER CIRCULATION
OIL RESERVOIR
HYDROSTATIC DRIVE
CHARGE AIR COOLER
AIR CIRCULATION
AIR CIRCULATION
RETARDER COOLING
RETARDER COOLING
RETARDER COOLING
CLUTCH WITH PEDAL
COUPLIN WITH PEDAL
ASSEMBLY CLUTCH
ASSEMBLY CLUTCH
CLUTCH PARTS
GEARBOX
GEARBOX
GEARBOX
GEARBOX
BRACKET
GEARSHIFT LEVER
SELECTOR SHAFT AND PARTS
SELECTOR SHAFT AND PARTS
SELECTOR PARTS
OIL COOLING (TRANSMISSION)
OIL COOLING (TRANSMISSION)
PULSE SENSOR
RETARDER TELMA
TELMA-COVERING
RETARDER VOITH
GEARBOX CARRIER/MOUNTING
GEARBOX CARRIER/MOUNTING
TRANSMISSION SUPPORT
TRANSMISSION SUPPORT
TRANSMISSION SUPPORT
TRANSMISSION SUPPORT
JOINT SHAFT
REAR AXLE
REAR AXLE PARTS
REAR AXLE PARTS
REAR AXLE PARTS CASING
REAR AXLE PARTS
REAR AXLE DISK BRAKE
REAR AXLE DISK BRAKE
REAR AXLE SUBFRAME
REAR AXLE SUBFRAME
FRONT AXLE
FRONT AXLE
AXLE PARTS
FRONT AXLE PARTS
FRONT AXLE PARTS
DISK BRAKE
DISK BRAKE
STABILIZER
TRAILING AXLE
TRAILING AXLE
TRAILING AXLE
AXLE PARTS
AIR BAGS AND AIR SPRING DISK
AIR BAGS AND AIR SPRING DISK
AIR BAGS AND AIR SPRING DISK
SHOCK ABSORBER AND MOUNT
SHOCK ABSORBER AND MOUNT
SHOCK ABSORBER STOP
AIR SUSPENSION
AIR SUSPENSION
3RD AXLE RELIEVE
RAISE AND LOWER SYSTEM
RAISE AND LOWER SYSTEM
RAISE AND LOWER SYSTEM
RAISE AND LOWER SYSTEM
RAIS AND LOWER SYSTEM
RAIS AND LOWER SYSTEM
RAIS AND LOWER SYSTEM
RAISE AND LOWER SYSTEM
AIR DRYER
AIR DRYER
ABS-PARTS FRONT AXLE
ABS-PARTS REAR AXLE
AIR TANK
AIR TANK
AIR TANK
AIR TANK
AIR TANK
AIR TANK
AIR TANK GENERAL
BRAKE VALVE OVERALL VIEW
BRAKE VALVE OVERALL VIEW
BRAKE VALVE OVERALL VIEW
HAND-BRAKE VALVE
PEDAL-OPERATED BRAKE VALVE
PRESSURE REDUCER
PRESSURE CONTROL VALVE
VALVE TRAILING AXLE
VALVE REAR AXLE
VALVE SUPPORT TRAILING AXLE
VALVE SUPPORT TRAILING AXLE
CONSOLE FOR TEST CONNESTION
BRAKE SYSTEM CONNECTION
BRAKE HOSE
BRAKE HOSE
BRAKE HOSE
BRAKE HOSE
STEARING WHEEL AND COVERING
STEERING MECHANICS FRONT AXLE
STEERING HYDRAULICS
STEERING HYDRAULICS
HYDRAULIC OIL RESERVOIR
BEVEL BOX
POWER-STEERING PUMP
SERVOCOMTRONIC SPARE PARTS LIST
SERVOCOMTRONIC SPARE PARTS LIST
VENT VALVE
WHEELS AND TYRES
WHEELS AND TYRES
WHEELS AND TYRES
WHEEL CAP
WHEEL CAP
WHEEL CAPS
WHEEL CAPS
WHEEL CAPS
VEHICLE FRAME
BATTERY MOUNTING
BATTERY MOUNTING
SPARE WHEEL BOX
REAR TRAVERSE
PROFILE PARTS GENERAL
TRACTOR TOWING DEVICE
DASH BORD
INSTRUMENTS FOR DASH BOARD
SWITCH
SWITCH SYMBOLS DASH BOARD
MAIN SWITCHBOARD
EXTRA SWITCH PANELS
EXTRA SWITCH PANELS
EXTRA SWITCH PANELS
EXTRA SWITCH PANELS
E-SWITCH CASE REAR
E-SWITCH CASE REAR
E-SWITCH CASE REAR
E-SWITCH CASE REAR
EXTRA SWITCH PANELS
EXTRA SWITCH PANELS
SWITCH BOARD AIR CONDITION
OUTSIDE LIGHTING
OUTSIDE LIGHTING
LIGHTING OUTSIDE
INSIDE LIGHTING
LIGHTING INSIDE
WIPERS-WASHER SYSTEM BELOW
WIPERS-WASHER SYSTEM UPPER
FLAT PLUG HOUSING
FLAT SLEEVE HOUSING
PLUG HOUSING
AMP CYLINDRICAL TYPE CONNECTION
PLUGS
PLUGS
PLUGS
PLUGS
PLUGS
PLUGS
CABLE HARNESS
COMMPRESSED AIR HORN
HORN
BACKUPHORN
VOLTAGE TRANSFORMER
BATTERY AND BATTERY MOUNTING
VENTILATOR
BATTERY ISOLATING LINK
BATTERY ISOLATING LINK
PLUG SOCKET
ACCIDENT-DATA RECORDER
FIRE DETECTOR
RADIO, CD-PLAYER
RADIO, CD-PLAYER
LOUDSPEAKER
LOUDSPEAKER
BACKUP CAMERA
CAMERA
AERIAL
AERIAL
ALARM SYSTEM
VIDEO/ DVD SYSTEM
MONITOR
MONITOR
MONITOR
MONITOR
MONITOR
MONITOR
MONITOR
MICROPHONE
HANDS-FREE CONVERSATION EQUIPMENT
NAVIGATION SYSTEM
SHEETING OUTSIDE
SHEETING INSIDE
MUD FLAP
MUD FLAP
ENGINE/ RADIOATOR ENCAPSULATION
ISOLATION
ISOLATION ENGINE COMPARTMENT
SYNTHETIC PARTS OUTSIDE
SYNTHETIC PARTS OUTSIDE
SYNTHETIC PARTS OUTSIDE
SYNTHETIC PARTS OUTSIDE
MOUNTING PARTS WHEEL HOUSE
MOUNTING PARTS WHEEL HOUSE
SYNTHETIC PARTS OUTSIDE
LICENSE-PLATE BRACKET
PLASTIC COVERS
BATTERY-POST CAP
HEATING CIRCULATION
AUXILIARY HEATING
FRONTBOX
FRONTBOX
CIRCULATION AIR HEATING
CIRCULATION AIR HEATING
MINI HEATER
RADIATORS
VENTILATION
AIR CONDITIONER
AIR CONDITIONING
POLLEN FILTER
EXTERIOR MOULDING
STRIPS INSIDE
STRIPS INSIDE
AIR CHANNELS, LUGGAGE DUMP
INTERIOR ROOF
SUNROOF
WINDOW PILLAR
DASH BOARD
CENTRAL CONSOLE
CENTRAL CONSOLE
DASHBOARD RIGHT
UPPER DECK FRONT
UPPER DECK REAR
HANDRAILS
HANDRAILS
HANDRAILS
FLOOR CAP
WOOD FLOORING
STORAGE BOX
STORAGE BOX
SIDE WINDOW ROLLER BLIND/ CURTAIN
WARDROBE
OUTSIDE MIRROR
INSIDE MIRROR
EMERGENCY HAMMER
EMERGENCY HAMMER
SAFETY EQUIPMENT
KITCHEN
KITCHEN
KITCHEN
KITCHEN
KITCHEN
KITCHEN
WATER RESERVOIR
RESERVOIR WATER HAETER
TOILET
COOLER BOX
REFRIGERATOR
REFRIGERATOR
RADIATOR ASSEMBLY
RADIATOR ASSEMBLY
SKI CARRIER BOX
DRIVER SLEEPING ROOM
CENTR. LUBRICATION SYSTEM
CENTR. LUBRICATION SYSTEM
HAND-DRIER
CUP-DISPENSER
BUMPER FRONT
BUMPER REAR
BUMPER REAR
WINDSCREEN
WINDSCREEN
REAR WINDOW
REAR WINDOW
SIDE WINDOWS
SIDE WINDOWS
SIDE WINDOWS
DOOR WINDOWS
DOOR WINDOWS
WINDOW REPAIR MATERIAL
SERVICE DOORS
SERVICE DOORS
SERVICE DOORS
SERVICE DOORS
SERVICE DOORS
SERVICE DOORS
SERVICE DOORS
SERVICE DOORS
SERVICE DOORS
SERVICE LID
SERVICE LID
SERVICE LID
SERVICE LID
SERVICE LID
SERVICE LID
TANK FILLER FLAP
SERVICE LID
LUGGAGE-COMPARTMENT FLAP
LUGGAGE-COMPARTMENT FLAP
LUGGAGE-COMPARTMENT FLAP
LUGGAGE-COMPARTMENT FLAP
EINGINE DOOR
CENTRAL LOCKING SYSTEM
DOORS
DOORS
OUTWARD-SWINGING DOOR FRONT
OUTWARD-SWINGING DOOR FRONT
OUTWARD-SWINGING DOOR REAR
OUTWARD-SWINGING DOOR REAR
DOOR CYLINDER
DOOR CONTROL UNIT
DOOR CONTROL UNIT
DRIVER‘S SEAT
DRIVER‘S SEAT
CO-DRIVERS SEAT
CO-DRIVERS SEAT
PASSENGERS SEAT VOGEL
PASSENGERS SEAT VOGEL
PASSENGERS SEAT KIEL
PASSENGERS SEAT KIEL
PASSENGERS SEAT
SAFETY BELTS
SAFETY BELTS
SAFETY BELTS
SEAT RAIL
SEAT RAIL
TOOL BOX
ACCESSORIE
TOW ROD
SAFETY SIGNS
SAFETY SIGNS
SAFETY SIGNS
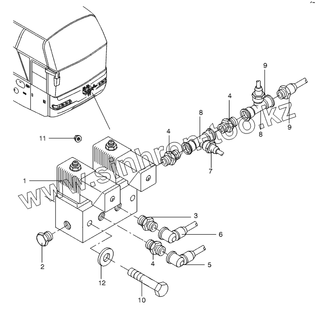
1
2
3
4
4
4
5
6
7
8
8
9
9
10
11
12
Позиция на иллюстрации
Заводской номер детали
Название детали
1
11018745
VALVE BLOCK
2
11019001
SCREW PLUG
3
11018997
PLUG CONNECTION
4
11018996
PLUG CONNECTION
5
11018992
PLUG CONNECTION
6
11018993
CONNECTOR
7
11018942
CONNECTOR 8X1,0, M12X1,5, NR7232
8
11019006
L-PIECE
9
11018937
CONNECTOR
10
11055037
HEXAGON SCREW
11
11057231
NUT
12
11054594
WASHER
Содержащиеся в справочниках-каталогах запасные части и детали не предлагаются к продаже, а носят исключительно информационный характер
Дополнительная информация
×
Название:
Номер:
Примечание: