Каталог запасных частей к технике: Neoplan N 116 (MAN) E3. RADIATOR
1
2
2
3
4
5
5
5
6
6
6
7
8
9
10
11
12
12
13
14
15
16
17
18
19
20
20
20
21
22
22
23
23
24
24
25
25
26
26
26
26
26
26
27
27
27
27
27
28
29
30
31
32
33
33
34
35
36
37
37
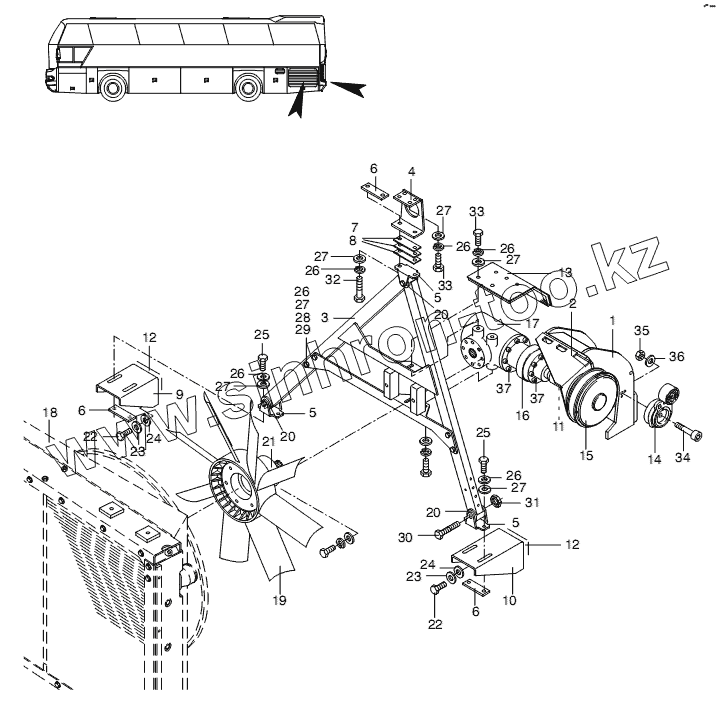
| Позиция на иллюстрации | Заводской номер детали | Название детали | |
|---|---|---|---|
| 1 | 11067399 | ENGINE BLOCK-ANGLE DRIVE | |
| 2 | 11073222 | BRACKET | |
| 3 | 11065797 | BRACKET | |
| 4 | 11073492 | BRACKET | |
| 5 | 11058328 | BRACKET | |
| 6 | 11075965 | THREADED PLATE | |
| 7 | 11073250 | MOUNTING PLATE | |
| 8 | PLATE | PLATE | |
| 9 | 11071417 | HOLDER LEFT | |
| 10 | 11071418 | HOLDER RIGHT | |
| 11 | 11071904 | SUPPORT | |
| 12 | 11071467 | THREADED PLATE | |
| 13 | 11073495 | HEAT SHIELD | |
| 14 | 11005092 | BELT TENSIONER | |
| 15 | 11072025 | V-BELT PULLEY | |
| 16 | 11072026 | ARTICULATED SHAFT | |
| 17 | 11072027 | FAN CLUTCH | |
| 18 | 11009148 | AIR DEFLECTOR | |
| 19 | 11009431 | FAN WHEEL | |
| 20 | 11009169 | RUBBER BUFFER | |
| 21 | 11009306 | MAGNETIC CLUTCH | |
| 22 | 11055606 | SCREW | |
| 23 | 11054683 | SPRING RING | |
| 24 | 11054603 | WASHER | |
| 25 | 11055562 | HEXAGON SCREW | |
| 26 | 11054681 | SPRING RING | |
| 27 | 11054600 | WASHER | |
| 28 | 11055575 | HEXAGON SCREW М8.8 | |
| 29 | 11056444 | NUT | |
| 30 | 11055637 | HEXAGON SCREW | |
| 31 | 11055935 | HEXAGON NUT | |
| 32 | 11055568 | screw | |
| 32.1 | 11055564 | HEXAGON SCREW | |
| 33 | 11055556 | SCREW | |
| 34 | SCREW | SCREW | |
| 35 | 11068581 | HEXAGON NUT | |
| 36 | 11061607 | TENSIONING NUT | |
| 37 | SCREW | SCREW |
Содержащиеся в справочниках-каталогах запасные части и детали не предлагаются к продаже, а носят исключительно информационный характер