Каталог запасных частей к технике: Neoplan N 116 (MAN) E3. AUXILIARY HEATING
1
2
2.1
3
4
5
6
6
7
8
9
10
11
12
13
13
14
14
15
15
16
17
17
18
18
18
19
19
19
20
21
21
22
22
22
22
22
23
24
24
24
24
24
24
24
24
24
25
26
27
27
27
27
27
27
27
28
29
29
29
29
29
30
31
32
33
34
35
36
37
38
38
39
40
41
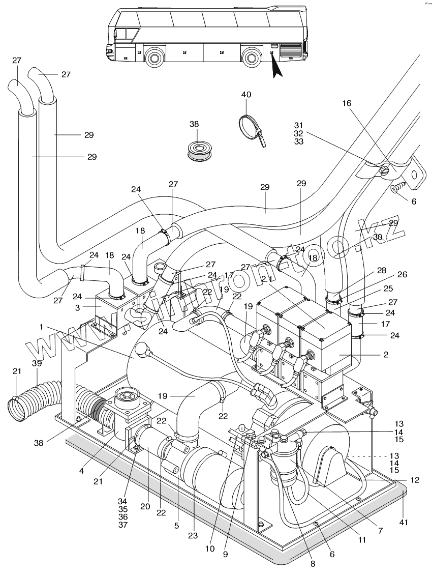
| Позиция на иллюстрации | Заводской номер детали | Название детали | |
|---|---|---|---|
| 1 | 11034733 | WATER STATION THERMO 300,068 | |
| 2 | 11034464 | MOTOR BLOCK | |
| 2.1 | 11034441 | MOTOR DRIVE | |
| 3 | 11034465 | RETURN SHOCK BLOCK | |
| 4 | 11034462 | SHUT-OFF VALVE WITH FILTER WATER | |
| 5 | 11032783 | CIRCULATING PUMP | |
| 6 | 11056773 | SCREW | |
| 7 | 11032646 | FUEL FILTER | |
| 7.1 | 11032733 | GASKET | |
| 7.2 | 11032732 | STRAINER | |
| 8 | 11032659 | CONNECTING PARTS | |
| 9 | 11032647 | LOW-PRESSURE BELL VALVE | |
| 10 | 11063809 | FUEL RETURN HOSE | |
| 11 | 14005955 | FUEL RETURN HOSE | |
| 12 | 11034672 | FUEL RETURN HOSE | |
| 13 | 11002370 | HOLLOW SCREW | |
| 14 | 11018268 | COPPER SEAL RING | |
| 15 | 11002262 | RING NECK | |
| 16 | 11022788 | CLAMP | |
| 17 | 11008476 | SILICONE HOSE 28MM | |
| 18 | 11008386 | HOSE | |
| 19 | 11008389 | HOSE | |
| 20 | 11008478 | HOSE | |
| 21 | 11000843 | HOSE CLAMP | |
| 22 | 11000844 | HOSE CLAMP | |
| 23 | 11000850 | HOSE CLAMP | |
| 24 | 11000842 | HOSE CLAMP | |
| 25 | 11008471 | SILICON HOSE | |
| 26 | 11000841 | HOSE CLAMP | |
| 27 | 11032526 | BRASS PIPE 28/1,5 | |
| 28 | 11032525 | BRASS PIPE | |
| 29 | 11059872 | INSULATING HOSE | |
| 30 | 11059881 | INSULATING HOSE | |
| 31 | 11055544 | HEXAGON SCREW | |
| 32 | 11054594 | WASHER | |
| 33 | 11054679 | SPRING RING | |
| 34 | 11055488 | screw | |
| 35 | 11054589 | MEDIUM WASHER | |
| 36 | 11054677 | SPRING RING | |
| 37 | 11056439 | NUT | |
| 38 | 11052459 | ADHESIVE TAPE | |
| 39 | 11010722 | HOSE | |
| 40 | 11028567 | CABLE CLIP | |
| 41 | 11031321 | INSULATOR |
Содержащиеся в справочниках-каталогах запасные части и детали не предлагаются к продаже, а носят исключительно информационный характер