Каталог запасных частей к технике: Нефтекамский автозавод НефАЗ-5299 (надстройка). Установка окон правой боковины
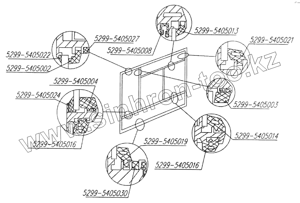
5299-5405030
5299-5405027
5299-5405024
5299-5405022
5299-5405021
5299-5405019
5299-5405008
5299-5405016
5299-5405016
5299-5405014
5299-5405013
5299-5405004
5299-5405003
5299-5405002
| Позиция на иллюстрации | Заводской номер детали | Название детали | |
|---|---|---|---|
| 5299-5405030 | 5299-5405030 | Профиль декоративный | |
| 5299-7805001 | 5299-7805001 | Профиль облицовочный | |
| 5299-5405044 | 5299-5405044 | Профиль декоративный | |
| 5299-5405043 | 5299-5405043 | Профиль декоративный | |
| 5299-5405042 | 5299-5405042 | Профиль декоративный | |
| 5299-5405041 | 5299-5405041 | Профиль декоративный | |
| 5299-5405038 | 5299-5405038 | Профиль декоративный | |
| 5299-5405036 | 5299-5405036 | Уплотнитель | |
| 5299-5405033 | 5299-5405033 | Профиль декоративный | |
| 5299-5405032 | 5299-5405032 | Профиль декоративный | |
| 5299-5405031 | 5299-5405031 | Профиль декоративный | |
| 5299-7805002 | 5299-7805002 | Профиль облицовочный | |
| 5299-5405029 | 5299-5405029 | Профиль декоративный | |
| 5299-5405028 | 5299-5405028 | Профиль декоративный | |
| 5299-5405027 | 5299-5405027 | Профиль декоративный | |
| 5299-5405026 | 5299-5405026 | Профиль декоративный | |
| 5299-5405025 | 5299-5405025 | Уплотнитель | |
| 5299-5405024 | 5299-5405024 | Уплотнитель | |
| 5299-5405023 | 5299-5405023 | Уплотнитель | |
| 5299-5405022 | 5299-5405022 | Уплотнитель | |
| 5299-5405021 | 5299-5405021 | Профиль облицовочный | |
| 5299-5405020 | 5299-5405020 | Профиль облицовочный | |
| 5299-7805013 | 5299-7805013 | Уплотнитель | |
| 101-5403063 | 101-5403063 | Стекло с обогревателем | |
| 5299-5405040 | 5299-5405040 | Вкладыш | |
| 5299-7805025 | 5299-7805025 | Профиль декоративный | |
| 5299-7805022 | 5299-7805022 | Профиль декоративный | |
| 5299-7805021 | 5299-7805021 | Профиль декоративный | |
| 5299-7805020 | 5299-7805020 | Профиль декоративный | |
| 5299-7805017 | 5299-7805017 | Профиль направляющий | |
| 5299-7805016 | 5299-7805016 | Профиль направляющий | |
| 5299-7805015 | 5299-7805015 | Профиль декоративный | |
| 5299-7805014 | 5299-7805014 | Профиль декоративный | |
| 5299-5405019 | 5299-5405019 | Профиль облицовочный | |
| 5299-7805012 | 5299-7805012 | Профиль декоративный | |
| 5299-7805011 | 5299-7805011 | Профиль декоративный | |
| 5299-7805010 | 5299-7805010 | Профиль декоративный | |
| 5299-7805000 | 5299-7805000 | Профиль декоративный | |
| 5299-7805008 | 5299-7805008 | Профиль декоративный | |
| 5299-7805007 | 5299-7805007 | Профиль декоративный | |
| 5299-7805006 | 5299-7805006 | Профиль декоративный | |
| 5299-7805005 | 5299-7805005 | Профиль облицовочный | |
| 5299-7805004 | 5299-7805004 | Профиль облицовочный | |
| 5299-7805003 | 5299-7805003 | Профиль облицовочный | |
| 5299-5403506 | 5299-5403506 | Стекло окна боковины | |
| 5299-5205002 | 5299-5205002 | Уплотнитель стекла левый | |
| 5299-5205001 | 5299-5205001 | Уплотнитель стекла правый | |
| 5299-7803516 | 5299-7803516 | Стекло окна перегородки | |
| 5299-7803515 | 5299-7803515 | Стекло окна перегородки | |
| 5299-7803514 | 5299-7803514 | Стекло окна перегородки | |
| 5299-5603518 | 5299-5603518 | Стекло маршрутоуказателя | |
| 5299-5603507 | 5299-5603507 | Стекло окна задка | |
| 5299-5403512 | 5299-5403512 | Стекло окна водителя | |
| 5299-5403510 | 5299-5403510 | Стекло окна водителя | |
| 5299-5403509 | 5299-5403509 | Стекло окна водителя | |
| 5299-5205003 | 5299-5205003 | Замок уплотнителя стекла | |
| 5299-5403504 | 5299-5403504 | Стекло окна боковины | |
| 5299-5403502 | 5299-5403502 | Стекло окна боковины | |
| 5299-5403501 | 5299-5403501 | Стекло окна боковины | |
| 5299-5203011 | 5299-5203011 | Стекло ветровое левое | |
| 5299-5203010 | 5299-5203010 | Стекло ветровое правое | |
| 5299-7803003 | 5299-7803003 | Окно перегородки | |
| 5299-7803002 | 5299-7803002 | Окно перегородки сдвижное | |
| 5299-7803001 | 5299-7803001 | Рама окна перегородки | |
| 5299-5403003 | 5299-5403003 | Форточка салона | |
| 5299-5403002 | 5299-5403002 | Окно водителя сдвижное | |
| 5299-5405008 | 5299-5405008 | Профиль направляющий | |
| 5299-5405018 | 5299-5405018 | Профиль облицовочный | |
| 5299-5405017 | 5299-5405017 | Профиль облицовочный | |
| 5299-5405016 | 5299-5405016 | Профиль облицовочный | |
| 5299-5405015 | 5299-5405015 | Вкладыш | |
| 5299-5405014 | 5299-5405014 | Профиль облицовочный | |
| 5299-5405013 | 5299-5405013 | Профиль облицовочный | |
| 5299-5405012 | 5299-5405012 | Профиль декоративный | |
| 5299-5405011 | 5299-5405011 | Профиль декоративный | |
| 5299-5405010 | 5299-5405010 | Профиль декоративный | |
| 5299-5405009 | 5299-5405009 | Профиль направляющий | |
| 5299-5403001 | 5299-5403001 | Рама окна водителя | |
| 5299-5405007 | 5299-5405007 | Профиль декоративный | |
| 5299-5405006 | 5299-5405006 | Профиль декоративный | |
| 5299-5405005 | 5299-5405005 | Уплотнитель | |
| 5299-5405004 | 5299-5405004 | Профиль декоративный | |
| 5299-5405003 | 5299-5405003 | Профиль декоративный | |
| 5299-5405002 | 5299-5405002 | Профиль декоративный | |
| 5299-5405001 | 5299-5405001 | Профиль декоративный | |
| 5299-5305102 | 5299-5305102 | Замок уплотнителя маршрутоуказателя | |
| 5299-5305101 | 5299-5305101 | Уплотнитель маршрутоуказателя |
Содержащиеся в справочниках-каталогах запасные части и детали не предлагаются к продаже, а носят исключительно информационный характер