Каталог запасных частей к технике: Нефтекамский автозавод НефАЗ-4208, НефАЗ-42111. Установка отопления
1
1
2
2
3
4
5
5
7
9
9
11
13
14
17
19
21
21
22
23
23
24
28
31
33
35
36
37
40
42
47
48
49
57
67
69
86
88
88
104
108
118
138
140
141
145
147
151
155
157
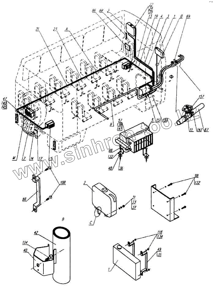
| Позиция на иллюстрации | Заводской номер детали | Название детали | |
|---|---|---|---|
| 1 | 42112-1311010СБ | Бачок расширительный | |
| 2 | 4208-8123010СБ | Бак топливный | |
| 3 | 42112-8123215СБ | Труба топливопровода | |
| 4 | 42112-8123230СБ | Труба топливопровода | |
| 5 | 4208-8101401СБ | Отопитель | |
| 6 | 4208-8123240СБ | Труба топливопровода | |
| 7 | 4208-8101401-01СБ | Отопитель | |
| 9 | 4208-8106038-01СБ | Труба выхлопная подогревателя | |
| 9 | 42111-11-8106038СБ | Труба выхлопная подогревателя | |
| 11 | 4947-8106150СБ | Вентиль запорный | |
| 12 | 4208-8106130СБ | Подставка подогревателя | |
| 12 | 4208-13-8106130СБ | Подставка подогревателя | |
| 13 | 42112-8120020-10СБ | Труба подводящая передняя | |
| 13 | 4208-13-8120020СБ | Труба подводящая передняя | |
| 14 | 42112-8120023СБ | Труба подводящая задняя | |
| 15 | 4208-8120025СБ | Труба подводящая | |
| 17 | 42П2-8120030СБ | Труба отводящая задняя | |
| 19 | 42112-8120032-10 СБ | Труба отводящая передняя | |
| 19 | 4208-13-8120032СБ | Труба отводящая передняя | |
| 21 | 4208-8120046СБ | Труба подводящая левая | |
| 21 | 42111-8120022СБ | Труба подводящая левая | |
| 22 | 4208-03-8123252-01 | Шланг соединительный | |
| 23 | 4208-8120048СБ | Труба отводящая левая | |
| 23 | 42111-8120031СБ | Труба отводящая левая | |
| 24 | 45 9871 0902 | Хомут 16 | |
| 25 | 4208-8120160СБ | Кожух в сборе | |
| 26 | 42112-8120170СБ | Вентиль запорный | |
| 27 | 4208-8120190СБ | Вентиль выпускной | |
| 28 | 1/02917/90 | Хомут 20 | |
| 29 | 42112-8123101 | Переходник | |
| 30 | 42112-8120200СБ | Труба | |
| 31 | 42112-8123102 | Шайба | |
| 33 | 4208-8123110 | Скоба | |
| 34 | 42112-8123200 | Шланг соединительный | |
| 35 | 42112-1311025 | Прокладка | |
| 36 | 3964-7200087 | Гайка-шуруп | |
| 37 | 42112-8123200 | Шланг соединительный | |
| 38 | 4951-8101072 | Клапан | |
| 40 | 3964-6831162 | Скоба задняя | |
| 42 | 42112-8101288 | Шланг соединительный | |
| 44 | 4202-8101385 | Шланг угловой | |
| 46 | 42112-8101385 | Шланг угловой | |
| 47 | 4947-8101386 | Шланг угловой | |
| 48 | 4208-8101545 | Прокладка | |
| 49 | 4947-8101614 | Хомут | |
| 51 | 4208-8106084 | Кронштейн | |
| 53 | 4208-8106085 | Кронштейн | |
| 54 | 42112-8106087 | Хомут | |
| 55 | 42112-8106088 | Прокладка | |
| 57 | 42112-8106200 | Шланг соединительный | |
| 58 | 4951-8106206 | Шланг сливной | |
| 59 | 42112-8106210 | Шланг соединительный | |
| 60 | 42112-8120170 | Вентиль запорный | |
| 61 | 420801-8120171 | Шланг- прокладка | |
| 62 | 42112-8123215 | Труба топливопровода | |
| 63 | 42112-8120182 | Труба отводящая | |
| 64 | 4951-8123276 | Кран проходной топливный | |
| 65 | 4208-8120192 | Патрубок | |
| 66 | 4951-8123045-01 | Штуцер | |
| 67 | 4208-8120204-03 | Шланг соединительный | |
| 68 | 4951-8123254-01 | Прокладка | |
| 69 | 420801-8120205 | Шланг соединительный | |
| 71 | 4208-8120207 | Шланг соединительный | |
| 73 | 42112-8120359 | Шланг соединительный | |
| 74 | 4208-8120402 | Кронштейн | |
| 75 | 41112-8120494 | Кронштейн | |
| 76 | 4208-8120401 | Кронштейн | |
| 77 | 41112-8120496 | Хомут | |
| 79 | 41112-8120504 | Трубка | |
| 80 | 4208-03-8120506 | Патрубок | |
| 80 | 4208-13-8120506 | Патрубок | |
| 81 | 41112-8120546 | Хомут | |
| 83 | 41112-8120620 | Втулка | |
| 86 | 4208-8123120 | Подножка | |
| 88 | 4208-8202011 | Поручень | |
| 91 | 1/03898/01 | Винт ТС с крестообразным шлицем и цилиндрической головкой М5-6gх20 | |
| 102 | 1/59707/21 | Болт ТЕМ10х1,25-6gх25 | |
| 104 | 1/03893/01 | Винт ТС с цилиндрической головкой и фрезерованным шлицем М5-6gх10 | |
| 106 | 1/03776/01 | Винт с фрезерованной прорезью М6-6gх50 | |
| 108 | 1/33035/01 | Винт с крестообразным шлицем 8МА-6gх20 | |
| 118 | 1/21647/11 | Гайка | |
| 120 | 1/40549/11 | Гайка колпачковая | |
| 126 | 1/26386/01 | Шайба плоская 10х18 | |
| 136 | 4598710908 | Хомут 28 | |
| 138 | 4598710916 | Хомут 48 | |
| 140 | 1/01697/90 | Хомут 43 | |
| 141 | 1/02904/90 | Хомут 30 | |
| 143 | 1/02910/90 | Хомут 45 | |
| 145 | 1/02912/90 | Хомут 50 | |
| 147 | Пломба 4-12-АД1М-10 | Пломба 4-12-АД1М-10 | |
| 149 | 5320-8105010 | Кран сливной | |
| 151 | 45 7375 3747 | Электродвигатель с насосом 34.3730 | |
| 153 | 45 7373 4682 | Термовыключатель 44.3710010 | |
| 155 | 45 9115 | Подогреватель 141.8106-01 | |
| 156 | Фильтр тонкой очистки | Фильтр тонкой очистки | |
| 157 | 5320-8105010 | Кран сливной |
Содержащиеся в справочниках-каталогах запасные части и детали не предлагаются к продаже, а носят исключительно информационный характер